Запчасти Komatsu D61PX-15 ДВИГАТЕЛЬ ЭЛЕКТРОПРОВОДКА (EARTH И РЕЛЕ И ДАТЧИК) B [КОМПОНЕНТЫ ДВИГАТЕЛЯ]

Схема запчастей Komatsu D61PX-15 - ДВИГАТЕЛЬ ЭЛЕКТРОПРОВОДКА (EARTH И РЕЛЕ И ДАТЧИК) B [КОМПОНЕНТЫ ДВИГАТЕЛЯ]
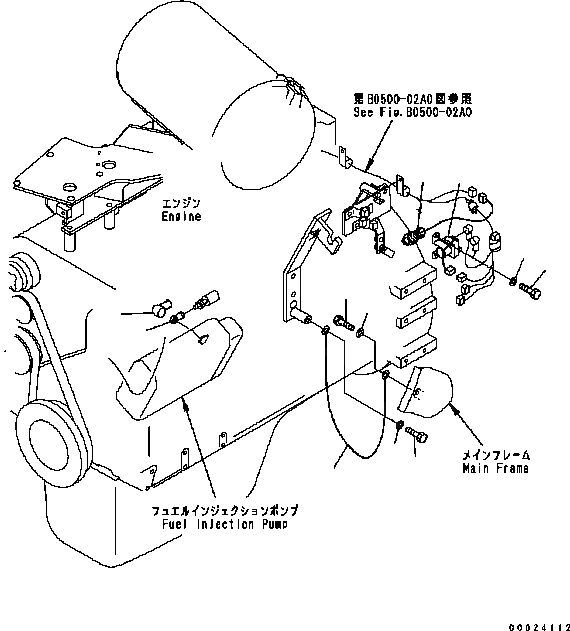
8
9
7
4
2
3
6
5
1
3
2
FIT
1:1
100%

Артикул

Название

Примечание

Количество

1

08028-BD065

CABLE

SN: B40001-UP

1шт.

2

01010-81016

BOLT

SN: B40001-UP

1шт.

3

01643-31032

WASHER

SN: B40001-UP

1шт.

4

600-815-7870

RELAY

SN: B40001-UP

1шт.

5

01010-80620

BOLT

SN: B40001-UP

2шт.

6

01643-30623

WASHER

SN: B40001-UP

2шт.

7

7861-93-2330

SENSOR, PICK-UP

SN: B40001-UP

1шт.

8

6743-81-9170

COVER

SN: B40001-UP

1шт.

9

08034-00414

BAND

SN: B40001-UP

1шт.

Выбрано товаров: 9