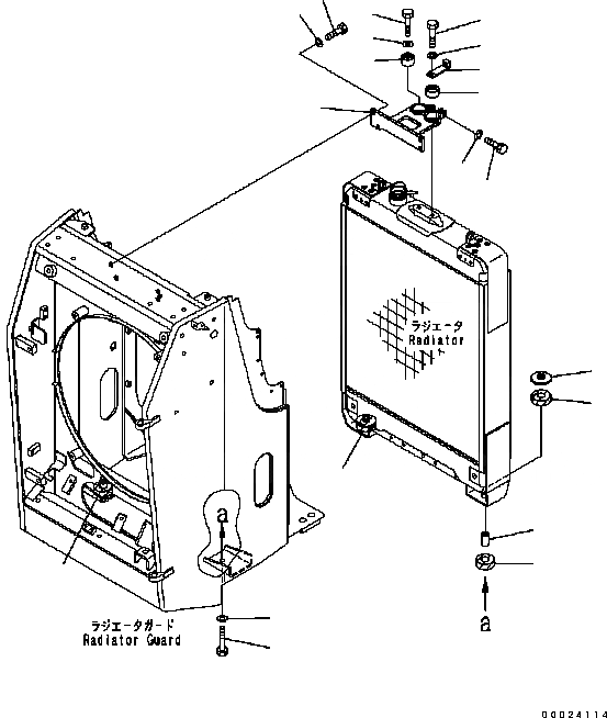
Запчасти Komatsu D61PX-15 ОХЛАЖД-Е (КРЕПЛЕНИЕ РАДИАТОРА) C [СИСТЕМА ОХЛАЖДЕНИЯ]

Схема запчастей Komatsu D61PX-15 - ОХЛАЖД-Е (КРЕПЛЕНИЕ РАДИАТОРА) C [СИСТЕМА ОХЛАЖДЕНИЯ]
14
13
7
8
6
10
7
8
9
6
12
11
2
1
1
5
4
1
3
1
1
FIT
1:1
100%

Артикул

Название

Примечание

Количество

1

205-54-71680

CUSHION

SN: B40001-UP

4шт.

2

134-03-61130

PLATE

SN: B40001-UP

2шт.

3

6110-25-6290

SPACER

SN: B40001-UP

2шт.

4

01010-81280

BOLT

SN: B40001-UP

2шт.

5

01643-31232

WASHER

SN: B40001-UP

2шт.

6

135-03-12110

DAMPER

SN: B40001-UP

2шт.

7

01010-81460

BOLT

SN: B40001-UP

2шт.

8

01643-31445

WASHER

SN: B40001-UP

2шт.

9

134-03-71730

BRACKET

SN: B40001-UP

1шт.

10

134-03-71120

BRACKET

SN: B40001-UP

1шт.

11

01010-81035

BOLT

SN: B40001-UP

2шт.

12

01643-31032

WASHER

SN: B40001-UP

2шт.

13

01010-81030

BOLT

SN: B40001-UP

4шт.

14

01643-31032

WASHER

SN: B40001-UP

4шт.

Выбрано товаров: 14