Запчасти Komatsu D61PX-15E0-BW БАЛКА БАЛАНСИРА И ПОВОРОТН. ШКВОРЕНЬ ОСНОВН. РАМА И КОМПОНЕНТЫ

Схема запчастей Komatsu D61PX-15E0-BW - БАЛКА БАЛАНСИРА И ПОВОРОТН. ШКВОРЕНЬ ОСНОВН. РАМА И КОМПОНЕНТЫ
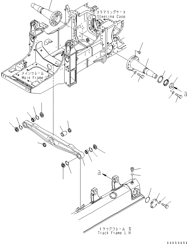
1
1
2
3
4
5
6
7
8
9
10
11
12
13
14
15
16
17
18
18
18
18
19
19
20
20
21
21
21
21
FIT
1:1
100%

Артикул

Название

Примечание

Количество

1

13G-50-61111

SHAFT

SN: B45001-UP

2шт.

2

134-50-61171

RING

SN: B45001-UP

2шт.

3

01010-82080

BOLT

SN: B45001-UP

24шт.

4

01643-32060

WASHER

SN: B45001-UP

24шт.

5

07049-02025

PLUG

SN: B45001-UP

4шт.

6

134-50-61160

SEAL

SN: B45001-UP

2шт.

7

134-50-61131

SPACER

SN: B45001-UP

2шт.

8

01010-81640

BOLT

SN: B45001-UP

8шт.

9

01643-31645

WASHER

SN: B45001-UP

8шт.

10

134-50-61121

COVER

SN: B45001-UP

2шт.

11

07000-12125

O-RING

SN: B45001-UP

2шт.

12

01010-81640

BOLT

SN: B45001-UP

8шт.

13

01643-31645

WASHER

SN: B45001-UP

8шт.

14

07040-12414

PLUG

SN: B45001-UP

2шт.

15

07002-12434

O-RING

SN: B45001-UP

2шт.

16

13G-50-72110

EQUALIZER BAR

SN: B45001-UP

1шт.

17

13F-50-31131

BUSHING

SN: B45001-UP

1шт.

18

04065-08530

RING

SN: B45001-UP

4шт.

19

134-50-62150

BUSHING

SN: B45001-UP

2шт.

20

130-09-12911

SEAL

SN: B45001-UP

2шт.

21

134-50-62160

SEAL

SN: B45001-UP

4шт.

Выбрано товаров: 21