Запчасти Komatsu D61PX-15E0-BW ГЛАВН. КЛАПАН ОСНОВН. КОМПОНЕНТЫ И РЕМКОМПЛЕКТЫ

Схема запчастей Komatsu D61PX-15E0-BW - ГЛАВН. КЛАПАН ОСНОВН. КОМПОНЕНТЫ И РЕМКОМПЛЕКТЫ
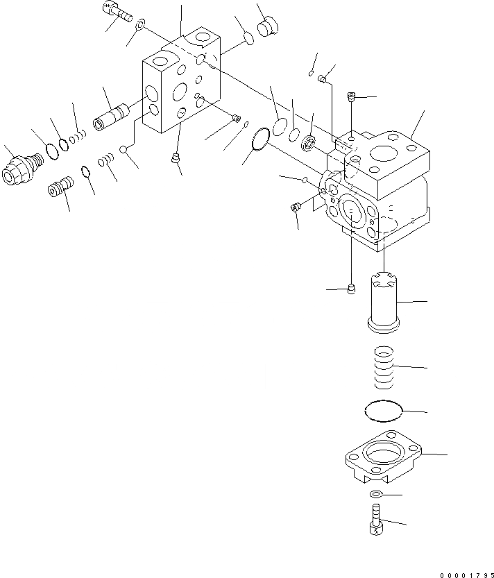
1
2
3
4
5
6
7
8
9
10
11
12
13
14
15
16
17
18
19
20
21
22
23
24
25
26
27
27
27
28
29
30
31
32
FIT
1:1
100%

Артикул

Название

Примечание

Количество

|1

702-21-09250

VALVE ASS'Y

SN: B45001-UP

1шт.

1

723-60-27200

VALVE ASS'Y,RELIEF

SN: B45001-UP

1шт.

2

702-16-53920

O-RING

SN: B45001-UP

1шт.

3

07002-11623

O-RING

SN: B45001-UP

1шт.

4

0

BLOCK

SN: B45001-UP

1шт.

5

702-21-55310

VALVE

SN: B45001-UP

1шт.

6

702-21-55460

SPRING

SN: B45001-UP

1шт.

7

702-21-55420

O-RING

SN: B45001-UP

1шт.

8

702-21-55520

O-RING

SN: B45001-UP

1шт.

9

702-21-55440

O-RING

SN: B45001-UP

1шт.

10

702-21-53120

FILTER

SN: B45001-UP

1шт.

11

07000-11009

O-RING

SN: B45001-UP

1шт.

12

07000-11010

O-RING

SN: B45001-UP

1шт.

13

07000-11006

O-RING

SN: B45001-UP

1шт.

14

702-21-55410

PLATE

SN: B45001-UP

1шт.

15

01252-60820

BOLT

SN: B45001-UP

4шт.

16

01643-50823

WASHER

SN: B45001-UP

4шт.

17

702-21-55530

O-RING

SN: B45001-UP

1шт.

18

0

BLOCK

SN: B45001-UP

1шт.

19

0

SPOOL

SN: B45001-UP

1шт.

20

702-21-55640

SPRING

SN: B45001-UP

1шт.

21

702-21-55620

PLUG

SN: B45001-UP

1шт.

22

07002-11423

O-RING

SN: B45001-UP

1шт.

23

702-21-55710

SEAT

SN: B45001-UP

1шт.

24

702-21-55720

SPRING

SN: B45001-UP

1шт.

25

04260-00793

BALL

SN: B45001-UP

1шт.

26

07000-11009

O-RING

SN: B45001-UP

1шт.

27

0

PLUG

SN: B45001-UP

4шт.

28

0

ORIFICE

SN: B45001-UP

1шт.

29

0

ORIFICE

SN: B45001-UP

1шт.

30

01252-61040

BOLT

SN: B45001-UP

4шт.

31

01643-51032

WASHER

SN: B45001-UP

4шт.

32

0

SCREW

SN: B45001-UP

1шт.

Выбрано товаров: 33