Запчасти Komatsu D61PX-15E0-BW СИЛОВАЯ ЛИНИЯ(КРЫШКАNOUNT И ТОРМОЗ. КРЕПЛЕНИЕ И РУЛЕВ. УПРАВЛЕНИЕ COVER) СИЛОВАЯ ПЕРЕДАЧА И КОНЕЧНАЯ ПЕРЕДАЧА

Схема запчастей Komatsu D61PX-15E0-BW - СИЛОВАЯ ЛИНИЯ(КРЫШКАNOUNT И ТОРМОЗ. КРЕПЛЕНИЕ И РУЛЕВ. УПРАВЛЕНИЕ COVER) СИЛОВАЯ ПЕРЕДАЧА И КОНЕЧНАЯ ПЕРЕДАЧА
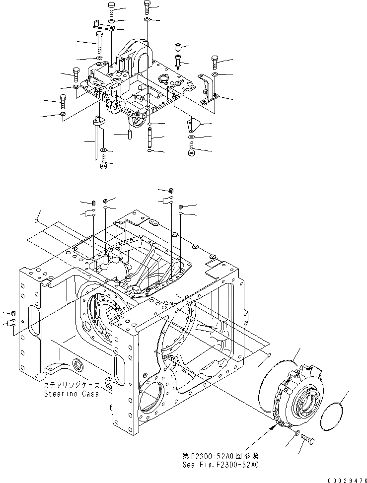
1
1
2
2
2
3
3
3
3
3
4
5
5
6
7
8
9
10
11
11
11
11
12
12
13
14
15
16
17
18
19
20
21
22
23
24
25
26
27
28
29
30
FIT
1:1
100%

Артикул

Название

Примечание

Количество

|1

134-22-70003

POWER LINE ASS'Y

SN: B45783-UP

1шт.

|1

0

POWER LINE ASS'Y

SN: B45001-B45782

1шт.

|$44

THIS ASSEMBLY CONSISTS OF ALL PARTS SHOWN IN FIGS.F2300-51A0 TO F2300-64A0.

-1шт.

1

134-22-66140

SLEEVE

SN: B45001-UP

4шт.

2

14X-22-16170

SLEEVE

SN: B45001-UP

5шт.

3

07000-72018

O-RING

SN: B45001-UP

14шт.

4

14Y-22-26180

TUBE

SN: B45001-UP

2шт.

5

07000-72018

O-RING

SN: B45001-UP

4шт.

6

04020-01638

PIN

SN: B45001-UP

4шт.

7

21K-27-22510

BOLT

SN: B45001-UP

14шт.

8

01010-81670

BOLT

SN: B45001-UP

1шт.

9

01010-81685

BOLT

SN: B45001-UP

2шт.

10

01011-81640

BOLT

SN: B45001-UP

1шт.

11

01643-31645

WASHER

SN: B45001-UP

18шт.

12

07000-72022

O-RING

SN: B45001-UP

8шт.

13

07000-75365

O-RING

SN: B45001-UP

2шт.

14

01010-81255

BOLT

SN: B45001-UP

32шт.

15

01643-31232

WASHER

SN: B45001-UP

32шт.

16

07000-75195

O-RING

SN: B45001-UP

2шт.

17

134-49-71232

BRACKET

SN: B45001-UP

1шт.

18

01010-81675

BOLT

SN: B45001-UP

2шт.

19

01643-31645

WASHER

SN: B45001-UP

2шт.

20

134-49-71251

BRACKET

SN: B45001-UP

1шт.

21

01010-81675

BOLT

SN: B45001-UP

1шт.

22

01643-31645

WASHER

SN: B45001-UP

1шт.

23

134-22-76350

COVER

SN: B45001-UP

1шт.

24

01010-81020

BOLT

SN: B45001-UP

2шт.

25

01643-31032

WASHER

SN: B45001-UP

2шт.

26

07030-00252

BREATHER

SN: B45001-UP

1шт.

27

135-12-31230

TUBE

SN: B45001-UP

1шт.

28

134-22-76250

TUBE

SN: B45001-UP

1шт.

29

01010-81040

BOLT

SN: B45001-UP

2шт.

30

01643-31032

WASHER

SN: B45001-UP

2шт.

Выбрано товаров: 33