Запчасти Komatsu D61PX-15E0-BW ТОПЛИВН. ФИЛЬТР. (ДЛЯ ПЛОХ. ТОПЛИВА) (№B99-) КОМПОНЕНТЫ ДВИГАТЕЛЯ

Схема запчастей Komatsu D61PX-15E0-BW - ТОПЛИВН. ФИЛЬТР. (ДЛЯ ПЛОХ. ТОПЛИВА) (№B99-) КОМПОНЕНТЫ ДВИГАТЕЛЯ
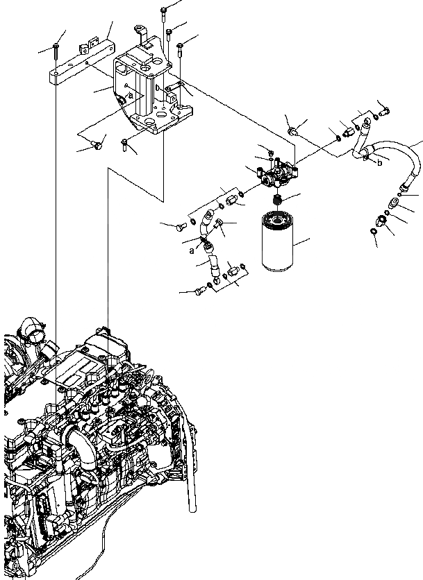
1
2
3
4
5
6
27
7
8
27
9
19
25
26
22
11
16
18
16
20
15
17
19
15
20
11
15
11
16
21
18
13
12
14
10
11
24
23
11
FIT
1:1
100%

Артикул

Название

Примечание

Количество

1

134-06-73510

BRACKET

SN: B45994-UP

1шт.

2

01010-80850

BOLT

SN: B45994-UP

2шт.

3

01643-30823

WASHER

SN: B45994-UP

2шт.

4

134-01-75170

BRACKET

SN: B45994-UP

1шт.

5

01010-81025

BOLT

SN: B45994-UP

2шт.

6

01643-31032

WASHER

SN: B45994-UP

2шт.

7

134-01-75180

SPACER

SN: B45994-UP

1шт.

8

01435-00840

BOLT

SN: B45994-UP

2шт.

9

01435-00835

BOLT

SN: B45994-UP

1шт.

10

11Y-04-31421

ADAPTER

SN: B45994-UP

1шт.

11

07005-01212

GASKET

SN: B45994-UP

10шт.

12

02781-0031D

UNION

SN: B45994-UP

1шт.

13

02896-11009

O-RING

SN: B45994-UP

1шт.

14

07002-11423

O-RING

SN: B45994-UP

1шт.

15

134-04-72340

JOINT

SN: B45994-UP

3шт.

16

07206-30812

JOINT

SN: B45994-UP

3шт.

17

134-04-72320

HOSE ASS'Y

SN: B45994-UP

1шт.

18

04434-51912

CLIP

SN: B45994-UP

2шт.

19

01010-81020

BOLT

SN: B45994-UP

2шт.

20

01643-31032

WASHER

SN: B45994-UP

2шт.

21

134-04-72330

HOSE ASS'Y

SN: B45994-UP

1шт.

22

6754-72-6110

HEAD

SN: B46267-UP

1шт.

|22

0

HEAD

SN: B45994-B46266

1шт.

23

6754-71-6330

ADAPTER

SN: B45994-UP

1шт.

24

6754-79-6140

CARTRIDGE

SN: B45994-UP

1шт.

|25

6732-21-1960

PLUG ASS'Y

SN: B45994-UP

2шт.

25

0

PLUG

SN: B45994-UP

1шт.

26

6215-81-9710

O-RING

SN: B45994-UP

1шт.

27

01435-00830

BOLT

SN: B45994-UP

8шт.

Выбрано товаров: 29