Запчасти Komatsu D61PX-15E0-BW АНТИКОРРОЗ. ЭЛЕМЕНТ КОМПОНЕНТЫ ДВИГАТЕЛЯ

Схема запчастей Komatsu D61PX-15E0-BW - АНТИКОРРОЗ. ЭЛЕМЕНТ КОМПОНЕНТЫ ДВИГАТЕЛЯ
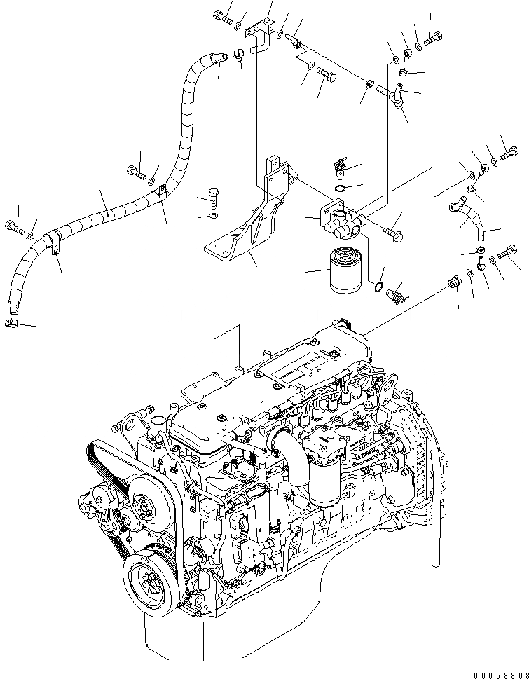
1
2
3
4
5
6
7
8
9
9
9
10
10
10
10
11
11
11
11
11
11
11
11
12
23
14
21
23
22
23
19
20
23
26
28
26
25
25
27
24
16
17
18
13
17
18
15
14
FIT
1:1
100%

Артикул

Название

Примечание

Количество

1

134-01-73150

BRACKET

SN: B45001-UP

1шт.

2

01010-E1035

BOLT

SN: B45001-UP

4шт.

3

01643-31032

WASHER

SN: B45001-UP

4шт.

4

134-01-73410

BLOCK

SN: B45001-UP

1шт.

5

01010-81025

BOLT

SN: B45001-UP

3шт.

6

01643-31032

WASHER

SN: B45001-UP

2шт.

7

6743-61-8130

NIPPLE

SN: B45001-B46278

1шт.

8

6202-72-6780

JOINT

SN: B45001-B46278

1шт.

9

6204-73-5750

JOINT

SN: B45001-B46278

3шт.

10

07040-11409

PLUG

SN: B46278-UP

1шт.

|10

07206-31014

BOLT

SN: B45001-B46277

4шт.

11

07005-01412

GASKET

SN: B46278-UP

1шт.

|11

07005-01412

GASKET

SN: B45001-B46277

8шт.

12

134-01-73420

HOSE ASS'Y

SN: B45001-UP

1шт.

13

08017-C2812

CONDUIT

SN: B45001-UP

1шт.

14

09479-02400

CLAMP

SN: B45001-UP

2шт.

15

04434-53212

CLIP

SN: B45001-UP

1шт.

16

04434-53212

CLIP

SN: B45001-UP

1шт.

17

01010-81225

BOLT

SN: B45001-UP

1шт.

18

01643-31232

WASHER

SN: B45001-UP

2шт.

19

134-01-73610

HOSE ASS'Y

SN: B45001-B46278

1шт.

20

08017-71903

CONDUIT

SN: B45001-B46278

1шт.

21

134-01-73490

HOSE ASS'Y

SN: B45001-B46278

1шт.

22

08017-71902

CONDUIT

SN: B45001-B46278

1шт.

23

11Y-09-11140

CLIP

SN: B45001-UP

4шт.

|24

6738-61-8100

CORROSION ASS'Y

SN: B45001-B46278

1шт.

|24

6732-61-8300

HEAD ASS'Y

SN: B45001-B46278

1шт.

24

600-411-2410

HEAD

SN: B45001-B46278

1шт.

25

600-411-2120

VALVE ASS'Y

SN: B45001-B46278

2шт.

26

600-411-2130

GASKET

SN: B45001-B46278

2шт.

27

600-411-1191

CARTRIDGE

SN: B45001-B46278

1шт.

28

01435-01040

BOLT

SN: B45001-UP

2шт.

Выбрано товаров: 0