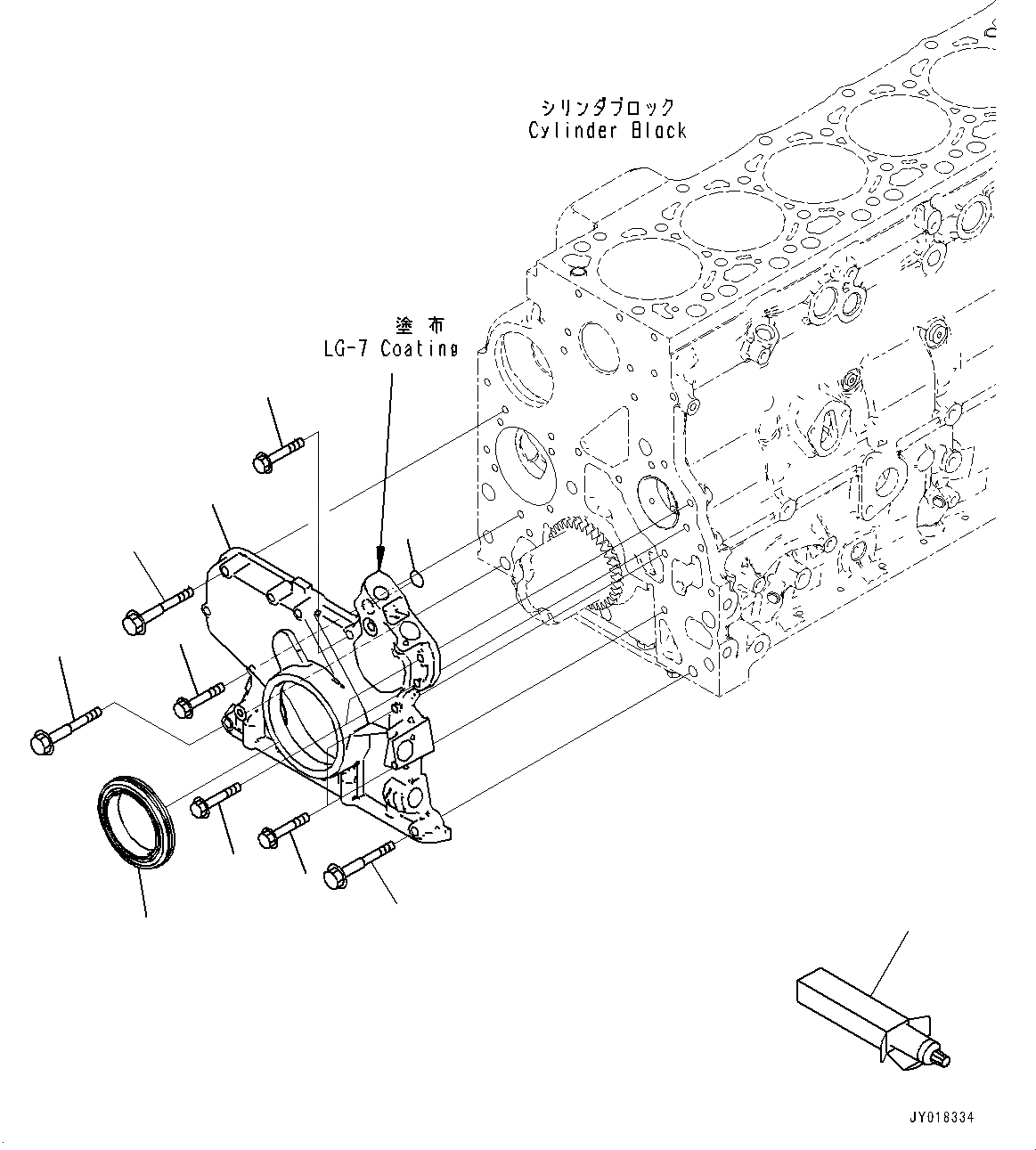
Запчасти Komatsu SAA6D107E-2D ПЕРЕДН. ПРИВОД КРЫШКА(№7-) ПЕРЕДН. ПРИВОД COVER

Схема запчастей Komatsu SAA6D107E-2D - ПЕРЕДН. ПРИВОД КРЫШКА(№7-) ПЕРЕДН. ПРИВОД COVER
4
3
3
2
2
2
3
1
3
6
5
4
3
3
2
2
2
3
1
3
6
5
FIT
1:1
100%

Артикул

Название

Примечание

Количество

1

6755-21-6211

Cover

SN: 26600207-UP

1шт.

2

6735-61-2120

Bolt

SN: 26600207-UP

7шт.

3

6732-21-6630

Screw

SN: 26600207-UP

6шт.

4

6754-21-6230

Seal

SN: 26600207-UP

1шт.

5

6754-21-6240

O-ring

SN: 26600207-UP

1шт.

6

09920-00150

Liquid gasket, LG-7, 150G

SN: 26600207-UP

-2шт.

1

6755-21-6211

Cover

SN: 26600207-UP

1шт.

2

6735-61-2120

Bolt

SN: 26600207-UP

7шт.

3

6732-21-6630

Screw

SN: 26600207-UP

6шт.

4

6754-21-6230

Seal

SN: 26600207-UP

1шт.

5

6754-21-6240

O-ring

SN: 26600207-UP

1шт.

6

09920-00150

Liquid gasket, LG-7, 150G

SN: 26600207-UP

-2шт.

Выбрано товаров: 12