Запчасти Komatsu D61PX-23 ПРОПОРЦИОНАЛЬН. PRESSURE УПРАВЛ-Е (PPC) ТРУБЫ, BYPASS КЛАПАН КРЕПЛЕНИЕ (№-) ПРОПОРЦИОНАЛЬН. PRESSURE УПРАВЛ-Е (PPC) ТРУБЫ

Схема запчастей Komatsu D61PX-23 - ПРОПОРЦИОНАЛЬН. PRESSURE УПРАВЛ-Е (PPC) ТРУБЫ, BYPASS КЛАПАН КРЕПЛЕНИЕ (№-) ПРОПОРЦИОНАЛЬН. PRESSURE УПРАВЛ-Е (PPC) ТРУБЫ
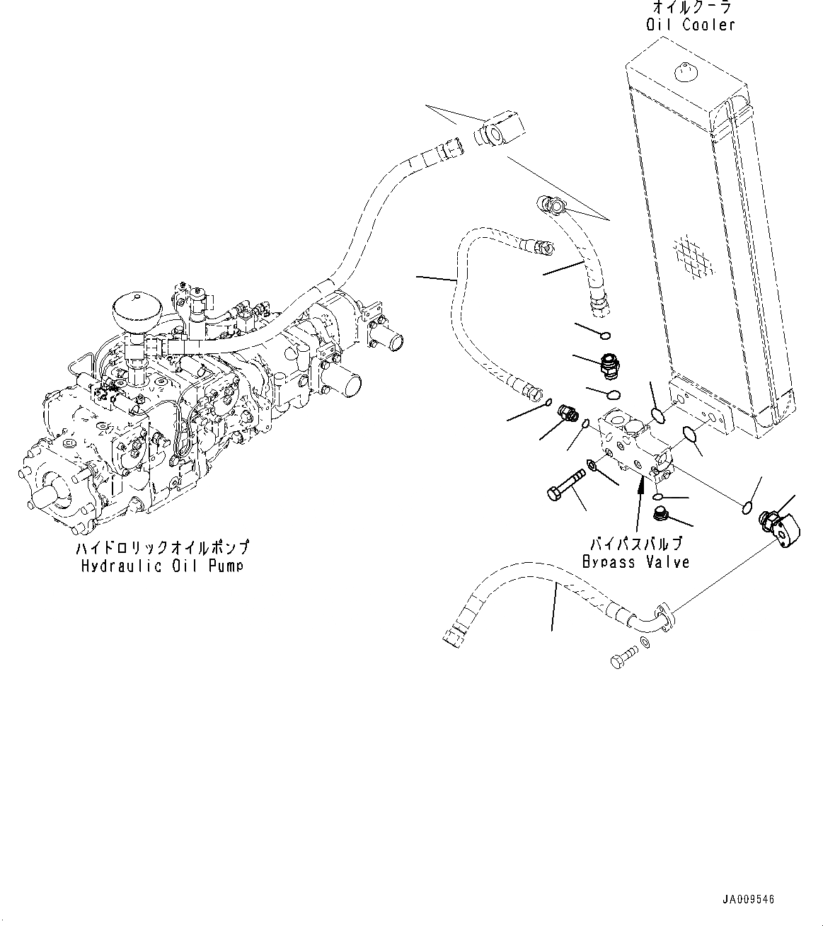
14
16
2
1
10
9
12
7
5
4
3
3
6
8
11
13
15
FIT
1:1
100%

Артикул

Название

Примечание

Количество

1

01010-81070

Bolt

SN: 30001-UP

4шт.

2

01643-31032

Washer

SN: 30001-UP

4шт.

3

07000-13038

O-ring

SN: 30001-UP

2шт.

4

02781-00522

Union

SN: 30001-UP

1шт.

5

07002-12434

O-ring

SN: 30001-UP

1шт.

6

02896-11015

O-ring

SN: 30001-UP

1шт.

7

07040-12412

Plug

SN: 30001-UP

1шт.

8

07002-12434

O-ring

SN: 30001-UP

1шт.

9

207-62-72110

Union

SN: 30001-UP

1шт.

10

07002-13334

O-ring

SN: 30001-UP

1шт.

11

207-62-64740

O-ring

SN: 30001-UP

1шт.

12

13Y-62-13291

Elbow

SN: 30001-UP

1шт.

13

07002-13334

O-ring

SN: 30001-UP

1шт.

14

13Y-62-11151

Hose

SN: UP

-1шт.

15

13Y-03-16180

Hose

SN: UP

-1шт.

16

13Y-62-11642

Hose

SN: UP

-1шт.

Выбрано товаров: 16