Запчасти Komatsu D61PX-23 ДВИГАТЕЛЬ ПРОВОДКА, АККУМУЛЯТОР КАБЕЛЬ (№-) ДВИГАТЕЛЬ ПРОВОДКА

Схема запчастей Komatsu D61PX-23 - ДВИГАТЕЛЬ ПРОВОДКА, АККУМУЛЯТОР КАБЕЛЬ (№-) ДВИГАТЕЛЬ ПРОВОДКА
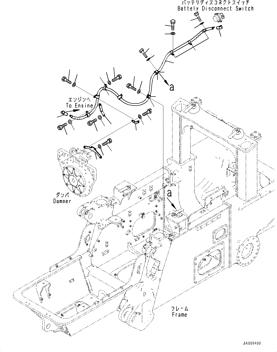
4
2
3
1
6
7
5
9
8
10
11
12
14
13
14
13
18
17
16
15
15
16
18
17
19
21
20
20
21
13
14
22
22
FIT
1:1
100%

Артикул

Название

Примечание

Количество

1

13Y-06-14420

Bracket

SN: 30001-UP

1шт.

2

01010-80825

Bolt

SN: 30001-UP

2шт.

3

01643-30823

Washer

SN: 30001-UP

2шт.

4

13Y-06-14410

Bracket

SN: 30001-UP

1шт.

5

01010-81025

Bolt

SN: 30001-UP

2шт.

6

01643-31032

Washer

SN: 30001-UP

2шт.

7

13Y-06-14283

Bracket

SN: 30001-UP

1шт.

8

01010-81025

Bolt

SN: 30001-UP

2шт.

9

01643-31032

Washer

SN: 30001-UP

2шт.

10

13Y-06-14265

Cable

SN: 30001-UP

1шт.

11

04434-53212

Clip

SN: 30001-UP

4шт.

12

07095-20523

Cushion

SN: 30001-UP

4шт.

13

01010-81030

Bolt

SN: 30001-UP

4шт.

14

01643-31032

Washer

SN: 30001-UP

4шт.

15

04434-53212

Clip

SN: 30001-UP

2шт.

16

07095-20523

Cushion

SN: 30001-UP

2шт.

17

01010-81020

Bolt

SN: 30001-UP

2шт.

18

01643-31032

Washer

SN: 30001-UP

2шт.

19

04434-52310

Clip

SN: 30001-UP

3шт.

20

01010-81020

Bolt

SN: 30001-UP

3шт.

21

01643-31032

Washer

SN: 30001-UP

3шт.

22

11Y-06-11630

Cap

SN: 30001-UP

2шт.

Выбрано товаров: 22