Запчасти Komatsu D61PX-23 КАБИНА, ПРИБОРНАЯ ПАНЕЛЬ, ПАНЕЛЬ МОНИТОРА И ПЕРЕКЛЮЧАТЕЛЬ (№-) КАБИНА, С AM-FM STEREO РАДИО С AUX ФИКСИР., ЕСКАНАТ И ASIA

Схема запчастей Komatsu D61PX-23 - КАБИНА, ПРИБОРНАЯ ПАНЕЛЬ, ПАНЕЛЬ МОНИТОРА И ПЕРЕКЛЮЧАТЕЛЬ (№-) КАБИНА, С AM-FM STEREO РАДИО С AUX ФИКСИР., ЕСКАНАТ И ASIA
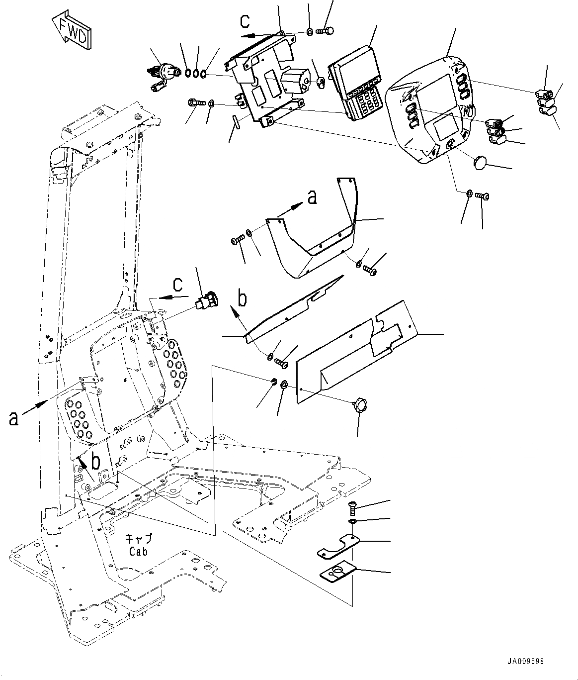
1
2
3
4
5
6
7
8
9
10
11
12
13
14
15
16
17
18
19
20
21
22
23
24
25
26
27
28
29
30
31
32
33
34
18
3
2
24
24
FIT
1:1
100%

Артикул

Название

Примечание

Количество

1

12Y-54-27121

Cover

SN: 30001-UP

1шт.

2

01245-00825

Screw

SN: 30001-UP

6шт.

3

01643-70823

Washer

SN: 30001-UP

6шт.

4

17A-54-51511

Cover

SN: 30001-UP

1шт.

5

01245-00620

Screw

SN: 30001-UP

4шт.

6

01643-70623

Washer

SN: 30001-UP

4шт.

7

12Y-54-27131

Cover

SN: 30001-UP

1шт.

8

01245-00825

Screw

SN: 30001-UP

5шт.

9

01643-70823

Washer

SN: 30001-UP

5шт.

10

12Y-54-27151

Cover

SN: 30001-UP

1шт.

11

561-06-86280

Screw

SN: 30001-UP

3шт.

12

01640-20610

Washer

SN: 30001-UP

3шт.

13

195-54-78790

Ring, Snap

SN: 30001-UP

3шт.

14

12Y-54-27161

Cover

SN: 30001-UP

1шт.

15

12Y-54-27171

Grommet

SN: 30001-UP

1шт.

16

01245-00825

Screw

SN: 30001-UP

2шт.

17

01643-70823

Washer

SN: 30001-UP

2шт.

18

14X-06-52191

Switch, Starting

SN: 30001-UP

1шт.

19

20Y-43-41750

Washer

SN: 30001-UP

2шт.

20

20Y-43-41790

Washer

SN: 30001-UP

2шт.

21

23S-15-45860

Shim, T=0.5mm

SN: 30001-UP

2шт.

22

17A-06-51650

Switch, Head Lamp

SN: 30001-UP

1шт.

23

17A-06-51661

Switch, Rear Lamp

SN: 30001-UP

1шт.

24

20Y-06-42190

Cover

SN: 30001-UP

3шт.

25

12Y-06-11771

Switch, Heater

SN: 30001-UP

1шт.

26

08085-00001

Switch, Engine Stop

SN: 30001-UP

1шт.

27

7831-69-8003

Monitor

SN: 30403-UP

1шт.

|$27

7831-69-8001

Monitor

SN: 30001-30402

1шт.

28

01010-80616

Bolt

SN: 30001-UP

4шт.

29

01643-30623

Washer

SN: 30001-UP

4шт.

30

17A-54-51531

Bracket

SN: 30001-UP

1шт.

31

01010-D0820

Bolt

SN: 30001-UP

4шт.

32

01643-70823

Washer

SN: 30001-UP

4шт.

33

12Y-978-2160

Seal

SN: 30001-UP

1шт.

34

134-54-78370

Cap

SN: 30001-UP

1шт.

Выбрано товаров: 35