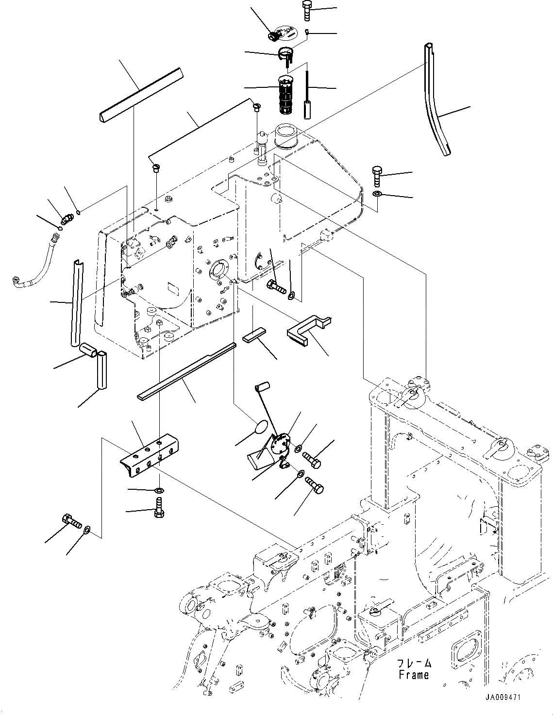
Запчасти Komatsu D61PX-23 ТОПЛИВН. БАК., ДАТЧИК И ФИЛЬТР (№-) ТОПЛИВН. БАК., С ЗАПРАВОЧН.LING НАСОС

Схема запчастей Komatsu D61PX-23 - ТОПЛИВН. БАК., ДАТЧИК И ФИЛЬТР (№-) ТОПЛИВН. БАК., С ЗАПРАВОЧН.LING НАСОС
22
21
23
28
28
29
28
27
26
25
24
12
14
13
15
11
10
9
8
7
6
5
4
3
2
1
30
28
27
19
18
17
20
16
FIT
1:1
100%

Артикул

Название

Примечание

Количество

1

7861-93-4930

Sensor, Fuel Level

SN: 30001-UP

1шт.

2

07000-12085

O-ring

SN: 30001-UP

1шт.

3

01010-81020

Bolt

SN: 30001-UP

4шт.

4

01643-31032

Washer

SN: 30001-UP

4шт.

5

04434-50510

Clip

SN: 30001-UP

1шт.

6

01010-81016

Bolt

SN: 30001-UP

1шт.

7

01643-31032

Washer

SN: 30001-UP

1шт.

8

13Y-54-11750

Seal

SN: 30001-UP

1шт.

9

13Y-54-11730

Seal

SN: 30001-UP

1шт.

10

13Y-54-11681

Seal

SN: 30001-UP

1шт.

11

13Y-54-11910

Seal

SN: 30001-UP

1шт.

12

13Y-54-11483

Seal

SN: 30001-UP

1шт.

13

13Y-54-11631

Seal

SN: 30001-UP

1шт.

14

13Y-54-11580

Seal

SN: 30001-UP

1шт.

15

13Y-54-11470

Seal

SN: 30001-UP

1шт.

|$15

22U-04-21241

Strainer Assembly

SN: 30001-UP

1шт.

|$16

22U-04-21200

Float Assembly

SN: 30001-UP

1шт.

16

Guide

SN: 30001-UP

1шт.

17

20Y-04-21580

Cap

SN: 30001-UP

1шт.

18

22U-04-21220

Float

SN: 30001-UP

1шт.

19

Screw

SN: 30001-UP

1шт.

20

07056-18425

Strainer

SN: 30001-UP

1шт.

21

02782-10522

Elbow

SN: 30001-UP

1шт.

22

02896-11015

O-ring

SN: 30001-UP

1шт.

23

07002-12434

O-ring

SN: 30001-UP

1шт.

24

13Y-04-11271

Bracket

SN: 30001-UP

1шт.

25

01010-82065

Bolt

SN: 30001-UP

4шт.

26

01010-82055

Bolt

SN: 30001-UP

3шт.

27

01010-82045

Bolt

SN: 30001-UP

10шт.

28

01643-32060

Washer

SN: 30001-UP

17шт.

29

17A-04-41440

Lock

SN: 30001-UP

1шт.

30

21J-46-12550

Cap

SN: 30001-UP

2шт.

Выбрано товаров: 32