Запчасти Komatsu D61PXI-23 ГИДРАВЛ МАСЛ. НАСОС, КРЕПЛЕНИЕ (№-) ГИДРАВЛ МАСЛ. НАСОС

Схема запчастей Komatsu D61PXI-23 - ГИДРАВЛ МАСЛ. НАСОС, КРЕПЛЕНИЕ (№-) ГИДРАВЛ МАСЛ. НАСОС
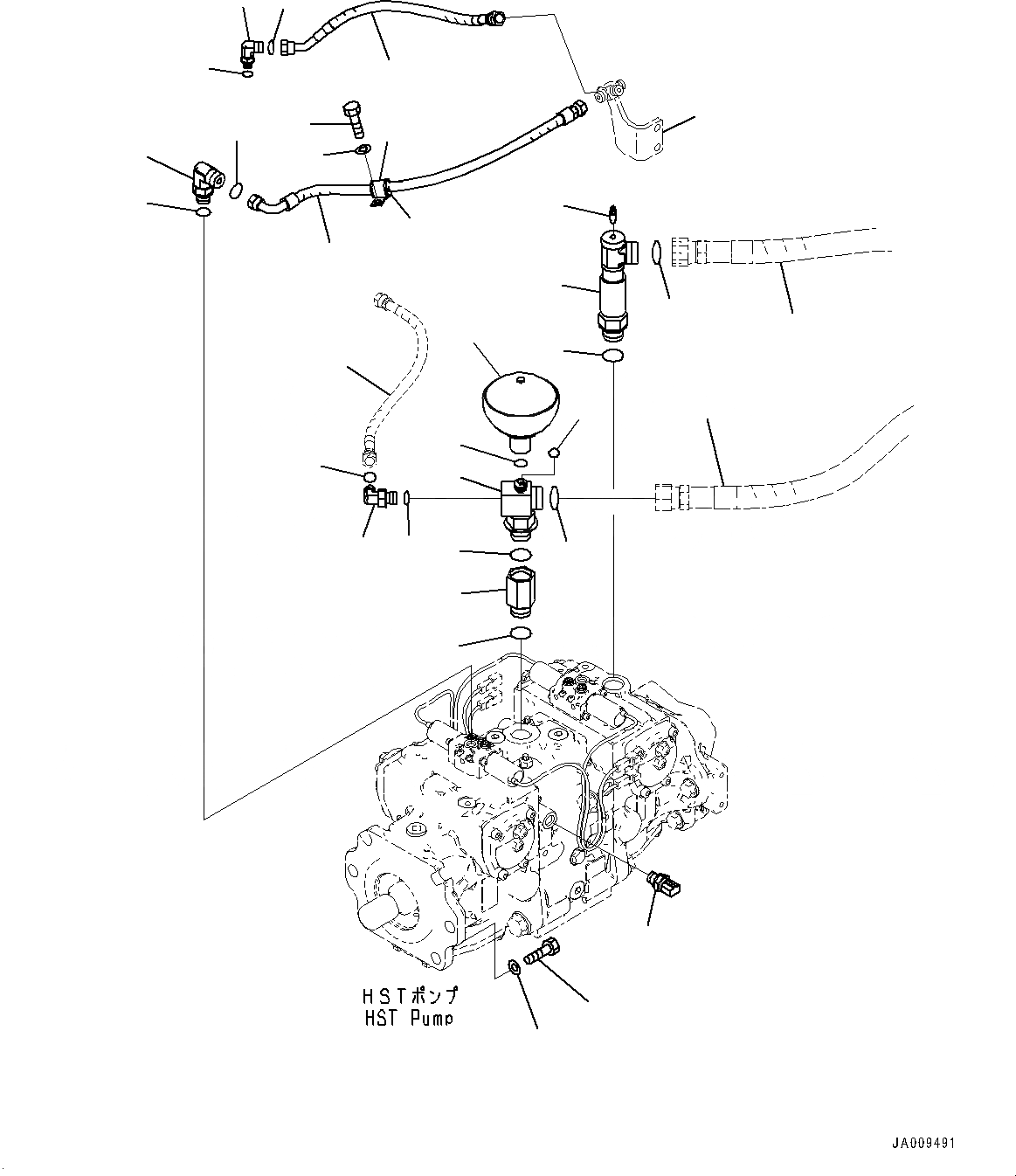
1
2
30
34
3
4
5
7
8
9
10
11
12
14
15
17
18
19
20
21
22
23
24
25
26
27
29
31
32
33
6
13
16
28
FIT
1:1
100%

Артикул

Название

Примечание

Количество

1

01643-32060

Washer

SN: 30001-UP

6шт.

2

01010-82055

Bolt

SN: 30001-UP

6шт.

3

21W-62-43110

Joint

SN: 30001-UP

1шт.

4

07002-13334

O-ring

SN: 30001-UP

1шт.

5

13Y-62-11252

Tee

SN: 30001-UP

1шт.

6

07002-13334

O-ring

SN: 30001-UP

1шт.

7

07002-12034

O-ring

SN: 30001-UP

1шт.

8

207-62-64740

O-ring

SN: 30001-UP

1шт.

9

02896-11009

O-ring

SN: 30001-UP

1шт.

10

425-62-23750

Accumulator

SN: 30001-UP

1шт.

11

13Y-62-12710

Elbow

SN: 30001-UP

1шт.

12

07002-13334

O-ring

SN: 30001-UP

1шт.

13

207-62-64740

O-ring

SN: 30001-UP

1шт.

14

20B-27-11210

Bleeder

SN: 30001-UP

1шт.

15

02782-10311

Elbow

SN: 30001-UP

1шт.

16

07002-11423

O-ring

SN: 30001-UP

1шт.

17

02896-11009

O-ring

SN: 30001-UP

1шт.

18

13Y-62-12742

Hose

SN: 30001-UP

1шт.

19

04434-52110

Clip

SN: 30001-UP

1шт.

20

07095-20314

Cushion

SN: 30001-UP

1шт.

21

01010-81020

Bolt

SN: 30001-UP

1шт.

22

01643-31032

Washer

SN: 30001-UP

1шт.

23

02782-10315

Elbow

SN: 30001-UP

1шт.

24

02896-11009

O-ring

SN: 30001-UP

1шт.

25

07002-12034

O-ring

SN: 30001-UP

1шт.

26

02782-10311

Elbow

SN: 30001-UP

1шт.

27

07002-11423

O-ring

SN: 30001-UP

1шт.

28

02896-11009

O-ring

SN: 30001-UP

1шт.

29

02776-00304

Hose

SN: 30001-UP

1шт.

30

7861-93-1812

Sensor, Pressure

SN: 30001-UP

4шт.

31

13Y-62-12730

Bracket

SN: UP

-1шт.

32

02774-003A4

Hose

SN: UP

-1шт.

33

13Y-62-11553

Hose

SN: UP

-1шт.

34

13Y-62-11143

Hose

SN: UP

-1шт.

Выбрано товаров: 34