Запчасти Komatsu D63E-12 МУФТА И ТОРМОЗ. (РУЛЕВ. УПРАВЛЕНИЕ ГЛАВН. ТРУБЫ) СИЛОВАЯ ПЕРЕДАЧА И КОНЕЧНАЯ ПЕРЕДАЧА

Схема запчастей Komatsu D63E-12 - МУФТА И ТОРМОЗ. (РУЛЕВ. УПРАВЛЕНИЕ ГЛАВН. ТРУБЫ) СИЛОВАЯ ПЕРЕДАЧА И КОНЕЧНАЯ ПЕРЕДАЧА
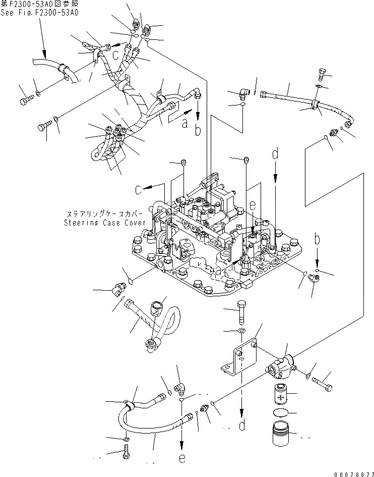
1
2
2
3
4
4
5
5
6
6
7
7
8
8
9
10
11
12
13
14
15
16
17
18
19
20
21
22
23
24
25
25
26
26
27
27
27
28
28
29
30
31
32
33
34
35
36
37
38
38
39
39
40
40
41
42
43
44
45
46
47
48
49
50
51
51
52
52
53
53
FIT
1:1
100%

Артикул

Название

Примечание

Количество

|$1

134-22-60050

POWER TRAIN ASS'Y

SN: 2001-UP

1шт.

|$$2

THIS ASSEMBLY CONSISTS OF ALL PARTS SHOWN IN FIGS.F2300-51A0 TO F2300-59A0.

-1шт.

|$4

134-49-67181

HOSE ASS'Y

SN: 2001-UP

1шт.

1

08210-01807

SPIRAL TUBE

SN: 2001-UP

1шт.

2

08210-01202

SPIRAL TUBE

SN: 2001-UP

4шт.

3

08210-01205

SPIRAL TUBE

SN: 2001-UP

1шт.

4

134-49-67290

HOSE, 650MM

SN: 2001-UP

1шт.

4

21U-62-34770

BAND, WHITE

SN: 2001-UP

2шт.

5

134-49-67141

HOSE, 900MM

SN: 2001-UP

1шт.

6

134-49-67151

HOSE, 1040MM

SN: 2001-UP

1шт.

6

21U-62-34750

BAND, BLUE

SN: 2001-UP

2шт.

7

134-49-67161

HOSE, 1010MM

SN: 2001-UP

1шт.

7

21U-62-34780

BAND, BROWN

SN: 2001-UP

2шт.

8

134-49-67280

HOSE, 1350MM

SN: 2001-UP

1шт.

8

21U-62-34720

BAND, BLACK

SN: 2001-UP

2шт.

9

134-49-67191

HOSE, 750MM

SN: 2001-UP

1шт.

10

134-49-61870

COUPLING

SN: 2001-UP

1шт.

11

02782-10628

ELBOW

SN: 2001-UP

1шт.

12

02896-61018

O-RING

SN: 2001-UP

1шт.

13

07002-62434

O-RING

SN: 2001-UP

1шт.

14

04434-52112

CLIP

SN: 2001-UP

1шт.

15

07095-20314

CUSHION

SN: 2001-UP

1шт.

16

155-61-15350

CLIP

SN: 2001-UP

1шт.

17

04434-52112

CLIP

SN: 2001-UP

1шт.

18

07095-20314

CUSHION

SN: 2001-UP

1шт.

19

01010-81020

BOLT

SN: 2001-UP

2шт.

20

01643-31032

WASHER

SN: 2001-UP

2шт.

21

01010-81020

BOLT

SN: 2001-UP

1шт.

22

01643-31032

WASHER

SN: 2001-UP

1шт.

23

02782-10315

ELBOW

SN: 2001-UP

1шт.

24

02896-61009

O-RING

SN: 2001-UP

1шт.

25

02782-10316

ELBOW

SN: 2001-UP

2шт.

26

02896-61009

O-RING

SN: 2001-UP

2шт.

27

07002-62034

O-RING

SN: 2001-UP

3шт.

28

07042-80108

PLUG

SN: 2001-UP

4шт.

|$39

134-49-61770

FILTER ASS'Y

SN: 2001-UP

1шт.

29

134-49-61780

ELEMENT

SN: 2001-UP

1шт.

30

134-49-61790

CASE

SN: 2001-UP

1шт.

31

134-49-61860

HEAD

SN: 2001-UP

1шт.

32

07000-02060

O-RING

SN: 2001-UP

1шт.

33

01010-81095

BOLT

SN: 2001-UP

2шт.

34

01643-31032

WASHER

SN: 2001-UP

2шт.

35

134-49-67110

BRACKET

SN: 2001-UP

1шт.

36

01010-81695

BOLT

SN: 2001-UP

2шт.

37

01643-31645

WASHER

SN: 2001-UP

2шт.

38

56B-88-12220

UNION

SN: 2001-UP

2шт.

39

02896-61009

O-RING

SN: 2001-UP

2шт.

40

07000-B2018

O-RING

SN: 2001-UP

2шт.

41

02761-003A4

HOSE

SN: 2001-UP

1шт.

42

04434-52112

CLIP

SN: 2001-UP

1шт.

43

07095-20314

CUSHION

SN: 2001-UP

1шт.

44

01010-81020

BOLT

SN: 2001-UP

1шт.

45

01643-31032

WASHER

SN: 2001-UP

1шт.

46

02760-003A5

HOSE

SN: 2001-UP

1шт.

47

04434-52112

CLIP

SN: 2001-UP

1шт.

48

07095-20314

CUSHION

SN: 2001-UP

1шт.

49

01010-81020

BOLT

SN: 2001-UP

1шт.

50

01643-31032

WASHER

SN: 2001-UP

1шт.

51

02782-10315

ELBOW

SN: 2001-UP

2шт.

52

02896-61009

O-RING

SN: 2001-UP

2шт.

53

07002-62034

O-RING

SN: 2001-UP

2шт.

Выбрано товаров: 61