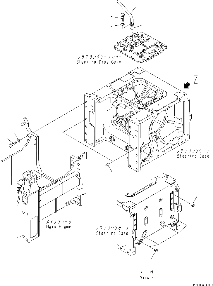
Запчасти Komatsu D63E-12 МУФТА И ТОРМОЗ. (ЭЛЕМЕНТЫ КРЕПЛЕНИЯ) СИЛОВАЯ ПЕРЕДАЧА И КОНЕЧНАЯ ПЕРЕДАЧА

Схема запчастей Komatsu D63E-12 - МУФТА И ТОРМОЗ. (ЭЛЕМЕНТЫ КРЕПЛЕНИЯ) СИЛОВАЯ ПЕРЕДАЧА И КОНЕЧНАЯ ПЕРЕДАЧА
1
2
3
4
5
6
7
8
9
FIT
1:1
100%

Артикул

Название

Примечание

Количество

1

01011-83000

BOLT

SN: 2001-UP

16шт.

2

01643-33080

WASHER

SN: 2001-UP

16шт.

3

04020-01638

PIN,DOWEL

SN: 2001-UP

2шт.

4

07049-02430

PLUG

SN: 2001-UP

16шт.

5

07049-03038

PLUG

SN: 2001-UP

4шт.

6

134-49-67240

FILLER

SN: 2001-UP

1шт.

7

07000-73035

O-RING

SN: 2001-UP

1шт.

8

01010-81040

BOLT

SN: 2001-UP

2шт.

9

01643-31032

WASHER

SN: 2001-UP

2шт.

Выбрано товаров: 0