Запчасти Komatsu D63E-12 DOZER РАМА (TОБОД КОЛЕСАMING DOZER) РАБОЧЕЕ ОБОРУДОВАНИЕ

Схема запчастей Komatsu D63E-12 - DOZER РАМА (TОБОД КОЛЕСАMING DOZER) РАБОЧЕЕ ОБОРУДОВАНИЕ
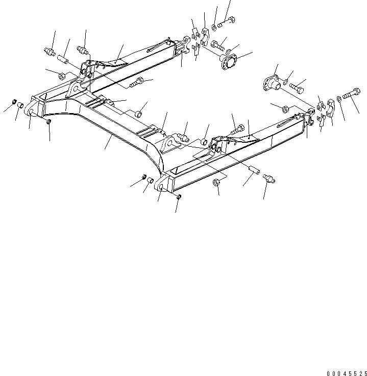
1
2
2
3
4
5
6
7
7
8
8
9
9
10
10
11
12
12
12
12
13
13
14
14
14
14
15
15
16
16
17
17
18
18
18
18
19
19
20
20
21
21
22
22
7
7
8
8
9
9
10
10
11
12
12
12
12
FIT
1:1
100%

Артикул

Название

Примечание

Количество

1

134-Y16-1381

FRAME ASS'Y

SN: 2001-UP

1шт.

2

134-Y16-1F50

PLATE (WELDED)

SN: 2001-UP

2шт.

3

134-Y16-1391

BRACKET,L.H. (WELDED)

SN: 2001-UP

1шт.

4

134-Y16-1411

BRACKET,R.H. (WELDED)

SN: 2001-UP

1шт.

5

134-Y16-1610

BRACKET,L.H. (WELDED)

SN: 2001-UP

1шт.

6

134-Y16-1620

BRACKET,R.H. (WELDED)

SN: 2001-UP

1шт.

7

0

BEARING,(WELDED) (KIT)

SN: 2001-UP

2шт.

8

14Y-71-22150

CAP (KIT)

SN: 2001-UP

2шт.

9

01011-82465

BOLT (KIT)

SN: 2001-UP

4шт.

10

01643-32460

WASHER (KIT)

SN: 2001-UP

4шт.

11

130-70-13241

NUT (KIT)

SN: 2001-UP

4шт.

12

14Y-71-22280

SHIM, T=1.0 (KIT)

SN: 2001-UP

40шт.

13

07143-10606

BUSHING

SN: 2001-UP

2шт.

14

07145-00060

SEAL

SN: 2001-UP

4шт.

15

134-Y16-1430

PIN

SN: 2001-UP

2шт.

16

01011-81000

BOLT

SN: 2001-UP

2шт.

17

01598-01011

NUT

SN: 2001-UP

2шт.

18

07020-00000

FITTING,GREASE

SN: 2001-UP

4шт.

19

154-55-16860

BUSHING

SN: 2001-UP

2шт.

20

14Z-71-33212

TRUNNION

SN: 2001-UP

2шт.

21

01010-82065

BOLT

SN: 2001-UP

16шт.

22

01643-32060

WASHER

SN: 2001-UP

16шт.

|$$23

SERVICE PARTS

-1шт.

7

134-Y16-1630

PIVOT ASS'Y

SN: 2001-UP

2шт.

7

0

BEARING (WELDED)

SN: 2001-UP

1шт.

8

14Y-71-22150

CAP

SN: 2001-UP

1шт.

9

01011-82465

BOLT

SN: 2001-UP

2шт.

10

01643-32460

WASHER

SN: 2001-UP

2шт.

11

130-70-13241

NUT

SN: 2001-UP

2шт.

12

14Y-71-22280

SHIM, T=1.0

SN: 2001-UP

20шт.

Выбрано товаров: 30