Запчасти Komatsu D63E-12 TОБОД КОЛЕСАMING ЗАДН. ЧАСТИ КОРПУСА РАБОЧЕЕ ОБОРУДОВАНИЕ

Схема запчастей Komatsu D63E-12 - TОБОД КОЛЕСАMING ЗАДН. ЧАСТИ КОРПУСА РАБОЧЕЕ ОБОРУДОВАНИЕ
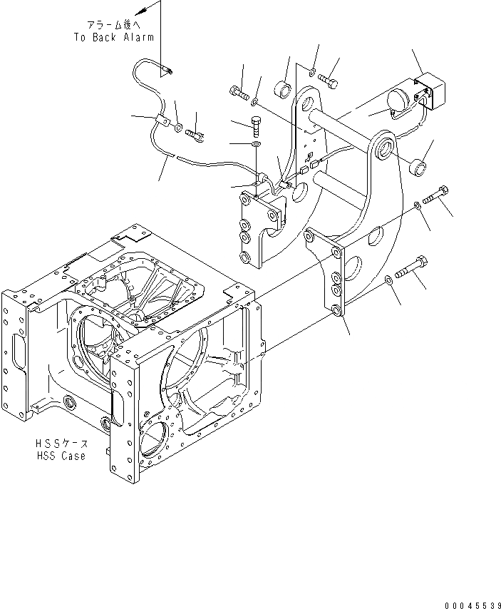
1
2
2
3
4
5
6
7
8
9
10
11
12
12
12
13
13
13
14
14
14
FIT
1:1
100%

Артикул

Название

Примечание

Количество

1

134-Y16-1550

GUARD

SN: 2001-UP

1шт.

2

154-55-16860

BUSHING

SN: 2001-UP

2шт.

3

01010-82475

BOLT

SN: 2001-UP

8шт.

4

01643-32460

WASHER

SN: 2001-UP

8шт.

5

01010-83085

BOLT

SN: 2001-UP

2шт.

6

01643-33080

WASHER

SN: 2001-UP

2шт.

7

14X-Z16-1510

LAMP

SN: 2001-UP

1шт.

7

08017-30701

CONDUIT

SN: 2001-UP

1шт.

7

08138-12410

LAMP ASS'Y

SN: 2001-UP

1шт.

7

08105-12420

BULB, 25W

SN: 2001-UP

1шт.

7

08138-00106

LENS,RED

SN: 2001-UP

1шт.

8

14X-Z16-1140

BRACKET

SN: 2001-UP

1шт.

9

01010-81045

BOLT

SN: 2001-UP

4шт.

10

01643-31032

WASHER

SN: 2001-UP

4шт.

11

134-06-62140

WIRING HARNESS

SN: 2001-UP

1шт.

12

04434-51012

CLIP

SN: 2001-UP

3шт.

13

01010-81016

BOLT

SN: 2001-UP

3шт.

14

01643-31032

WASHER

SN: 2001-UP

3шт.

Выбрано товаров: 18