Запчасти Komatsu D63E-12 АККУМУЛЯТОР ЭЛЕКТРОПРОВОДКА (DISCONNECT ПЕРЕКЛЮЧАТЕЛЬ) (ДЛЯ TОБОД КОЛЕСАMING DOZER И CHINA БЕЗОПАСН. REGULATION)(№8-) ЭЛЕКТРИКА

Схема запчастей Komatsu D63E-12 - АККУМУЛЯТОР ЭЛЕКТРОПРОВОДКА (DISCONNECT ПЕРЕКЛЮЧАТЕЛЬ) (ДЛЯ TОБОД КОЛЕСАMING DOZER И CHINA БЕЗОПАСН. REGULATION)(№8-) ЭЛЕКТРИКА
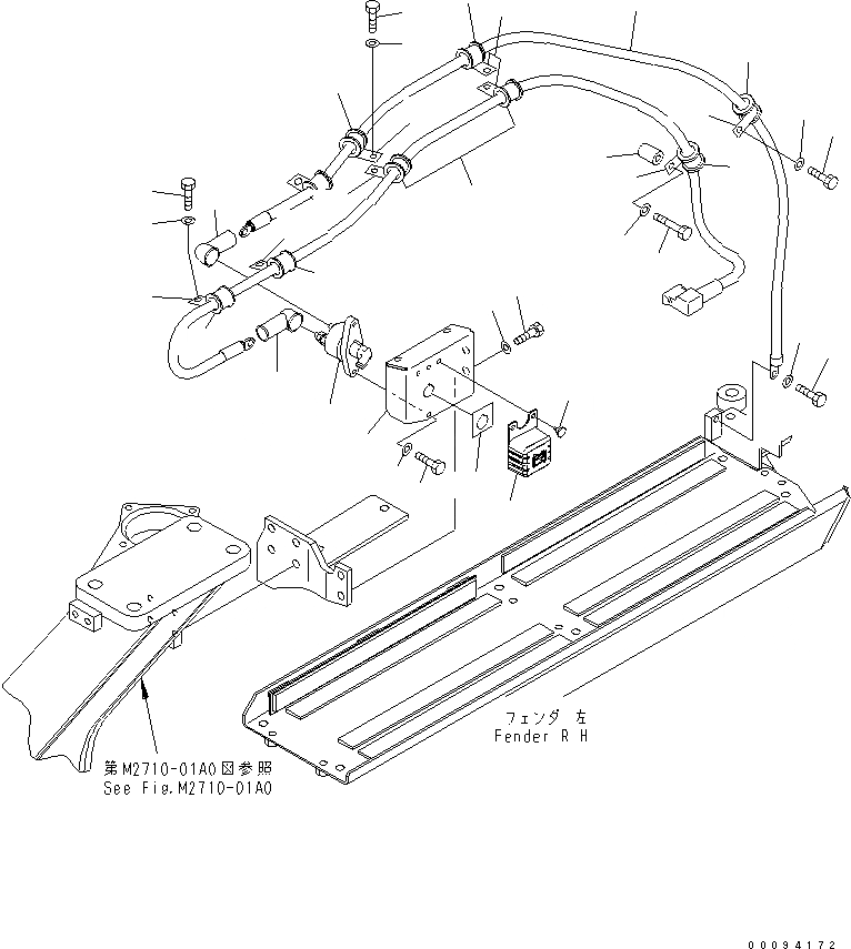
1
2
3
4
5
6
6
7
8
9
10
11
11
12
12
13
14
15
15
15
16
16
16
17
18
19
20
20
21
21
22
23
24
25
26
27
28
FIT
1:1
100%

Артикул

Название

Примечание

Количество

1

2A5-06-11960

CAP

SN: 2108-UP

1шт.

2

20T-54-74510

CAP

SN: 2108-UP

2шт.

3

08068-00001

SWITCH,BATTERY

SN: 2108-UP

1шт.

4

01252-70825

BOLT

SN: 2108-UP

2шт.

5

01643-30823

WASHER

SN: 2108-UP

2шт.

6

08038-00035

CAP

SN: 2108-UP

2шт.

7

134-Y16-1711

BRACKET

SN: 2108-UP

1шт.

8

01010-81230

BOLT

SN: 2108-UP

2шт.

9

01643-31232

WASHER

SN: 2108-UP

2шт.

10

09697-00001

PLATE

SN: 2108-UP

1шт.

11

04434-52711

CLIP

SN: 2108-UP

2шт.

12

07095-20418

CUSHION

SN: 2108-UP

2шт.

13

01010-81020

BOLT

SN: 2108-UP

2шт.

14

01643-31032

WASHER

SN: 2108-UP

2шт.

15

04434-53211

CLIP

SN: 2108-UP

4шт.

16

07095-20522

CUSHION

SN: 2108-UP

4шт.

17

01010-81030

BOLT

SN: 2108-UP

2шт.

18

01643-31032

WASHER

SN: 2108-UP

2шт.

19

20Y-03-11220

COLLAR

SN: 2108-UP

1шт.

20

04434-53211

CLIP

SN: 2108-UP

2шт.

21

07095-20522

CUSHION

SN: 2108-UP

2шт.

22

01010-81055

BOLT

SN: 2108-UP

1шт.

23

01643-31032

WASHER

SN: 2108-UP

1шт.

24

01010-81020

BOLT

SN: 2108-UP

1шт.

25

01643-31032

WASHER

SN: 2108-UP

1шт.

26

134-Y16-1751

CABLE

SN: 2108-UP

1шт.

27

01010-81020

BOLT

SN: 2108-UP

1шт.

28

01643-31032

WASHER

SN: 2108-UP

1шт.

Выбрано товаров: 28