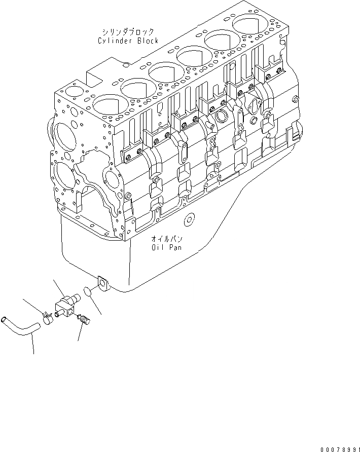
Запчасти Komatsu SA6D114E-2-TR ДРЕНАЖ ДВИГАТЕЛЬ

Схема запчастей Komatsu SA6D114E-2-TR - ДРЕНАЖ ДВИГАТЕЛЬ
1
2
3
4
5
1
2
3
4
5
FIT
1:1
100%

Артикул

Название

Примечание

Количество

1

134-01-61830

ELBOW

SN: 26812075-UP

1шт.

2

07002-22434

O-RING

SN: 26812075-UP

1шт.

3

134-01-61840

PLUG

SN: 26812075-UP

1шт.

4

07270-21550

TUBE

SN: 26812075-26812815

1шт.

5

07285-00180

CLIP

SN: 26812075-26812815

1шт.

1

134-01-61830

ELBOW

SN: 26812075-UP

1шт.

2

07002-22434

O-RING

SN: 26812075-UP

1шт.

3

134-01-61840

PLUG

SN: 26812075-UP

1шт.

4

07270-21550

TUBE

SN: 26812075-26812815

1шт.

5

07285-00180

CLIP

SN: 26812075-26812815

1шт.

Выбрано товаров: 10