Запчасти Komatsu D65A-11 ГИДРОТРАНСФОРМАТОР (КОЖУХ) (/)(№-) ОСНОВН. МУФТА¤ ГТР CONVERTOR¤ T/M¤ РУЛЕВ. УПРАВЛЕНИЕ И КОНЕЧНАЯ ПЕРЕДАЧА

Схема запчастей Komatsu D65A-11 - ГИДРОТРАНСФОРМАТОР (КОЖУХ) (/)(№-) ОСНОВН. МУФТА¤ ГТР CONVERTOR¤ T/M¤ РУЛЕВ. УПРАВЛЕНИЕ И КОНЕЧНАЯ ПЕРЕДАЧА
FIT
1:1
100%

Артикул

Название

Примечание

Количество

|1

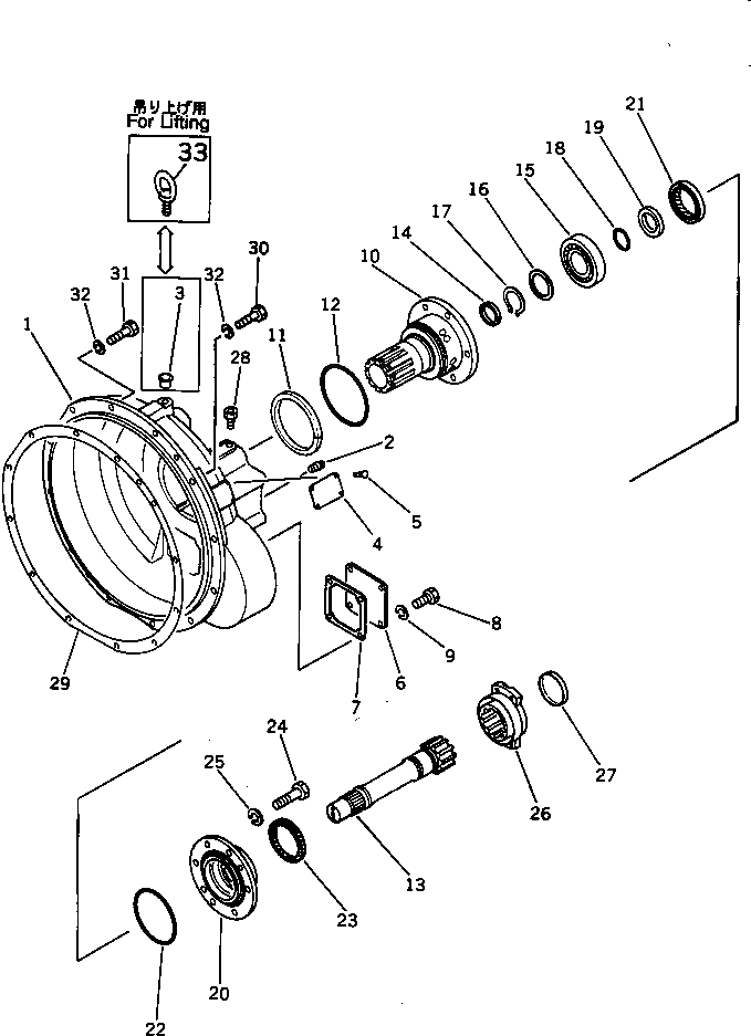
144-13-00011

TORQUE CONVERTER A.,(TCS38-2F)

SN: 50501-@

1шт.

|1

0

TORQUE CONVERTER A.,(TCS38-1F)

SN: 50001-50500

1шт.

|$$3

THESE ASSEMBLIES CONSIST OF ALL PARTS SHOWN IN FIGS.2301 TO 2321.

-1шт.

1

144-13-13111

HOUSING

SN: 50001-@

1шт.

2

07042-20108

PLUG,TAPER

SN: 50001-@

1шт.

3

07048-01410

PLUG

SN: 50001-@

1шт.

4

09607-05080

PLATE¤ NAME,(LIMITED SUPPLY)

SN: 50001-@

1шт.

5

04418-13060

SCREW

SN: 50001-@

4шт.

6

175-13-23220

COVER

SN: 50001-@

2шт.

7

175-13-23231

GASKET

SN: 50001-@

1шт.

8

01010-51225

BOLT

SN: 50001-@

4шт.

9

01602-21236

WASHER,SPRING

SN: 50001-@

4шт.

10

144-13-12524

SHAFT,STATOR

SN: 50001-50500

1шт.

11

144-13-12711

RING

SN: 50001-@

1шт.

12

07000-05140

O-RING

SN: 50001-@

1шт.

13

144-13-11650

SHAFT,TURBINE

SN: 50001-50500

1шт.

14

144-13-11720

RING,SEAL

SN: 50001-@

1шт.

15

06040-06311

BEARING,BALL

SN: 50001-50500

1шт.

16

145-13-21730

SPACER

SN: 50001-@

1шт.

17

04064-05520

RING,SNAP

SN: 50001-@

1шт.

18

145-13-21760

O-RING

SN: 50001-50500

1шт.

19

144-13-11750

SEAT

SN: 50001-50500

1шт.

20

145-13-32720

COVER

SN: 50001-50500

1шт.

21

144-13-13310

SEAL,OIL

SN: 50001-50500

1шт.

22

07000-02135

O-RING

SN: 50001-@

1шт.

23

07012-50095

SEAL

SN: 50001-50500

1шт.

|23

145-13-22730

SEAL,DUST

SN: 50001-50500

1шт.

24

01010-31245

BOLT

SN: 50001-@

6шт.

25

01602-21236

WASHER,SPRING

SN: 50001-50500

6шт.

26

144-13-11660

COUPLING

SN: 50001-50500

1шт.

27

144-13-11680

COVER

SN: 50001-50500

1шт.

28

144-13-13350

NIPPLE

SN: 50001-@

1шт.

29

144-11-11150

GASKET

SN: 50001-@

1шт.

30

01010-51240

BOLT

SN: 50001-@

2шт.

31

01010-51235

BOLT

SN: 50001-@

10шт.

32

01602-21236

WASHER

SN: 50001-@

12шт.

33

04530-01628

BOLT,EYE (FOR LIFTING)

SN: 50001-@

1шт.

Выбрано товаров: 37