Запчасти Komatsu D65A-11 КОРПУС БЛОКА УПРАВЛЕНИЯ ПОВОРОТОМ И ОСНОВНАЯ РАМА ОСНОВН. МУФТА¤ ГТР CONVERTOR¤ T/M¤ РУЛЕВ. УПРАВЛЕНИЕ И КОНЕЧНАЯ ПЕРЕДАЧА

Схема запчастей Komatsu D65A-11 - КОРПУС БЛОКА УПРАВЛЕНИЯ ПОВОРОТОМ И ОСНОВНАЯ РАМА ОСНОВН. МУФТА¤ ГТР CONVERTOR¤ T/M¤ РУЛЕВ. УПРАВЛЕНИЕ И КОНЕЧНАЯ ПЕРЕДАЧА
FIT
1:1
100%

Артикул

Название

Примечание

Количество

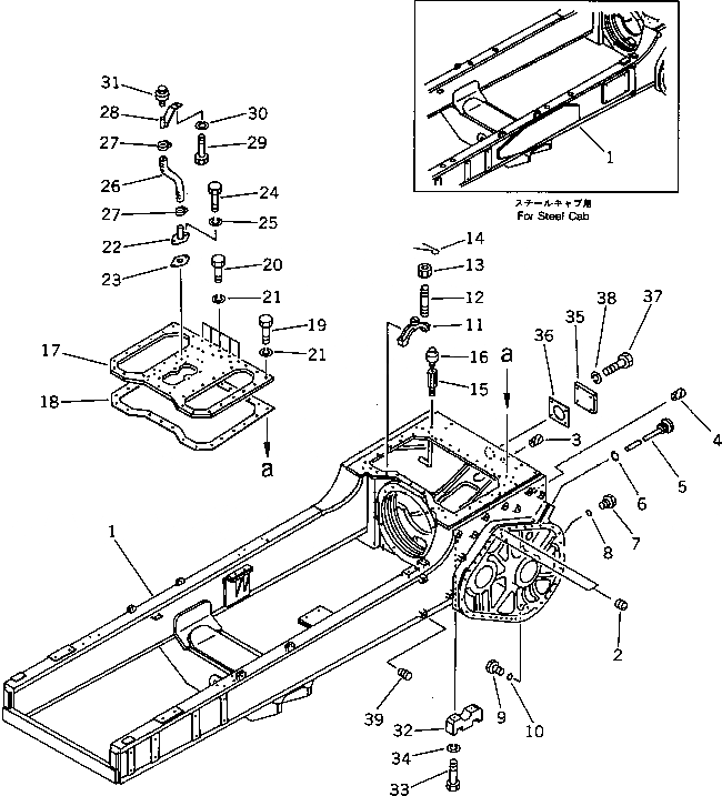
1

144-21-81100

MAIN FRAME ASS'Y

SN: 50001-UP

1шт.

|1

144-21-51810

MAIN FRAME ASS'Y,(FOR STEEL CAB) (D60A)

SN: 50044-UP

1шт.

|1

144-21-51810

MAIN FRAME ASS'Y,(FOR STEEL CAB) (D65A)

SN: 50050-UP

1шт.

|1

144-Y16-1110

MAIN FRAME ASS'Y,(FOR TRIMMING DOZER)

SN: 50001-UP

1шт.

|1

144-21-81500

MAIN FRAME ASS'Y,(FOR SWING DRAWBER)

SN: 50001-UP

1шт.

2

131-21-41520

PLUG

SN: 50001-UP

4шт.

3

07049-02430

PLUG

SN: 50001-UP

6шт.

4

07049-03342

PLUG

SN: 50001-UP

6шт.

5

144-21-51380

GAUGE,LEVEL

SN: 50001-UP

1шт.

6

07000-03038

O-RING

SN: 50001-UP

1шт.

7

07040-13618

PLUG

SN: 50001-UP

2шт.

8

07002-03634

O-RING

SN: 50001-UP

2шт.

9

07044-13620

PLUG,DRAIN

SN: 50001-UP

4шт.

10

07002-03634

O-RING

SN: 50001-UP

4шт.

11

144-21-12190

CAP

SN: 50001-UP

2шт.

12

01123-62200

STUD

SN: 50001-UP

4шт.

13

01592-02226

NUT

SN: 50001-UP

4шт.

14

04050-15040

PIN,COTTER

SN: 50001-UP

4шт.

15

154-21-11830

NIPPLE

SN: 50001-UP

2шт.

16

07030-00252

BREATHER

SN: 50001-UP

2шт.

17

144-21-11970

COVER

SN: 50001-UP

1шт.

18

144-21-11421

GASKET

SN: 50001-UP

1шт.

19

01010-51435

BOLT

SN: 50001-UP

5шт.

20

01010-51445

BOLT

SN: 50001-UP

5шт.

21

01602-21442

WASHER,SPRING

SN: 50001-UP

10шт.

22

144-21-11981

FLANGE

SN: 50001-UP

1шт.

23

135-43-31160

GASKET

SN: 50001-UP

1шт.

24

01010-51025

BOLT

SN: 50001-UP

2шт.

25

01602-21030

WASHER,SPRING

SN: 50001-UP

2шт.

26

144-21-51220

HOSE

SN: 50001-UP

1шт.

27

07281-00289

CLAMP

SN: 50001-UP

2шт.

28

144-21-51210

EXTENSION

SN: 50001-UP

1шт.

29

01010-51020

BOLT

SN: 50001-UP

1шт.

30

01602-21030

WASHER,SPRING

SN: 50001-UP

1шт.

31

07030-00252

BREATHER

SN: 50001-UP

1шт.

32

141-21-31330

CAP

SN: 50001-UP

4шт.

33

01010-52295

BOLT

SN: 50001-UP

8шт.

34

01602-22268

WASHER,SPRING

SN: 50001-UP

8шт.

35

144-21-11950

PLATE

SN: 50001-UP

1шт.

36

144-21-11960

GASKET

SN: 50001-UP

1шт.

37

01010-51635

BOLT

SN: 50001-UP

4шт.

38

01602-21648

WASHER,SPRING

SN: 50001-UP

4шт.

39

07049-01215

PLUG,(FOR ANGLE¤ STRAIGHT)

SN: 50001-UP

4шт.

Выбрано товаров: 43