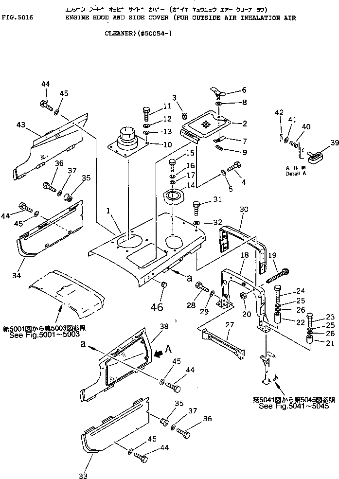
Запчасти Komatsu D65A-11 КАПОТ И БОКОВ. КРЫШКА (ДЛЯ НАРУЖН. ВОЗД. INHALATION ВОЗД.CLEANER)(№-) ЧАСТИ КОРПУСА

Схема запчастей Komatsu D65A-11 - КАПОТ И БОКОВ. КРЫШКА (ДЛЯ НАРУЖН. ВОЗД. INHALATION ВОЗД.    CLEANER)(№-) ЧАСТИ КОРПУСА
FIT
1:1
100%

Артикул

Название

Примечание

Количество

1

144-54-51110

HOOD

SN: 50054-UP

1шт.

2

144-851-1750

COVER

SN: 50054-UP

1шт.

3

07049-01215

PLUG

SN: 50054-UP

4шт.

4

01010-51020

BOLT

SN: 50054-UP

2шт.

5

01602-21030

WASHER,SPRING

SN: 50054-UP

2шт.

6

135-54-31290

HANDLE

SN: 50054-UP

1шт.

7

135-54-31310

STOPPER

SN: 50054-UP

1шт.

8

01643-31032

WASHER

SN: 50054-UP

1шт.

9

04025-00316

PIN,SPRING

SN: 50054-UP

1шт.

10

144-54-71150

COVER

SN: 50054-UP

1шт.

11

01010-51235

BOLT

SN: 50054-UP

5шт.

12

01602-21236

WASHER,SPRING

SN: 50054-UP

5шт.

13

01643-31232

WASHER

SN: 50054-UP

5шт.

14

144-54-51150

COVER

SN: 50054-UP

1шт.

15

01010-51230

BOLT

SN: 50054-UP

2шт.

16

01602-21236

WASHER,SPRING

SN: 50054-UP

2шт.

17

01643-31232

WASHER

SN: 50054-UP

2шт.

18

144-54-81630

FRAME

SN: 50054-UP

1шт.

19

120-43-39361

DAMPER

SN: 50054-UP

2шт.

20

01580-11008

NUT

SN: 50054-UP

2шт.

21

144-54-51270

COLLAR

SN: 50054-UP

6шт.

22

144-54-51280

COLLAR

SN: 50054-UP

2шт.

23

01010-51465

BOLT

SN: 50054-UP

6шт.

24

01010-51495

BOLT

SN: 50054-UP

2шт.

25

01602-21442

WASHER,SPRING

SN: 50054-UP

8шт.

26

01640-21426

WASHER

SN: 50054-UP

8шт.

27

144-54-51220

FRAME

SN: 50054-UP

1шт.

28

01010-51440

BOLT

SN: 50054-UP

4шт.

29

01602-21442

WASHER,SPRING

SN: 50054-UP

4шт.

30

144-54-24230

COVER

SN: 50054-UP

1шт.

31

01010-51235

BOLT

SN: 50054-UP

5шт.

32

01643-31232

WASHER

SN: 50054-UP

5шт.

33

144-54-55450

COVER,L.H.

SN: 50054-UP

1шт.

34

144-54-55460

COVER,R.H.

SN: 50054-UP

1шт.

35

144-54-24430

WASHER

SN: 50054-UP

4шт.

36

01010-51235

BOLT

SN: 50054-UP

4шт.

37

01643-31232

WASHER

SN: 50054-UP

4шт.

|38

144-54-00010

COVER ASS'Y,L.H.

SN: 50054-UP

1шт.

38

0

COVER

SN: 50054-UP

1шт.

39

09459-11033

LOCK

SN: 50054-UP

4шт.

40

09459-01614

SPRING

SN: 50054-UP

4шт.

41

01642-21016

WASHER

SN: 50054-UP

4шт.

42

04050-13015

PIN,COTTER

SN: 50054-UP

4шт.

43

144-54-24620

COVER,R.H.

SN: 50054-UP

1шт.

44

01010-51235

BOLT

SN: 50054-UP

12шт.

45

01643-31232

WASHER

SN: 50054-UP

12шт.

46

09415-01008

CAP

SN: 50054-UP

2шт.

Выбрано товаров: 47