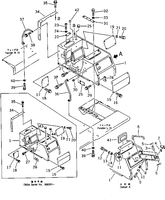
Запчасти Komatsu D65A-11 ЗАДН. КОРПУС ЧАСТИ КОРПУСА

Схема запчастей Komatsu D65A-11 - ЗАДН. КОРПУС ЧАСТИ КОРПУСА
FIT
1:1
100%

Артикул

Название

Примечание

Количество

1

144-54-83313

BOX

SN: 50075-UP

1шт.

|1

0

BOX

SN: 50050-50074

1шт.

|1

144-54-83310

BOX

SN: 50001-50049

1шт.

2

09461-00021

LEVER

SN: 50001-UP

1шт.

3

09461-00022

PIN

SN: 50001-UP

1шт.

4

09461-00023

SPRING

SN: 50001-UP

1шт.

5

04050-13018

PIN,COTTER

SN: 50001-UP

2шт.

6

120-54-32431

ROD

SN: 50001-UP

1шт.

7

04050-13022

PIN,COTTER

SN: 50001-UP

1шт.

8

20R-54-11460

SPRING

SN: 50001-UP

1шт.

9

01220-40512

SCREW

SN: 50001-UP

1шт.

10

01601-20513

WASHER,SPRING

SN: 50001-UP

1шт.

11

124-54-21710

SPRING

SN: 50001-UP

1шт.

12

01010-50816

BOLT

SN: 50001-UP

2шт.

13

01602-20825

WASHER,SPRING

SN: 50001-UP

2шт.

14

01640-20816

WASHER

SN: 50001-UP

2шт.

15

144-54-82111

COVER

SN: 50050-UP

1шт.

|15

144-54-82110

COVER

SN: 50001-50049

1шт.

16

01439-01220

BOLT

SN: 50001-UP

4шт.

17

144-54-83631

COVER

SN: 50075-UP

1шт.

|17

0

COVER

SN: 50050-50074

1шт.

|17

120-54-32151

COVER

SN: 50001-50049

1шт.

18

01439-01220

BOLT

SN: 50001-UP

4шт.

19

144-54-83620

COVER

SN: 50050-UP

1шт.

|19

120-54-32161

COVER

SN: 50001-50049

1шт.

20

01010-51225

BOLT

SN: 50001-UP

4шт.

21

01602-21236

WASHER,SPRING

SN: 50001-UP

4шт.

22

120-54-33280

COVER

SN: 50075-UP

1шт.

|22

0

COVER

SN: 50001-50074

1шт.

23

01220-40816

SCREW

SN: 50001-UP

2шт.

24

01643-30823

WASHER

SN: 50001-UP

2шт.

25

09415-05016

CAP

SN: 50075-UP

1шт.

|25

09415-03614

CAP

SN: 50001-50074

1шт.

26

12G-B62-3340

PLATE

SN: 50050-UP

1шт.

|26

120-54-32341

PLATE

SN: 50050-UP

1шт.

|26

12G-B62-3350

SEAL

SN: 50050-UP

1шт.

|26

120-54-32341

PLATE

SN: 50001-50049

1шт.

27

01439-01225

BOLT

SN: 50050-UP

3шт.

|27

01439-01220

BOLT

SN: 50001-50049

3шт.

28

144-54-25280

BRACKET

SN: 50001-UP

1шт.

29

01439-01230

BOLT

SN: 50001-UP

2шт.

30

09415-01008

CAP

SN: 50001-UP

7шт.

31

120-54-32331

SPACER

SN: 50001-UP

1шт.

32

01010-51270

BOLT

SN: 50001-UP

4шт.

33

01643-31232

WASHER

SN: 50001-UP

4шт.

34

144-54-83281

COVER

SN: 50050-UP

1шт.

|34

144-54-83280

COVER

SN: 50001-50049

1шт.

35

01439-01230

BOLT

SN: 50001-UP

5шт.

36

120-54-32252

HANDLE

SN: 50001-UP

1шт.

37

144-54-26260

HANDLE

SN: 50001-UP

1шт.

38

01439-01230

BOLT

SN: 50001-UP

2шт.

39

01010-51230

BOLT

SN: 50001-UP

2шт.

40

01643-31232

WASHER

SN: 50001-UP

2шт.

41

09989-03046

BOX

SN: 50001-50049

1шт.

42

07049-01215

PLUG

SN: 50001-UP

5шт.

43

09415-02512

CAP

SN: 50050-UP

1шт.

44

09415-01008

CAP

SN: 50050-UP

1шт.

Выбрано товаров: 57