Качественные детали и логистика
Оригинальные и аналоговые запчасти с доставкой по России, Казахстану и Беларуси
©2022 PartSell ООО "Система" ИНН 2463123282 ОГРН 1212400004838
Центральный офис: г. Красноярск, Академика Киренского, д.87, пом.4
Телефон: 8 (800) 777-65-74 Email: zakaz@partsell.ru
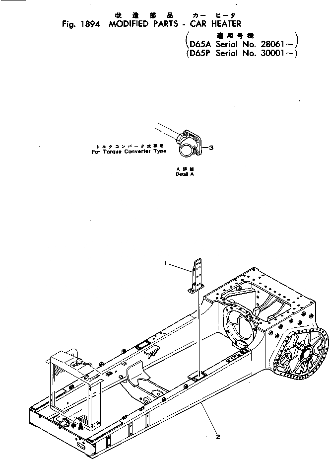
MODIFIED ЧАСТИ-ОБОГРЕВАТЕЛЬ.(№8-)
№
Артикул
Название
Примечание
Количество
1
144-912-1410
BRACKET
SN: 28061-UP
1шт.
2
144-912-1401
FRAME
144-912-1701
SN: 20000-20000
3
144-912-1511
TUBE
Выбрано товаров: 0