Запчасти Komatsu D65A-6 ТОРКФЛОУ ТРАНСМИССИЯ СМАЗЫВ. КЛАПАН(№-) ГИДРОТРАНСФОРМАТОР И ТРАНСМИССИЯ

Схема запчастей Komatsu D65A-6 - ТОРКФЛОУ ТРАНСМИССИЯ СМАЗЫВ. КЛАПАН(№-) ГИДРОТРАНСФОРМАТОР И ТРАНСМИССИЯ
FIT
1:1
100%

Артикул

Название

Примечание

Количество

|$0

144-15-00015

TRANSMISSION ASS'Y

SN: 34001-UP

1шт.

|$1

144-15-00014

TRANSMISSION ASS'Y

SN: 32001-34000

1шт.

|$2

14G-15-00012

TRANSMISSION ASS'Y

SN: 20000-20000

1шт.

|$3

14G-15-00011

TRANSMISSION ASS'Y

SN: 20000-20000

1шт.

|$4

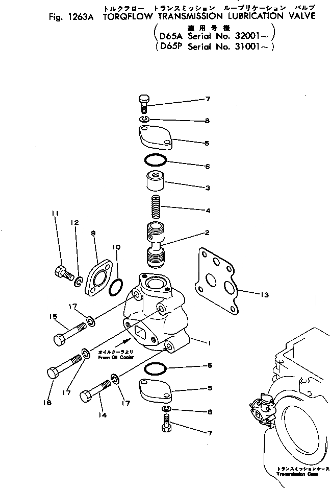
145-15-00180

VALVE ASS'Y

SN: 32001-UP

1шт.

1

154-15-14110

BODY

SN: 32001-UP

1шт.

2

144-15-14130

VALVE

SN: 32001-UP

1шт.

3

175-15-14140

GUIDE

SN: 32001-UP

1шт.

4

145-15-44160

SPRING

SN: 32001-UP

1шт.

5

154-15-14150

COVER

SN: 32001-UP

2шт.

6

07000-63032

O-RING (KIT)

SN: 32001-UP

2шт.

7

01010-30825

BOLT

SN: 32001-UP

4шт.

8

01602-00825

WASHER

SN: 32001-UP

4шт.

9

144-15-14150

COVER

SN: 32001-UP

1шт.

10

07000-63025

O-RING (KIT)

SN: 32001-UP

1шт.

11

01010-51025

BOLT

SN: 32001-UP

2шт.

12

01602-01030

WASHER

SN: 32001-UP

2шт.

13

154-15-14160

GASKET (KIT)

SN: 32001-UP

1шт.

14

01010-31055

BOLT

SN: 32001-UP

2шт.

15

01010-31060

BOLT

SN: 32001-UP

1шт.

16

01010-31065

BOLT

SN: 32001-UP

1шт.

17

01602-01030

WASHER

SN: 32001-UP

4шт.

Выбрано товаров: 22