Запчасти Komatsu D65A-6 АККУМУЛЯТОР КОМПОНЕНТЫ ДВИГАТЕЛЯ И ЭЛЕКТРИКА

Схема запчастей Komatsu D65A-6 - АККУМУЛЯТОР КОМПОНЕНТЫ ДВИГАТЕЛЯ И ЭЛЕКТРИКА
FIT
1:1
100%

Артикул

Название

Примечание

Количество

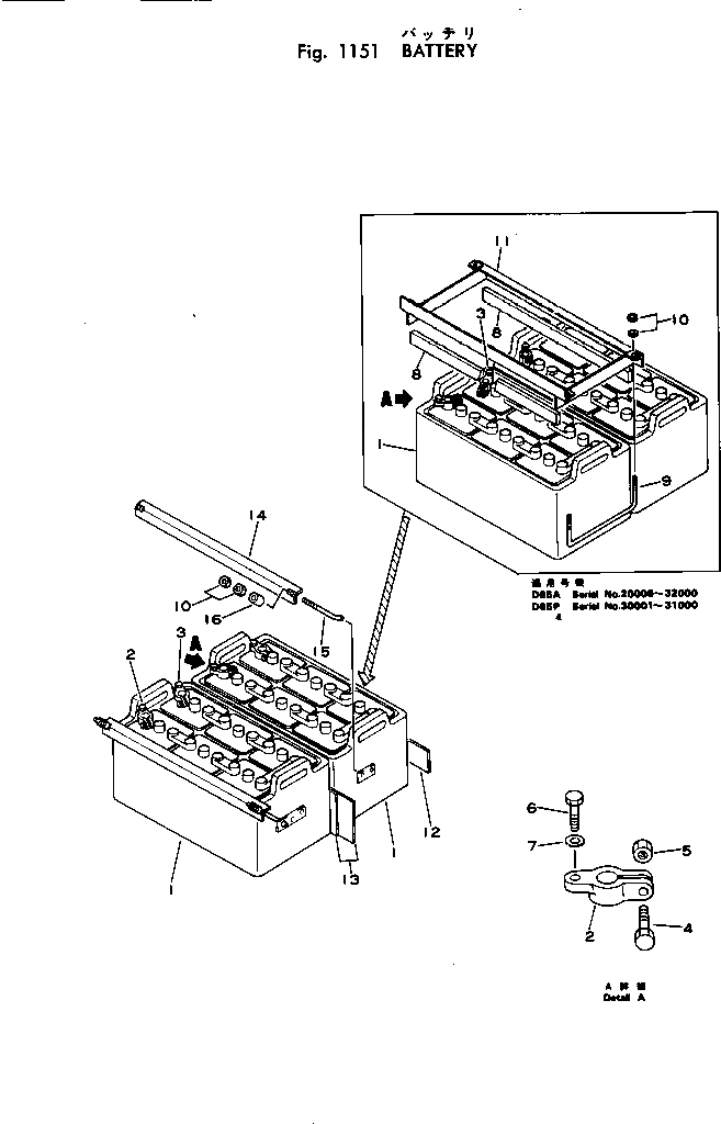
1

08000-02220

BATTERY (190H52),(FOR JAPAN)

SN: .-UP

2шт.

|1

0

BATTERY (190H52),(FOR JAPAN)

SN: 20006-.

2шт.

|1

08000-12220

BATTERY (190H52),(EXCEPT JAPAN)

SN: .-UP

2шт.

|1

0

BATTERY (190H52),(EXCEPT JAPAN)

SN: 20006-.

2шт.

2

08000-00000

TERMINAL¤ (+)

SN: 20006-UP

1шт.

3

08000-00001

TERMINAL¤ (-)

SN: 20006-UP

1шт.

4

01010-30830

BOLT

SN: 20006-UP

2шт.

5

01580-00806

NUT

SN: 20006-UP

2шт.

6

01050-31018

BOLT

SN: 20006-UP

2шт.

7

01640-21016

WASHER

SN: 20006-UP

2шт.

8

141-06-11340

CUSHION

SN: 20006-32000

4шт.

9

141-06-31110

U-BOLT

SN: 20006-32000

4шт.

10

01580-11008

NUT

SN: 32001-UP

8шт.

|10

01580-11008

NUT

SN: 20006-32000

16шт.

11

145-06-31120

BRACKET

SN: 20006-32000

2шт.

12

141-06-31120

CUSHION

SN: 32001-UP

1шт.

13

154-06-13271

SEAT

SN: 32001-UP

2шт.

14

154-06-13232

PLATE

SN: 32001-UP

2шт.

15

145-06-31160

BOLT

SN: 32001-UP

4шт.

16

175-06-31121

SPACER

SN: 32001-UP

4шт.

Выбрано товаров: 20