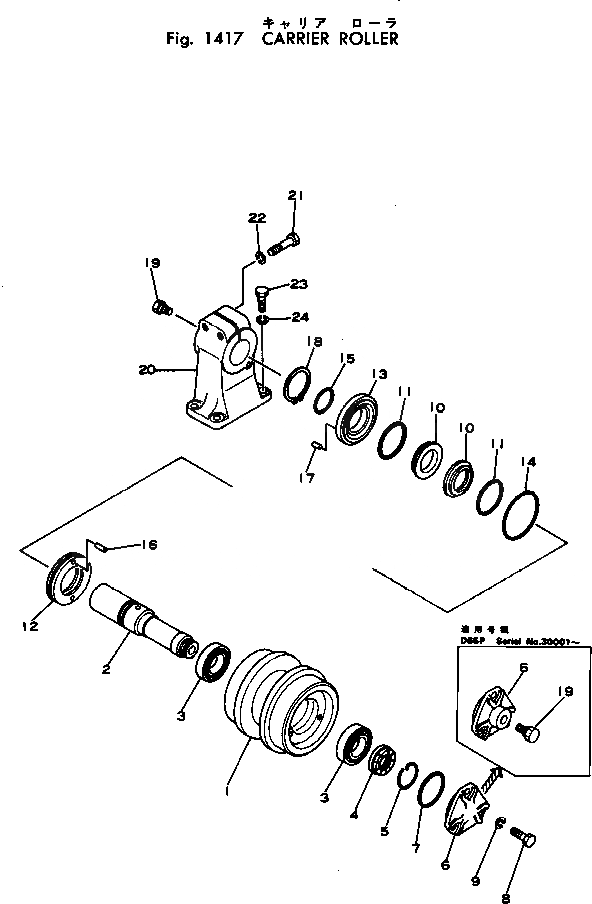
Запчасти Komatsu D65A-6 ПОДДЕРЖИВАЮЩИЙ КАТОК ГУСЕНИЦЫ

Схема запчастей Komatsu D65A-6 - ПОДДЕРЖИВАЮЩИЙ КАТОК ГУСЕНИЦЫ
FIT
1:1
100%

Артикул

Название

Примечание

Количество

|1

141-30-00565

CARRIER ROLLER ASS'Y

SN: 34178-UP

4шт.

|1

0

CARRIER ROLLER ASS'Y

SN: 30050-34177

4шт.

|1

0

CARRIER ROLLER ASS'Y

SN: 28400-30049

4шт.

|1

0

CARRIER ROLLER ASS'Y

SN: 22832-28399

4шт.

|1

0

CARRIER ROLLER ASS'Y

SN: 20054-22831

4шт.

|1

0

CARRIER ROLLER ASS'Y

SN: 20006-20053

4шт.

|1

144-813-0054

CARRIER ROLLER ASS'Y

SN: 20000-20000

4шт.

|1

0

CARRIER ROLLER ASS'Y

SN: 20000-20000

4шт.

|1

0

CARRIER ROLLER

SN: 20000-20000

4шт.

1

141-30-35110

ROLLER

SN: 20054-UP

1шт.

|1

141-30-35320

ROLLER

SN: 20006-20053

1шт.

2

141-30-35120

SHAFT

SN: 20006-UP

1шт.

3

06002-30210

BEARING

SN: 24372-UP

2шт.

|3

0

BEARING

SN: 20006-24371

2шт.

4

141-30-35140

NUT

SN: 20006-UP

1шт.

5

141-30-35150

RING

SN: 20006-UP

1шт.

6

141-30-35130

COVER

SN: 20006-UP

1шт.

|6

144-813-5110

COVER

SN: 20000-20000

1шт.

7

07000-03085

O-RING

SN: 20006-UP

1шт.

8

01010-31025

BOLT

SN: 20006-UP

3шт.

9

01602-01030

WASHER

SN: 20006-UP

3шт.

|10

141-30-00615

FLOATING SEAL ASS'Y

SN: 34178-UP

1шт.

|10

0

FLOATING SEAL ASS'Y

SN: 30050-34177

1шт.

|10

0

FLOATING SEAL ASS'Y

SN: 20032-30049

1шт.

|10

0

FLOATING SEAL ASS'Y

SN: 20006-20031

1шт.

10

141-30-00622

SEAL RING ASS'Y

SN: 34178-UP

1шт.

|10

0

SEAL RING ASS'Y

SN: 30050-34177

1шт.

|10

0

SEAL RING ASS'Y

SN: 20032-30049

1шт.

|10

0

RING,SEAL

SN: 34178-UP

2шт.

|10

0

RING,SEAL

SN: 30050-34177

2шт.

|10

0

RING,SEAL

SN: 20032-30049

2шт.

|10

0

RING,SEAL

SN: 20006-20031

2шт.

11

141-30-00630

O-RING ASS'Y

SN: 20032-UP

1шт.

|11

0

O-RING

SN: 20032-UP

2шт.

|11

0

O-RING

SN: 20006-20031

2шт.

12

141-30-35162

SEAL

SN: 28400-UP

1шт.

|12

0

SEAL

SN: 22832-28399

1шт.

|$$38

(141-30-35162{141-03-35172)}

-1шт.

|12

0

SEAL

SN: 20006-22831

1шт.

|$$40

(141-30-35161{141-30-35171)}

-1шт.

13

141-30-35172

COLLAR

SN: 28400-UP

1шт.

|13

0

COLLAR

SN: 22832-28399

1шт.

|$$43

(141-30-35172{141-30-35162)}

-1шт.

|13

0

COLLAR

SN: 20006-22831

1шт.

|$$45

(141-30-35171{141-30-35161)}

-1шт.

14

07000-03120

O-RING

SN: 20006-UP

1шт.

15

07000-03055

O-RING

SN: 20006-UP

1шт.

16

04020-00616

PIN

SN: 20006-UP

2шт.

17

04020-00616

PIN

SN: 20006-UP

1шт.

18

04064-06020

RING

SN: 20006-UP

1шт.

19

07052-11624

PLUG

SN: 22388-UP

1шт.

|19

07052-01624

PLUG

SN: 20006-22387

1шт.

|19

07052-11624

PLUG

SN: 20000-20000

2шт.

20

141-30-35181

SUPPORT

SN: 20006-UP

4шт.

21

01010-31885

BOLT

SN: 22388-UP

8шт.

|21

01040-31885

BOLT

SN: 20006-22387

8шт.

22

01602-01854

WASHER

SN: 20006-UP

8шт.

23

01010-31645

BOLT

SN: 22388-UP

16шт.

|23

01040-31645

BOLT

SN: 20006-22387

16шт.

24

01602-01648

WASHER

SN: 20006-UP

16шт.

Выбрано товаров: 60