Запчасти Komatsu D65A-8 МАРКИРОВКА (ПОРТУГАЛ.) МАРКИРОВКА¤ ИНСТРУМЕНТ И РЕМКОМПЛЕКТЫ

Схема запчастей Komatsu D65A-8 - МАРКИРОВКА (ПОРТУГАЛ.) МАРКИРОВКА¤ ИНСТРУМЕНТ И РЕМКОМПЛЕКТЫ
FIT
1:1
100%

Артикул

Название

Примечание

Количество

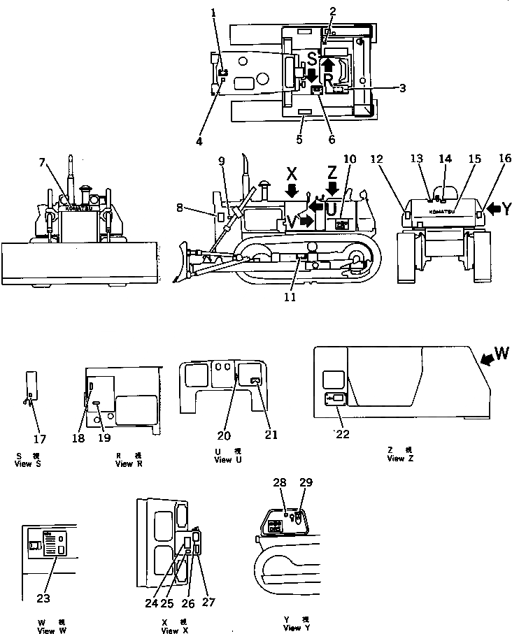
1

09650-21101

PLATE, INSTRUCTION,RADIATOR WATER LEVEL

SN: 45001-UP

1шт.

2

09670-00001

PLATE, OPERATING,(FOR ANGLE AND STRAIGHT DOZER)

SN: 45001-UP

1шт.

2

09670-00004

PLATE, OPERATING,(FOR TILT DOZER)

SN: 45001-UP

1шт.

3

09989-03046

BOX,BILL

SN: 45001-UP

1шт.

4

09668-02000

PLATE, SAFETY,RADIATOR CAP

SN: 45001-UP

1шт.

5

120-54-32451

SHEET,ANTISKID

SN: 45001-UP

2шт.

6

144-54-25270

PLATE, OPERATING,TRANSMISSION LEVER

SN: 45001-UP

1шт.

6

04418-03060

SCREW

SN: 45001-UP

6шт.

7

09690-00500

PLATE, MARK,KOMATSU

SN: 45001-UP

1шт.

8

20T-98-22240

PLATE, SAFETY,KEEP OUT

SN: 45001-UP

2шт.

9

154-98-13330

PLATE, CAUTION,ENGINE COVER

SN: 45001-UP

2шт.

10

09691-05652

PLATE, MARK,D65A

SN: 45001-UP

2шт.

11

09657-02011

PLATE, SAFETY,TRACK SHOE ADJUSTING

SN: 45001-UP

2шт.

12

120-54-36531

REFLECTOR,ZEBRA MARK

SN: 45001-UP

1шт.

13

09652-21101

PLATE, CAUTION,FUEL TANK

SN: 45001-UP

1шт.

14

09656-21080

PLATE, INSTRUCTION,FUEL TANK STRAINER

SN: 45001-UP

1шт.

15

09690-00630

PLATE, MARK,KOMATSU

SN: 45001-UP

1шт.

16

120-54-36541

REFLECTOR,ZEBRA MARK

SN: 45001-UP

1шт.

17

09685-00002

PLATE, OPERATING,TRANSMISSION LEVER LOCK

SN: 45001-UP

1шт.

18

09685-00001

PLATE, OPERATING,(FOR ANGLE AND STRAIGHT DOZER)

SN: 45001-UP

1шт.

18

12F-54-36221

PLATE, OPERATING,(FOR TILT DOZER)

SN: 45001-UP

1шт.

19

09685-00004

PLATE, OPERATING,BRAKE LOCK LEVER

SN: 45001-UP

1шт.

20

08670-70001

INDICATOR,DUST

SN: 45001-UP

1шт.

21

09683-21060

PLATE, OPERATING,STARTING SWITCH

SN: 45001-UP

1шт.

22

09601-20835

PLATE, NAME,(LIMITED SUPPLY)

SN: 45001-UP

1шт.

22

04418-13060

SCREW

SN: 45001-UP

4шт.

23

144-54-51750

CHART, OIL

SN: 45001-UP

1шт.

24

09654-02000

PLATE, SAFETY,BEFORE AND AFTER OPERATION

SN: 45001-UP

1шт.

25

362-54-17320

PLATE, OPERATING,FUEL CONTROL

SN: 45001-UP

1шт.

26

09173-02000

PLATE, SAFETY,INSPECTION AND MAINTENANCE

SN: 45001-UP

1шт.

27

09651-02000

PLATE, SAFETY,BEFORE OPERATING

SN: 45001-UP

1шт.

28

09653-02000

PLATE, SAFETY,HYDRAULIC TANK

SN: 45001-UP

1шт.

29

09655-21120

PLATE, INSTRUCTION,OIL FILTER

SN: 45001-UP

1шт.

Выбрано товаров: 33