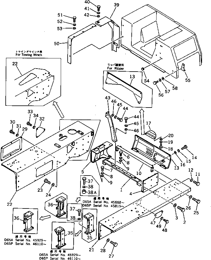
Запчасти Komatsu D65A-8 КРЫЛО ЧАСТИ КОРПУСА

Схема запчастей Komatsu D65A-8 - КРЫЛО ЧАСТИ КОРПУСА
FIT
1:1
100%

Артикул

Название

Примечание

Количество

1

144-54-12411

BRACKET

SN: 45001-UP

1шт.

2

01010-51640

BOLT

SN: 45001-UP

4шт.

2

01010-51665

BOLT,(FOR TOWING WINCH)

SN: 45001-UP

8шт.

3

01643-31645

WASHER

SN: 45001-UP

4шт.

4

144-54-12420

BRACKET,L.H.

SN: 45001-UP

1шт.

5

144-54-12431

BRACKET,R.H.

SN: 45001-UP

1шт.

5

144-54-12490

BRACKET,R.H. (FOR TOWING WINCH)

SN: 45001-UP

1шт.

6

01010-51435

BOLT

SN: 45001-UP

6шт.

7

01010-51440

BOLT

SN: 45001-UP

4шт.

8

01602-21442

WASHER,SPRING

SN: 45001-UP

10шт.

9

01643-31445

WASHER

SN: 45001-UP

10шт.

10

144-54-12440

BRACKET

SN: 45001-UP

1шт.

11

01010-51640

BOLT

SN: 45001-UP

4шт.

12

01643-31645

WASHER

SN: 45001-UP

4шт.

13

144-54-12450

COVER

SN: 45001-UP

1шт.

13

144-78-11420

COVER,(FOR RIPPER) (D65A)

SN: 45001-UP

1шт.

13

144-54-12480

COVER,(REINFORCED TYPE)

SN: 45001-UP

1шт.

14

01010-51225

BOLT

SN: 45001-UP

2шт.

14

01010-51225

BOLT,(FOR RIPPER) (D65A)

SN: 45001-UP

4шт.

15

01602-21236

WASHER,SPRING

SN: 45001-UP

2шт.

15

01602-21236

WASHER,(FOR RIPPER) (D65A)

SN: 45001-UP

4шт.

16

01643-31232

WASHER

SN: 45001-UP

2шт.

16

01643-31232

WASHER,(FOR RIPPER) (D65A)

SN: 45001-UP

4шт.

17

144-54-12460

COVER

SN: 45001-UP

1шт.

18

01010-51030

BOLT

SN: 45001-UP

2шт.

19

01602-21030

WASHER,SPRING

SN: 45001-UP

2шт.

20

01643-31032

WASHER

SN: 45001-UP

2шт.

21

144-54-51440

FENDER,L.H.

SN: 45535-UP

1шт.

21

144-54-51410

FENDER,L.H.

SN: 45001-45534

1шт.

21

144-54-54110

FENDER,L.H. (REINFORCED TYPE)

SN: 45001-UP

1шт.

21

144-54-51410

FENDER,L.H. (FOR ROPS)

SN: 45535-UP

1шт.

21

144-54-54140

FENDER,L.H. (FOR TOWING WINCH)

SN: 45001-UP

1шт.

22

144-54-51450

FENDER,R.H.

SN: 45535-UP

1шт.

22

144-54-51420

FENDER,R.H.

SN: 45001-45534

1шт.

22

144-54-54120

FENDER,R.H. (REINFORCED TYPE)

SN: 45001-UP

1шт.

22

144-54-51420

FENDER,R.H. (FOR ROPS)

SN: 45535-UP

1шт.

22

144-54-54150

FENDER,R.H. (FOR TOWING WINCH)

SN: 45001-UP

1шт.

23

01010-51645

BOLT

SN: 45001-UP

14шт.

24

01643-31645

WASHER

SN: 45001-UP

14шт.

25

01010-51635

BOLT

SN: 45001-UP

12шт.

25

01010-51645

BOLT,(FOR TOWING WINCH)

SN: 45001-UP

2шт.

26

01643-31645

WASHER

SN: 45001-UP

12шт.

27

01010-51635

BOLT

SN: 45001-UP

6шт.

28

01643-31645

WASHER

SN: 45001-UP

6шт.

29

144-54-14272

PLATE

SN: 45001-UP

1шт.

30

01010-51225

BOLT

SN: 45001-UP

6шт.

31

01602-21236

WASHER,SPRING

SN: 45001-UP

6шт.

32

144-54-14440

COVER

SN: 45001-UP

1шт.

33

01010-51225

BOLT

SN: 45001-UP

3шт.

34

01602-21236

WASHER,SPRING

SN: 45001-UP

3шт.

35

144-54-14750

BRACKET,L.H. (D65A)

SN: 45929-UP

1шт.

35

0

BRACKET,L.H. (D65A)

SN: 45535-45928

1шт.

35

144-54-14810

BRACKET,L.H. (D65P)

SN: 45000-45000

1шт.

35

0

BRACKET,L.H.

SN: 45001-45534

1шт.

36

144-54-14760

BRACKET,R.H. (D65A)

SN: 45929-UP

1шт.

36

0

BRACKET,R.H. (D65A)

SN: 45535-45928

1шт.

36

144-54-14820

BRACKET,R.H. (D65P)

SN: 45000-45000

1шт.

36

0

BRACKET,R.H.

SN: 45001-45534

1шт.

37

01010-51475

BOLT

SN: 45668-UP

8шт.

37

01010-51440

BOLT

SN: 45001-45667

8шт.

38

01602-21442

WASHER,SPRING

SN: 45001-UP

8шт.

38A

144-54-51270

COLLAR

SN: 45668-UP

8шт.

39

144-54-15350

COVER

SN: 45001-UP

1шт.

40

01010-51225

BOLT

SN: 45001-UP

3шт.

41

01602-21236

WASHER,SPRING

SN: 45001-UP

3шт.

42

01643-31232

WASHER

SN: 45001-UP

3шт.

43

144-54-15340

BRACKET

SN: 45001-UP

1шт.

43

144-54-15361

BRACKET,(FOR TOWING WINCH)

SN: 45001-UP

1шт.

44

01010-51230

BOLT

SN: 45001-UP

4шт.

45

01602-21236

WASHER,SPRING

SN: 45001-UP

4шт.

46

01643-31232

WASHER

SN: 45001-UP

4шт.

47

144-54-14470

COVER,(FOR ANGLE DOZER)

SN: 45001-UP

1шт.

48

01010-51225

BOLT,(FOR ANGLE DOZER)

SN: 45001-UP

2шт.

49

01602-21236

WASHER,(FOR ANGLE DOZER)

SN: 45001-UP

2шт.

50

144-54-15410

COVER

SN: 45001-UP

1шт.

51

01010-51225

BOLT

SN: 45001-UP

5шт.

52

01602-21236

WASHER,SPRING

SN: 45001-UP

5шт.

53

01643-31232

WASHER

SN: 45001-UP

5шт.

54

09415-01008

CAP

SN: 45001-UP

7шт.

55

144-54-25280

BRACKET

SN: 45001-UP

1шт.

56

01010-51225

BOLT

SN: 45001-UP

2шт.

57

01602-21236

WASHER,SPRING

SN: 45001-UP

2шт.

58

01643-31232

WASHER

SN: 45001-UP

2шт.

Выбрано товаров: 83