Запчасти Komatsu D65A-8 СИСТЕМА ROPS ЭЛЕКТРОПРОВОДКА (ДЛЯ SWEEPER И ЗАДН. NET) ЧАСТИ КОРПУСА

Схема запчастей Komatsu D65A-8 - СИСТЕМА ROPS ЭЛЕКТРОПРОВОДКА (ДЛЯ SWEEPER И ЗАДН. NET) ЧАСТИ КОРПУСА
FIT
1:1
100%

Артикул

Название

Примечание

Количество

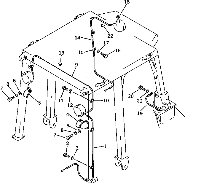
1

144-06-43310

WIRE

SN: 45001-UP

1шт.

2

01010-51220

BOLT

SN: 45001-UP

2шт.

3

01602-21236

WASHER,SPRING

SN: 45001-UP

2шт.

4

144-874-3550

BRACKET,L.H.

SN: 45001-UP

1шт.

5

144-874-3560

BRACKET,R.H.

SN: 45001-UP

1шт.

6

175-822-6980

WASHER

SN: 45001-UP

2шт.

7

01010-51020

BOLT

SN: 45001-UP

4шт.

8

01602-21030

WASHER,SPRING

SN: 45001-UP

4шт.

9

144-06-43330

WIRE

SN: 45001-UP

1шт.

10

08036-21414

CLIP

SN: 45001-UP

2шт.

11

01010-51220

BOLT

SN: 45001-UP

2шт.

12

01602-21236

WASHER,SPRING

SN: 45001-UP

2шт.

13

203-06-21150

CLIP

SN: 45001-UP

5шт.

14

144-06-43340

WIRE

SN: 45001-UP

1шт.

15

08036-21414

CLIP

SN: 45001-UP

3шт.

16

01010-51220

BOLT

SN: 45001-UP

3шт.

17

01602-21236

WASHER,SPRING

SN: 45001-UP

3шт.

18

175-822-6980

WASHER

SN: 45001-UP

1шт.

19

08028-14045

WIRE¤ 450MM

SN: 45001-UP

1шт.

20

01010-51016

BOLT

SN: 45001-UP

2шт.

21

01602-21030

WASHER,SPRING

SN: 45001-UP

2шт.

22

203-06-21150

CLIP

SN: 45001-UP

3шт.

Выбрано товаров: 22