Запчасти Komatsu D65A-8 ГИДРАВЛ УПРАВЛЯЮЩ. КЛАПАН (/) УПРАВЛ-Е РАБОЧИМ ОБОРУДОВАНИЕМ

Схема запчастей Komatsu D65A-8 - ГИДРАВЛ УПРАВЛЯЮЩ. КЛАПАН (/) УПРАВЛ-Е РАБОЧИМ ОБОРУДОВАНИЕМ
FIT
1:1
100%

Артикул

Название

Примечание

Количество

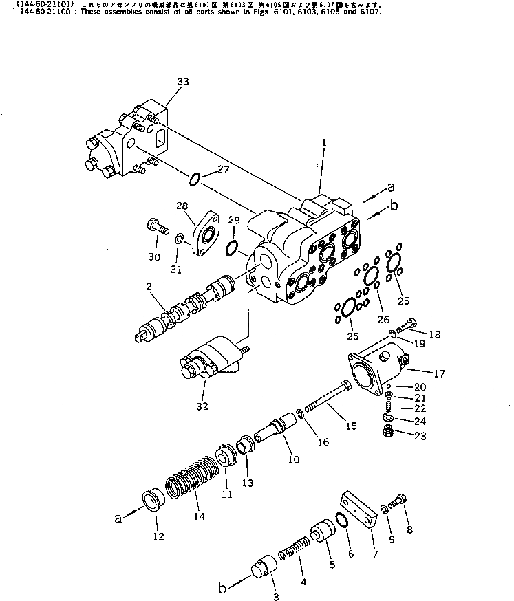
|1

144-60-21101

HYDRAULIC TANK ASS'Y

SN: 45010-UP

1шт.

|1

0

HYDRAULIC TANK ASS'Y

SN: 45001-45009

1шт.

|1

701-31-11002

VALVE ASS'Y

SN: 45001-UP

1шт.

|1

701-31-31002

VALVE SUB ASS'Y

SN: .-UP

1шт.

|1

0

VALVE SUB ASS'Y

SN: 45001-.

1шт.

|1

701-31-00010

BODY SUB ASS'Y

SN: 45001-.

1шт.

1

0

BODY

SN: .-UP

1шт.

|1

0

BODY

SN: 45001-.

1шт.

2

0

SPOOL

SN: .-UP

1шт.

|2

0

SPOOL

SN: 45001-.

1шт.

3

701-33-31120

VALVE

SN: 45001-UP

1шт.

4

701-33-31130

SPRING

SN: 45001-UP

1шт.

5

701-33-31150

SEAT

SN: 45001-UP

1шт.

6

07000-13035

O-RING (K15)

SN: 45001-UP

1шт.

7

701-33-31160

PLATE

SN: 45001-UP

1шт.

8

01010-31235

BOLT

SN: 45001-UP

2шт.

9

01602-01236

WASHER,SPRING

SN: 45001-UP

2шт.

10

701-31-31121

DETENT

SN: 45001-UP

1шт.

11

701-33-31380

RETAINER

SN: 45001-UP

1шт.

12

701-33-31390

RETAINER

SN: 45001-UP

1шт.

13

701-33-31281

COLLAR

SN: 45001-UP

1шт.

14

701-31-31130

SPRING

SN: 45001-UP

1шт.

15

701-33-31292

BOLT

SN: 45001-UP

1шт.

16

01602-01236

WASHER,SPRING

SN: 45001-UP

1шт.

17

701-33-31311

CASE

SN: 45001-UP

1шт.

18

01010-31030

BOLT

SN: 45001-UP

2шт.

19

01602-01030

WASHER,SPRING

SN: 45001-UP

2шт.

20

701-33-31320

BALL

SN: 45001-UP

3шт.

21

701-33-31330

GUIDE

SN: 45001-UP

3шт.

22

701-33-31340

SPRING

SN: 45001-UP

3шт.

23

701-31-31350

PLUG

SN: .-UP

3шт.

|23

701-31-31150

PLUG

SN: 45001-.

3шт.

24

01650-11816

WASHER,LOCK

SN: 45001-.

3шт.

25

07000-13045

O-RING (K15)

SN: 45001-UP

3шт.

26

07000-02015

O-RING (K15)

SN: 45001-UP

14шт.

27

07000-13035

O-RING (K15)

SN: 45001-UP

2шт.

28

701-33-31360

PLATE

SN: 45001-UP

1шт.

29

07000-13040

O-RING (K15)

SN: 45001-UP

1шт.

30

01010-31440

BOLT

SN: 45001-UP

2шт.

31

01602-01442

WASHER,SPRING

SN: 45001-UP

2шт.

32

701-30-51002

VALVE ASS'Y

SN: 45001-UP

1шт.

33

701-30-63001

VALVE ASS'Y

SN: 45001-UP

1шт.

Выбрано товаров: 42