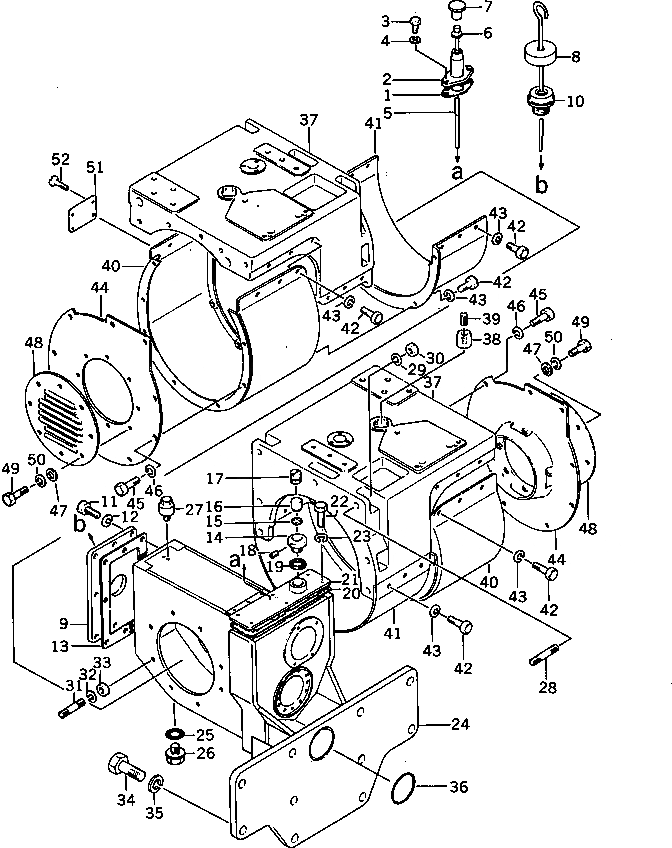
Запчасти Komatsu D65A-8 КОЖУХ И КРЫШКА(ДЛЯ ЗАДН. POWER УПРАВЛ-Е БЛОК) РАБОЧЕЕ ОБОРУДОВАНИЕ

Схема запчастей Komatsu D65A-8 - КОЖУХ И КРЫШКА(ДЛЯ ЗАДН. POWER УПРАВЛ-Е БЛОК) РАБОЧЕЕ ОБОРУДОВАНИЕ
FIT
1:1
100%

Артикул

Название

Примечание

Количество

1

150-14-13320

GASKET

SN: 45001-UP

1шт.

2

150-67-13230

TUBE

SN: 45001-UP

1шт.

3

01010-30820

BOLT

SN: 45001-UP

2шт.

4

01602-00825

WASHER,SPRING

SN: 45001-UP

2шт.

5

150-67-13240

GAUGE,LEVEL

SN: 45001-UP

1шт.

6

150-14-13161

KNOB

SN: 45001-UP

1шт.

7

130-14-12220

CAP

SN: 45001-UP

1шт.

8

150-65-13211

GAUGE,LEVEL

SN: 45001-UP

1шт.

9

150-67-13111

COVER

SN: 45001-UP

1шт.

10

150-67-13120

PLUG

SN: 45001-UP

1шт.

11

01010-31020

BOLT

SN: 45001-UP

10шт.

12

01602-01030

WASHER,SPRING

SN: 45001-UP

10шт.

13

150-65-13111

GASKET

SN: 45001-UP

1шт.

|14

150-65-00566

CAP ASS'Y

SN: 45001-UP

1шт.

14

0

CAP

SN: 45001-UP

1шт.

15

0

WASHER

SN: 45001-UP

1шт.

16

0

ELEMENT

SN: 45001-UP

1шт.

17

0

BOLT

SN: 45001-UP

1шт.

18

01324-10620

SCREW

SN: 45001-UP

1шт.

19

150-27-11232

GASKET

SN: 45001-UP

1шт.

20

144-65-11390

GASKET

SN: 45001-UP

1шт.

21

144-65-11380

COVER

SN: 45001-UP

1шт.

22

01010-31020

BOLT

SN: 45001-UP

6шт.

23

01602-01030

WASHER,SPRING

SN: 45001-UP

6шт.

|24

144-65-00011

GEAR CASE ASS'Y

SN: 45001-UP

1шт.

24

144-65-11361

CASE

SN: 45001-UP

1шт.

25

07000-03032

O-RING

SN: 45001-UP

2шт.

26

07044-13620

PLUG

SN: 45001-UP

2шт.

27

07030-00252

BREATHER

SN: 45001-UP

1шт.

28

01120-31840

STUD

SN: 45001-UP

16шт.

29

01602-01854

WASHER,SPRING

SN: 45001-UP

16шт.

30

01582-01815

NUT

SN: 45001-UP

16шт.

31

01120-31430

STUD

SN: 45001-UP

14шт.

32

01602-01442

WASHER,SPRING

SN: 45001-UP

14шт.

33

01582-01411

NUT

SN: 45001-UP

14шт.

34

01010-32460

BOLT

SN: 45001-UP

10шт.

35

01602-02472

WASHER,SPRING

SN: 45001-UP

10шт.

36

07000-03110

O-RING

SN: 45001-UP

1шт.

|37

154-65-00141

DRUM COVER ASS'Y,L.H.

SN: 45001-UP

1шт.

|37

154-65-00151

DRUM COVER ASS'Y,R.H.

SN: 45001-UP

1шт.

37

150-65-23623

COVER,L.H.

SN: 45001-UP

1шт.

|37

150-65-23253

COVER,R.H.

SN: 45001-UP

1шт.

38

150-65-15641

BUSHING

SN: 45001-UP

1шт.

39

01320-30408

SCREW

SN: 45001-UP

1шт.

40

150-65-25121

COVER,L.H.

SN: 45001-UP

1шт.

|40

150-65-25111

COVER,R.H.

SN: 45001-UP

1шт.

41

150-65-15322

COVER,L.H.

SN: 45001-UP

1шт.

|41

150-65-15312

COVER,R.H.

SN: 45001-UP

1шт.

42

01010-31025

BOLT,L.H.

SN: 45001-UP

16шт.

|42

01010-31025

BOLT,R.H.

SN: 45001-UP

16шт.

43

01643-01032

WASHER,L.H.

SN: 45001-UP

16шт.

|43

01643-01032

WASHER,R.H.

SN: 45001-UP

16шт.

44

150-65-15234

COVER,L.H.

SN: 45001-UP

1шт.

|44

150-65-15224

COVER,R.H.

SN: 45001-UP

1шт.

45

01010-31025

BOLT

SN: 45001-UP

18шт.

46

01602-01030

WASHER,SPRING

SN: 45001-UP

18шт.

47

01643-01032

WASHER

SN: 45001-UP

18шт.

48

150-65-15240

COVER

SN: 45001-UP

1шт.

49

01010-30816

BOLT

SN: 45001-UP

16шт.

50

01602-00825

WASHER,SPRING

SN: 45001-UP

16шт.

51

09601-00835

PLATE¤ NAME,(LIMITED SUPPLY)

SN: 45001-UP

1шт.

52

04418-03060

SCREW

SN: 45001-UP

4шт.

Выбрано товаров: 62