Запчасти Komatsu 6D125-1J ТОПЛ. НАСОС (РЕГУЛЯТОР) (/) ТОПЛИВН. СИСТЕМА

Схема запчастей Komatsu 6D125-1J - ТОПЛ. НАСОС (РЕГУЛЯТОР) (/) ТОПЛИВН. СИСТЕМА
1
2
3
4
5
6
7
8
9
10
11
12
13
14
15
16
17
18
19
20
21
22
23
24
25
26
27
28
29
30
31
32
33
1
2
3
4
5
6
7
8
9
10
11
12
13
14
15
16
17
18
19
20
21
22
23
24
25
26
27
28
29
30
31
32
33
FIT
1:1
100%

Артикул

Название

Примечание

Количество

|1

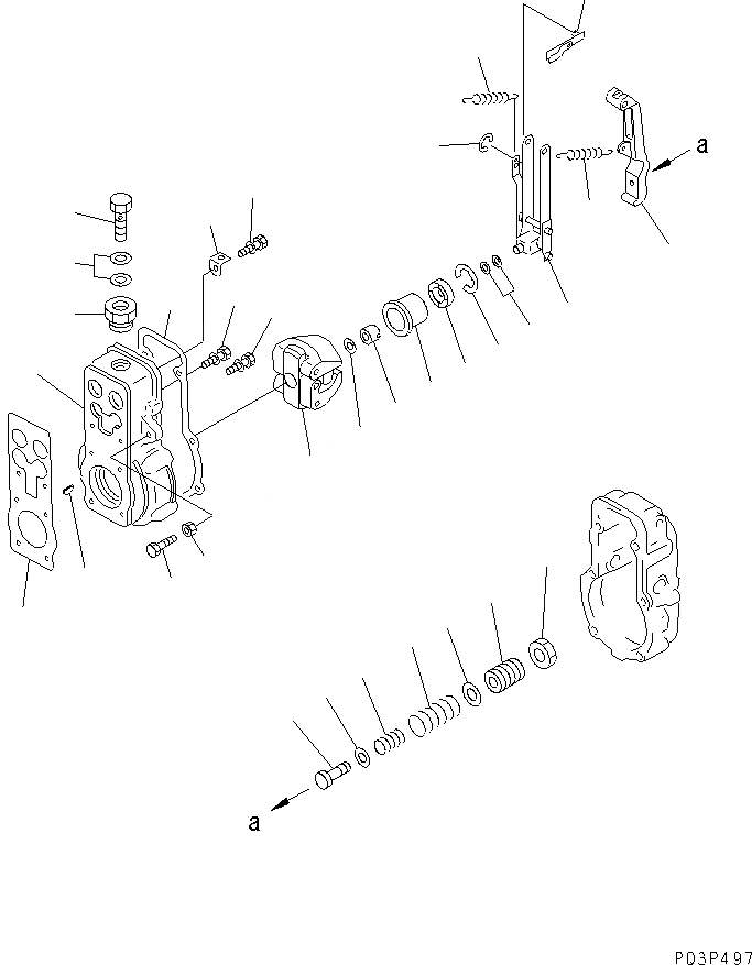
6150-71-1342

INJECTION PUMP A.

SN: 14922-UP

1шт.

|1

6150-71-1341

INJECTION PUMP A.

SN: 10001-14921

1шт.

|1

ND090800-8481

GOVERNOR ASS'Y

SN: 14922-UP

1шт.

|1

ND090800-8450

GOVERNOR ASS'Y

SN: 10001-14921

1шт.

1

ND090810-0390

HOUSING

SN: 10001-UP

1шт.

2

ND090878-0040

PLATE

SN: 10001-UP

1шт.

3

ND091024-0031

SCREW,ADJUSTING

SN: 10001-UP

1шт.

4

ND090901-0150

LEVER ASS'Y,TENSION

SN: 10001-UP

1шт.

5

ND090930-0490

LEVER ASS'Y,CONTROL

SN: 10001-UP

1шт.

6

ND090894-0010

E-RING

SN: 10001-UP

1шт.

7

ND948053-0051

NUT

SN: 10001-UP

1шт.

8

ND090970-0350

SHACKLE ASS'Y

SN: 10001-UP

1шт.

9

ND949130-0050

KEY,WOODRUFF

SN: 10001-UP

1шт.

10

ND090840-0520

FLYWEIGHT ASS'Y

SN: 10001-UP

1шт.

11

ND949015-0500

WASHER¤ 2.5MM,SPRING

SN: 10001-UP

1шт.

12

ND090844-0010

NUT

SN: 10001-UP

1шт.

13

ND090860-0200

SLEEVE SUB ASS'Y

SN: 10001-UP

1шт.

14

ND090868-0040

PLATE,THRUST

SN: 10001-UP

1шт.

15

ND90567-30000

RING

SN: 10001-UP

1шт.

16

ND949013-4090

WASHER¤ 0.1MM

SN: 10001-UP

-2шт.

|16

ND949013-4060

WASHER¤ 0.2MM

SN: 10001-UP

-2шт.

|16

ND949013-4070

WASHER¤ 0.3MM

SN: 10001-UP

-2шт.

|16

ND949013-4080

WASHER¤ 0.4MM

SN: 10001-UP

-2шт.

|16

ND949013-4100

WASHER¤ 1.0MM

SN: 10001-UP

-2шт.

17

ND090992-0480

SPRING,SPEED CONTROL

SN: 10001-UP

1шт.

18

ND090993-0280

SPRING,START

SN: 10001-UP

1шт.

|19

ND090910-1640

ADAPTER ASS'Y

SN: 14922-UP

1шт.

|19

ND090910-1420

ADAPTER ASS'Y

SN: 10001-14921

1шт.

19

ND090911-0020

SCREW,ADJUSTING

SN: 10001-UP

1шт.

20

ND090919-0341

ADAPTER

SN: 10001-UP

1шт.

21

ND090918-0290

SPRING,OUTER

SN: 14922-UP

1шт.

|21

ND090918-0140

SPRING,OUTER

SN: 10001-14921

1шт.

22

ND090918-2000

SPRING,INNER

SN: 14922-UP

1шт.

|22

ND090918-2040

SPRING,INNER

SN: 10001-14921

1шт.

23

ND949013-3890

WASHER¤ 0.1MM

SN: 10001-UP

-2шт.

|23

ND949013-4110

WASHER¤ 0.2MM

SN: 10001-UP

-2шт.

24

ND949013-4450

WASHER¤ 0.1MM

SN: 10001-UP

-2шт.

|24

ND949013-3750

WASHER¤ 0.3MM

SN: 10001-UP

-2шт.

25

ND090923-0011

NUT,LOCK

SN: 10001-UP

1шт.

26

ND090224-0140

PLUG

SN: 10001-UP

1шт.

27

ND090119-0040

GASKET

SN: 10001-UP

1шт.

28

ND090823-0230

GASKET

SN: 10001-UP

1шт.

29

ND090245-0230

SCREW

SN: 10001-UP

1шт.

30

ND090222-0120

WASHER

SN: 10001-UP

2шт.

31

ND949047-0620

BOLT

SN: 10001-UP

2шт.

32

ND91418-06201

BOLT

SN: 10001-UP

2шт.

33

ND91518-06161

BOLT

SN: 10001-UP

4шт.

|1

6150-71-1342

INJECTION PUMP A.

SN: 14922-UP

1шт.

|1

6150-71-1341

INJECTION PUMP A.

SN: 10001-14921

1шт.

|1

ND090800-8481

GOVERNOR ASS'Y

SN: 14922-UP

1шт.

|1

ND090800-8450

GOVERNOR ASS'Y

SN: 10001-14921

1шт.

1

ND090810-0390

HOUSING

SN: 10001-UP

1шт.

2

ND090878-0040

PLATE

SN: 10001-UP

1шт.

3

ND091024-0031

SCREW,ADJUSTING

SN: 10001-UP

1шт.

4

ND090901-0150

LEVER ASS'Y,TENSION

SN: 10001-UP

1шт.

5

ND090930-0490

LEVER ASS'Y,CONTROL

SN: 10001-UP

1шт.

6

ND090894-0010

E-RING

SN: 10001-UP

1шт.

7

ND948053-0051

NUT

SN: 10001-UP

1шт.

8

ND090970-0350

SHACKLE ASS'Y

SN: 10001-UP

1шт.

9

ND949130-0050

KEY,WOODRUFF

SN: 10001-UP

1шт.

10

ND090840-0520

FLYWEIGHT ASS'Y

SN: 10001-UP

1шт.

11

ND949015-0500

WASHER¤ 2.5MM,SPRING

SN: 10001-UP

1шт.

12

ND090844-0010

NUT

SN: 10001-UP

1шт.

13

ND090860-0200

SLEEVE SUB ASS'Y

SN: 10001-UP

1шт.

14

ND090868-0040

PLATE,THRUST

SN: 10001-UP

1шт.

15

ND90567-30000

RING

SN: 10001-UP

1шт.

16

ND949013-4090

WASHER¤ 0.1MM

SN: 10001-UP

-2шт.

|16

ND949013-4060

WASHER¤ 0.2MM

SN: 10001-UP

-2шт.

|16

ND949013-4070

WASHER¤ 0.3MM

SN: 10001-UP

-2шт.

|16

ND949013-4080

WASHER¤ 0.4MM

SN: 10001-UP

-2шт.

|16

ND949013-4100

WASHER¤ 1.0MM

SN: 10001-UP

-2шт.

17

ND090992-0480

SPRING,SPEED CONTROL

SN: 10001-UP

1шт.

18

ND090993-0280

SPRING,START

SN: 10001-UP

1шт.

|19

ND090910-1640

ADAPTER ASS'Y

SN: 14922-UP

1шт.

|19

ND090910-1420

ADAPTER ASS'Y

SN: 10001-14921

1шт.

19

ND090911-0020

SCREW,ADJUSTING

SN: 10001-UP

1шт.

20

ND090919-0341

ADAPTER

SN: 10001-UP

1шт.

21

ND090918-0290

SPRING,OUTER

SN: 14922-UP

1шт.

|21

ND090918-0140

SPRING,OUTER

SN: 10001-14921

1шт.

22

ND090918-2000

SPRING,INNER

SN: 14922-UP

1шт.

|22

ND090918-2040

SPRING,INNER

SN: 10001-14921

1шт.

23

ND949013-3890

WASHER¤ 0.1MM

SN: 10001-UP

-2шт.

|23

ND949013-4110

WASHER¤ 0.2MM

SN: 10001-UP

-2шт.

24

ND949013-4450

WASHER¤ 0.1MM

SN: 10001-UP

-2шт.

|24

ND949013-3750

WASHER¤ 0.3MM

SN: 10001-UP

-2шт.

25

ND090923-0011

NUT,LOCK

SN: 10001-UP

1шт.

26

ND090224-0140

PLUG

SN: 10001-UP

1шт.

27

ND090119-0040

GASKET

SN: 10001-UP

1шт.

28

ND090823-0230

GASKET

SN: 10001-UP

1шт.

29

ND090245-0230

SCREW

SN: 10001-UP

1шт.

30

ND090222-0120

WASHER

SN: 10001-UP

2шт.

31

ND949047-0620

BOLT

SN: 10001-UP

2шт.

32

ND91418-06201

BOLT

SN: 10001-UP

2шт.

33

ND91518-06161

BOLT

SN: 10001-UP

4шт.

Выбрано товаров: 94