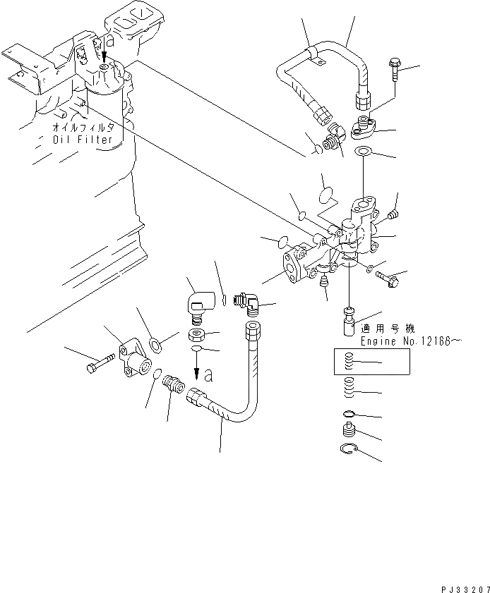
Запчасти Komatsu 6D125-1J-EA СИСТЕМА СМАЗКИ МАСЛОПРОВОДЯЩАЯ ЛИНИЯ ДВИГАТЕЛЬ

Схема запчастей Komatsu 6D125-1J-EA - СИСТЕМА СМАЗКИ МАСЛОПРОВОДЯЩАЯ ЛИНИЯ ДВИГАТЕЛЬ
1
2
3
4
5
6
7
8
8
9
10
11
12
13
14
15
16
16
17
18
19
20
21
22
22
23
23
23
24
25
26
27
1
2
3
4
5
6
7
8
8
9
10
11
12
13
14
15
16
16
17
18
19
20
21
22
22
23
23
23
24
25
26
27
FIT
1:1
100%

Артикул

Название

Примечание

Количество

|$0

6150-51-5602

ADAPTER ASS'Y

SN: 21955-UP

1шт.

|$1

0

ADAPTER ASS'Y

SN: 12188-21954

1шт.

|$2

0

ADAPTER ASS'Y

SN: 10001-12187

1шт.

1

0

BODY

SN: 12188-UP

1шт.

1

0

BODY

SN: 10001-12187

1шт.

2

6150-51-5622

VALVE

SN: 21955-UP

1шт.

2

0

VALVE

SN: 12188-21954

1шт.

2

0

VALVE

SN: 10001-12187

1шт.

3

6151-51-5690

SPRING

SN: 12188-UP

1шт.

4

6151-51-5680

SPRING

SN: 12188-UP

1шт.

4

0

SPRING

SN: 10001-12187

1шт.

5

6150-51-5641

PLUG

SN: 12188-UP

1шт.

5

0

PLUG

SN: 10001-12187

1шт.

6

07000-62020

O-RING

SN: 10001-UP

1шт.

7

04065-02412

RING,SNAP

SN: 10001-UP

1шт.

8

07043-00312

PLUG

SN: 10001-UP

2шт.

9

07000-62020

O-RING (K2)

SN: 10001-UP

1шт.

10

07000-63028

O-RING (K2)

SN: 10001-UP

1шт.

11

07000-63035

O-RING (K2)

SN: 10001-UP

1шт.

12

6150-81-9370

BOLT

SN: 21370-UP

7шт.

12

0

BOLT

SN: 10001-21369

7шт.

13

01640-21016

WASHER

SN: 10001-UP

7шт.

14

6150-51-5380

CONNECTOR

SN: 10001-UP

1шт.

15

6150-51-5750

CONNECTOR

SN: 10683-UP

1шт.

15

0

CONNECTOR

SN: 10001-10682

1шт.

16

6124-61-2181

GROMMET (K2)

SN: 10001-UP

2шт.

17

6150-81-9230

BOLT

SN: 10001-UP

2шт.

18

01010-51060

BOLT

SN: 10683-UP

2шт.

18

01010-51050

BOLT

SN: 10001-10682

2шт.

19

07102-20605

HOSE

SN: 10001-UP

1шт.

20

07102-20604

HOSE

SN: 10001-UP

1шт.

21

07230-10628

UNION

SN: 10001-UP

1шт.

22

07235-10628

ELBOW

SN: 10001-UP

2шт.

23

07002-32434

O-RING (K2)

SN: 10001-UP

3шт.

24

6150-51-5371

ELBOW

SN: 10001-UP

1шт.

25

07239-12410

NUT

SN: 10001-UP

1шт.

26

07002-32434

O-RING (K2)

SN: 10001-UP

1шт.

27

6150-51-9490

CLIP

SN: 10001-UP

1шт.

|$0

6150-51-5602

ADAPTER ASS'Y

SN: 21955-UP

1шт.

|$1

0

ADAPTER ASS'Y

SN: 12188-21954

1шт.

|$2

0

ADAPTER ASS'Y

SN: 10001-12187

1шт.

1

0

BODY

SN: 12188-UP

1шт.

1

0

BODY

SN: 10001-12187

1шт.

2

6150-51-5622

VALVE

SN: 21955-UP

1шт.

2

0

VALVE

SN: 12188-21954

1шт.

2

0

VALVE

SN: 10001-12187

1шт.

3

6151-51-5690

SPRING

SN: 12188-UP

1шт.

4

6151-51-5680

SPRING

SN: 12188-UP

1шт.

4

0

SPRING

SN: 10001-12187

1шт.

5

6150-51-5641

PLUG

SN: 12188-UP

1шт.

5

0

PLUG

SN: 10001-12187

1шт.

6

07000-62020

O-RING

SN: 10001-UP

1шт.

7

04065-02412

RING,SNAP

SN: 10001-UP

1шт.

8

07043-00312

PLUG

SN: 10001-UP

2шт.

9

07000-62020

O-RING (K2)

SN: 10001-UP

1шт.

10

07000-63028

O-RING (K2)

SN: 10001-UP

1шт.

11

07000-63035

O-RING (K2)

SN: 10001-UP

1шт.

12

6150-81-9370

BOLT

SN: 21370-UP

7шт.

12

0

BOLT

SN: 10001-21369

7шт.

13

01640-21016

WASHER

SN: 10001-UP

7шт.

14

6150-51-5380

CONNECTOR

SN: 10001-UP

1шт.

15

6150-51-5750

CONNECTOR

SN: 10683-UP

1шт.

15

0

CONNECTOR

SN: 10001-10682

1шт.

16

6124-61-2181

GROMMET (K2)

SN: 10001-UP

2шт.

17

6150-81-9230

BOLT

SN: 10001-UP

2шт.

18

01010-51060

BOLT

SN: 10683-UP

2шт.

18

01010-51050

BOLT

SN: 10001-10682

2шт.

19

07102-20605

HOSE

SN: 10001-UP

1шт.

20

07102-20604

HOSE

SN: 10001-UP

1шт.

21

07230-10628

UNION

SN: 10001-UP

1шт.

22

07235-10628

ELBOW

SN: 10001-UP

2шт.

23

07002-32434

O-RING (K2)

SN: 10001-UP

3шт.

24

6150-51-5371

ELBOW

SN: 10001-UP

1шт.

25

07239-12410

NUT

SN: 10001-UP

1шт.

26

07002-32434

O-RING (K2)

SN: 10001-UP

1шт.

27

6150-51-9490

CLIP

SN: 10001-UP

1шт.

Выбрано товаров: 76