Запчасти Komatsu 6D125E-2A-5 ПЕРЕДН. COVER(№9-79) ДВИГАТЕЛЬ

Схема запчастей Komatsu 6D125E-2A-5 - ПЕРЕДН. COVER(№9-79) ДВИГАТЕЛЬ
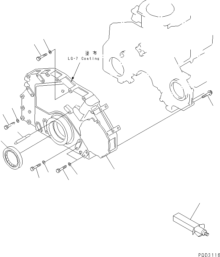
1
2
3
4
5
6
6
7
8
8
8
8
9
1
2
3
4
5
6
6
7
8
8
8
8
9
FIT
1:1
100%

Артикул

Название

Примечание

Количество

1

6150-22-3140

COVER,FRONT

SN: 62922-76693

1шт.

2

6150-22-3340

POINTER

SN: 62922-76693

1шт.

3

6150-21-3230

SEAL¤ FRONT (K2)

SN: 62922-76693

1шт.

4

01010-81065

BOLT

SN: 62922-76693

8шт.

5

01010-81070

BOLT

SN: 62922-76693

4шт.

6

01010-81075

BOLT

SN: 62922-76693

6шт.

7

6150-81-9130

BOLT

SN: 62922-76693

4шт.

8

01640-21016

WASHER

SN: 62922-76693

18шт.

9

09920-00150

LIQUID GASKET,LG-7¤ 150G

SN: 62922-76693

-2шт.

1

6150-22-3140

COVER,FRONT

SN: 62922-76693

1шт.

2

6150-22-3340

POINTER

SN: 62922-76693

1шт.

3

6150-21-3230

SEAL¤ FRONT (K2)

SN: 62922-76693

1шт.

4

01010-81065

BOLT

SN: 62922-76693

8шт.

5

01010-81070

BOLT

SN: 62922-76693

4шт.

6

01010-81075

BOLT

SN: 62922-76693

6шт.

7

6150-81-9130

BOLT

SN: 62922-76693

4шт.

8

01640-21016

WASHER

SN: 62922-76693

18шт.

9

09920-00150

LIQUID GASKET,LG-7¤ 150G

SN: 62922-76693

-2шт.

Выбрано товаров: 18