Запчасти Komatsu D65E-12 ТОПЛИВН. БАК.(№9-) ТОПЛИВН. БАК. AND КОМПОНЕНТЫ

Схема запчастей Komatsu D65E-12 - ТОПЛИВН. БАК.(№9-) ТОПЛИВН. БАК. AND КОМПОНЕНТЫ
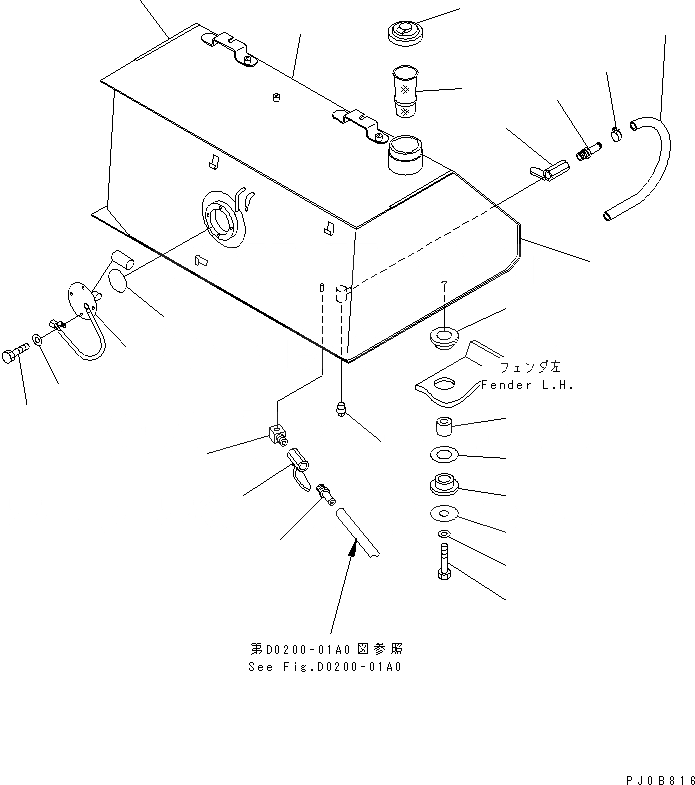
1
2
2
3
4
5
5
6
6
7
8
9
10
11
12
13
13
14
15
16
17
18
19
20
FIT
1:1
100%

Артикул

Название

Примечание

Количество

1

14X-04-11113

TANK

SN: 60942-65000

1шт.

2

14X-04-11141

SEAL

SN: 60942-65000

2шт.

3

20Y-04-11160

CAP

SN: 60942-65000

1шт.

4

07056-18416

STRAINER

SN: 60942-65000

1шт.

5

07700-40240

VALVE

SN: 60942-@

2шт.

6

120-04-41130

NIPPLE

SN: 60942-@

2шт.

7

07042-00617

PLUG

SN: 60942-65000

1шт.

8

20T-04-71130

ELBOW

SN: 60942-@

1шт.

9

7861-92-4940

SENSOR,FUEL

SN: 60942-65000

1шт.

10

07000-02085

O-RING

SN: 60942-@

1шт.

11

01010-81020

BOLT

SN: 60942-@

4шт.

12

01643-31032

WASHER

SN: 60942-@

4шт.

13

195-54-42550

CUSHION

SN: 60942-@

8шт.

14

195-54-42560

BOSS

SN: 60942-@

4шт.

15

14X-04-11180

PLATE

SN: 60942-@

4шт.

16

01010-81680

BOLT

SN: 60942-@

4шт.

17

01643-31645

WASHER

SN: 60942-@

4шт.

18

07285-00115

CLIP

SN: 60942-@

1шт.

19

07270-01035

TUBE

SN: 60942-@

1шт.

20

14X-54-13350

WASHER

SN: 60942-@

4шт.

Выбрано товаров: 0