Запчасти Komatsu D65E-12 ПРЕДПУСКОВ. ПОДОГРЕВ (/) (ДЛЯ СНГ)(№7-) РАЗНОЕ

Схема запчастей Komatsu D65E-12 - ПРЕДПУСКОВ. ПОДОГРЕВ (/) (ДЛЯ СНГ)(№7-) РАЗНОЕ
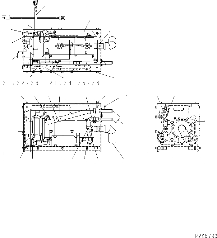
1
2
3
4
5
6
7
7
8
9
9
10
10
10
11
12
12
13
13
13
14
15
16
17
18
19
20
27
FIT
1:1
100%

Артикул

Название

Примечание

Количество

|$0

14X-977-2160

HEATER

SN: 62376-UP

1шт.

1

MK533 735

BRACKET ASS'Y

SN: 62376-UP

1шт.

2

14X-977-1960

EXHAUST PIPE ASS'Y

SN: 62376-UP

1шт.

3

MK063 1167

CABLE ASS'Y

SN: 62376-UP

1шт.

4

MK018 009

RING

SN: 62376-UP

1шт.

5

MK533 838A

ANGLE

SN: 62376-UP

1шт.

6

MK533 889A

COVER

SN: 62376-UP

1шт.

7

MK013 273

RUBBER

SN: 62376-UP

2шт.

8

MK007 059

CLAMP

SN: 62376-UP

2шт.

9

MKCW2=0510

SCREW

SN: 62376-UP

8шт.

10

MKBW13=0612

BOLT

SN: 62376-UP

24шт.

11

MKBW13=0616

BOLT

SN: 62376-UP

2шт.

12

MK015 015

CAP

SN: 62376-UP

2шт.

13

MK007 272

CLAMP

SN: 62376-UP

3шт.

14

MK007 157

CLAMP

SN: 62376-UP

8шт.

15

MKBDG-8

BAND

SN: 62376-UP

4шт.

16

MK020 035

PIPE

SN: 62376-UP

2шт.

17

MK009 044

ELBOW

SN: 62376-UP

3шт.

18

MK016 154

HOSE

SN: 62376-UP

1шт.

19

MK016 366

HOSE

SN: 62376-UP

1шт.

20

MK005 155

HOSE

SN: 62376-UP

1шт.

21

MK020 455

FUEL PIPE ASS'Y

SN: 62376-UP

1шт.

22

MK533 278A

JOINT ASS'Y

SN: 62376-UP

1шт.

23

MK001 041

RELEASE VALVE

SN: 62376-UP

1шт.

24

MK010 013

O-RING

SN: 62376-UP

1шт.

25

MK065 087

BRACKET

SN: 62376-UP

2шт.

26

MK065 101

HOLDER

SN: 62376-UP

1шт.

27

MK065 102

FUSE

SN: 62376-UP

1шт.

28

MK065 131A

HOLDER,(NOT SHOWN)

SN: 62376-UP

1шт.

29

MK065 113

FUSE,(NOT SHOWN)

SN: 62376-UP

1шт.

30

MK065 127

FUSE,(NOT SHOWN)

SN: 62376-UP

1шт.

31

MK533 931

CABINET ASS'Y,(NOT SHOWN)

SN: 62376-UP

1шт.

Выбрано товаров: 0