Запчасти Komatsu D65E-12 ТРАНСМИССИЯ (КОРПУС)(№9-) СИЛОВАЯ ПЕРЕДАЧА И КОНЕЧНАЯ ПЕРЕДАЧА

Схема запчастей Komatsu D65E-12 - ТРАНСМИССИЯ (КОРПУС)(№9-) СИЛОВАЯ ПЕРЕДАЧА И КОНЕЧНАЯ ПЕРЕДАЧА
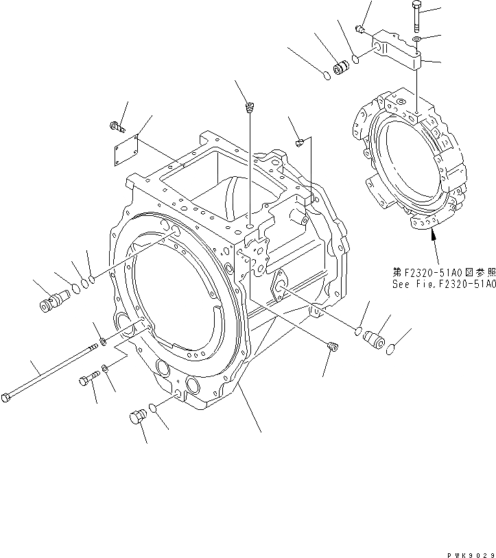
1
2
3
4
5
6
7
8
9
10
11
12
13
14
15
16
17
18
18
19
20
21
22
23
24
24
FIT
1:1
100%

Артикул

Название

Примечание

Количество

|$1

14X-15-00012

TRANSMISSION ASS'Y

SN: 60942-65000

1шт.

|$$2

THESE ASSEMBLIES CONSIST OF ALL PARTS SHOWN IN FIGS.F2320-51A0 TO F2320-62A0.

-1шт.

|$4

134-15-00260

CASE ASS'Y

SN: 60942-65000

1шт.

1

134-15-61110

CASE

SN: 60942-65000

1шт.

2

07043-70617

PLUG

SN: 60942-65000

2шт.

3

07043-70415

PLUG

SN: 60942-65000

2шт.

4

07049-02025

PLUG

SN: 60942-65000

6шт.

5

07044-12412

PLUG

SN: 60942-@

1шт.

6

07002-02434

O-RING (K2)

SN: 60942-@

1шт.

7

09608-05080

PLATE, NAME

SN: 60942-@

1шт.

8

04418-13060

SCREW

SN: 60942-@

4шт.

9

14X-15-15161

SLEEVE

SN: 60942-@

1шт.

10

07000-73022

O-RING (K2)

SN: 60942-@

1шт.

11

07000-73025

O-RING (K2)

SN: 60942-@

1шт.

12

07000-73028

O-RING (K2)

SN: 60942-@

1шт.

13

14X-15-15141

BLOCK

SN: 60942-65000

1шт.

14

07043-70312

PLUG

SN: 60942-@

1шт.

15

01010-81065

BOLT

SN: 60942-@

2шт.

16

01643-31032

WASHER

SN: 60942-@

2шт.

17

14X-15-15181

SLEEVE

SN: 60942-65000

1шт.

18

07000-73022

O-RING (K2)

SN: 60942-@

2шт.

19

14X-15-14150

SLEEVE

SN: 60942-@

1шт.

20

07000-73022

O-RING (K2)

SN: 60942-@

1шт.

21

07000-73025

O-RING (K2)

SN: 60942-@

1шт.

22

232-15-11240

BOLT

SN: 60942-65000

8шт.

23

01010-61440

BOLT

SN: 60942-65000

4шт.

24

145-14-11571

WASHER

SN: 62966-65000

12шт.

24

145-14-11570

WASHER

SN: 60942-62965

12шт.

Выбрано товаров: 28