Запчасти Komatsu D65E-6 ДВИГАТЕЛЬ ATTACKING ЧАСТИ КОМПОНЕНТЫ ДВИГАТЕЛЯ И ЭЛЕКТРИКА

Схема запчастей Komatsu D65E-6 - ДВИГАТЕЛЬ ATTACKING ЧАСТИ КОМПОНЕНТЫ ДВИГАТЕЛЯ И ЭЛЕКТРИКА
FIT
1:1
100%

Артикул

Название

Примечание

Количество

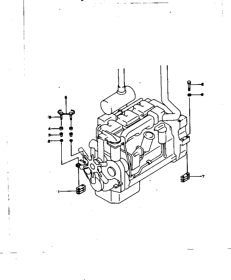
1

6675-22-3932

SHIM, 1.0MM

SN: 20295-UP

6шт.

2

6643-21-3982

BUSHING

SN: 20295-UP

4шт.

3

6643-21-3912

BUSHING,RUBBER

SN: 20295-UP

4шт.

4

6643-21-3871

SEAT

SN: 20295-UP

4шт.

5

6675-21-3863

BOLT

SN: 20295-UP

4шт.

6

04059-01650

WIRE

SN: 20295-UP

2шт.

7

6672-22-3941

SHIM, 1.0MM

SN: 20295-UP

6шт.

8

141-01-32111

BOLT

SN: 20295-UP

4шт.

9

01602-01854

WASHER

SN: 20295-UP

4шт.

Выбрано товаров: 9