Запчасти Komatsu D65E-6 ТОРКФЛОУ ТРАНСМИССИЯ ЗАДН. КРЫШКА(№-) ГИДРОТРАНСФОРМАТОР И ТРАНСМИССИЯ

Схема запчастей Komatsu D65E-6 - ТОРКФЛОУ ТРАНСМИССИЯ ЗАДН. КРЫШКА(№-) ГИДРОТРАНСФОРМАТОР И ТРАНСМИССИЯ
FIT
1:1
100%

Артикул

Название

Примечание

Количество

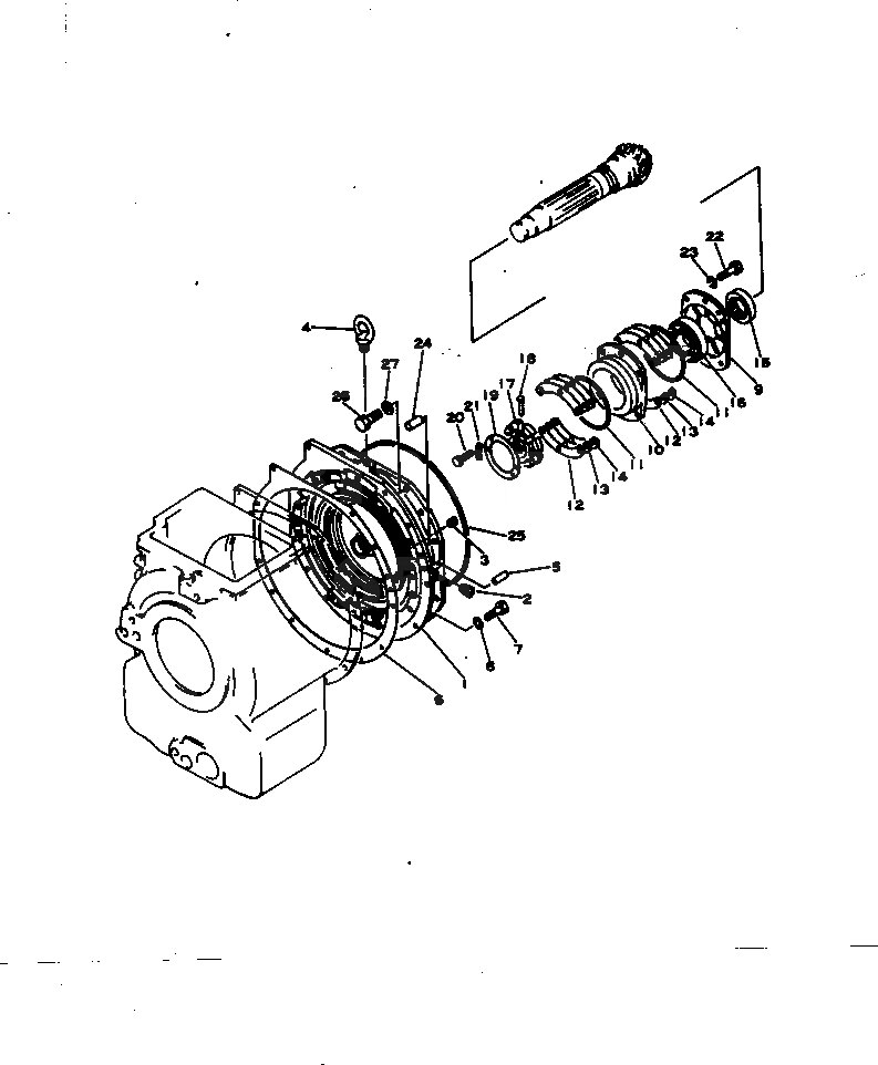
1

144-15-00014

TRANSMISSION ASS'Y

SN: 31001-34000

1шт.

1

144-15-00015

TRANSMISSION ASS'Y

SN: 34001-UP

1шт.

|$$3

THESE ASSEMBLIES CONSIST OF ALL PARTS SHOWN IN FIGS.1251A TO 1265A.

-1шт.

1

145-15-00230

REAR COVER ASS'Y

SN: 31001-UP

1шт.

1

0

COVER

SN: 31001-UP

1шт.

2

07043-00211

PLUG

SN: 31001-UP

2шт.

3

07043-00108

PLUG

SN: 31001-UP

1шт.

4

04530-02030

BOLT

SN: 31001-UP

1шт.

5

04020-01434

PIN

SN: 31001-UP

1шт.

6

144-15-21120

GASKET (KIT)

SN: 31001-UP

1шт.

7

01010-31240

BOLT

SN: 31001-UP

12шт.

8

01602-01236

WASHER

SN: 31001-UP

12шт.

9

144-822-1220

CAGE

SN: 31001-UP

1шт.

10

144-822-1230

COVER

SN: 31001-UP

1шт.

11

07000-65160

O-RING (KIT)

SN: 31001-UP

2шт.

11

144-15-06011

SHIM KIT (KIT)

SN: 31001-UP

1шт.

12

144-15-21260

SHIM, 0.2MM

SN: 31001-UP

8шт.

13

144-15-21270

SHIM, 1.0MM

SN: 31001-UP

2шт.

14

144-15-21280

SHIM, 0.3MM

SN: 31001-UP

6шт.

15

07012-20090

SEAL (KIT)

SN: 31001-UP

1шт.

16

144-15-22810

BEARING

SN: 31001-UP

1шт.

17

135-15-11634

NUT

SN: 31001-UP

1шт.

18

145-15-31331

PIN

SN: 31001-UP

1шт.

19

145-15-31340

RING

SN: 31001-UP

1шт.

20

01010-30610

BOLT

SN: 31001-UP

4шт.

21

145-15-31350

LOCK (KIT)

SN: 31001-UP

2шт.

22

01010-31460

BOLT

SN: 31001-UP

4шт.

23

01602-01442

WASHER

SN: 31001-UP

4шт.

24

04020-01638

PIN

SN: 31001-UP

1шт.

25

07000-05445

O-RING (KIT)

SN: 31001-UP

1шт.

26

01010-31845

BOLT

SN: 31001-UP

8шт.

27

01643-31845

WASHER

SN: 31001-UP

8шт.

Выбрано товаров: 32