Запчасти Komatsu D65E-8 КОМПРЕССОР И КОМПОНЕНТЫ (С КОНДИЦИОНЕРОМ)(№79-) ЧАСТИ КОРПУСА

Схема запчастей Komatsu D65E-8 - КОМПРЕССОР И КОМПОНЕНТЫ (С КОНДИЦИОНЕРОМ)(№79-) ЧАСТИ КОРПУСА
FIT
1:1
100%

Артикул

Название

Примечание

Количество

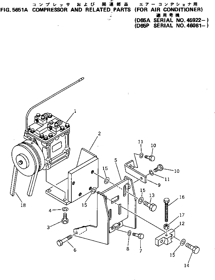
1

145-Z79-5400

COMPRESSOR ASS'Y

SN: 45001-UP

1шт.

2

144-Y11-1370

BRACKET

SN: 47629-UP

1шт.

3

01010-50835

BOLT

SN: 47629-UP

4шт.

4

01643-30823

WASHER

SN: 47629-UP

4шт.

5

144-Z79-5310

BRACKET

SN: 45001-UP

1шт.

6

01011-51055

BOLT

SN: 45001-UP

1шт.

7

01010-51025

BOLT

SN: 45001-UP

2шт.

8

01602-21030

WASHER,SPRING

SN: 45001-UP

2шт.

9

144-Z79-5340

BRACKET

SN: 45001-UP

1шт.

10

01010-51025

BOLT

SN: 45001-UP

2шт.

11

01602-21030

WASHER,SPRING

SN: 45001-UP

2шт.

12

144-Z79-5330

BLOCK

SN: 45001-UP

1шт.

13

01010-51230

BOLT

SN: 47629-UP

2шт.

14

01010-51240

BOLT

SN: 47629-UP

2шт.

15

01643-31232

WASHER

SN: 45001-UP

8шт.

16

01016-51090

BOLT

SN: 45001-UP

1шт.

17

01580-11008

NUT

SN: 45001-UP

1шт.

18

04120-21755

V-BELT

SN: 45001-UP

1шт.

Выбрано товаров: 18