Запчасти Komatsu D65E-8 БАК КРЫШКА(ШУМОПОДАВЛ. СПЕЦ-Я ДЛЯ EC) (DE-8D)(№89-) ОПЦИОННЫЕ КОМПОНЕНТЫ¤ ИНСТРУМЕНТ И РЕМКОМПЛЕКТЫ

Схема запчастей Komatsu D65E-8 - БАК КРЫШКА(ШУМОПОДАВЛ. СПЕЦ-Я ДЛЯ EC) (DE-8D)(№89-) ОПЦИОННЫЕ КОМПОНЕНТЫ¤ ИНСТРУМЕНТ И РЕМКОМПЛЕКТЫ
FIT
1:1
100%

Артикул

Название

Примечание

Количество

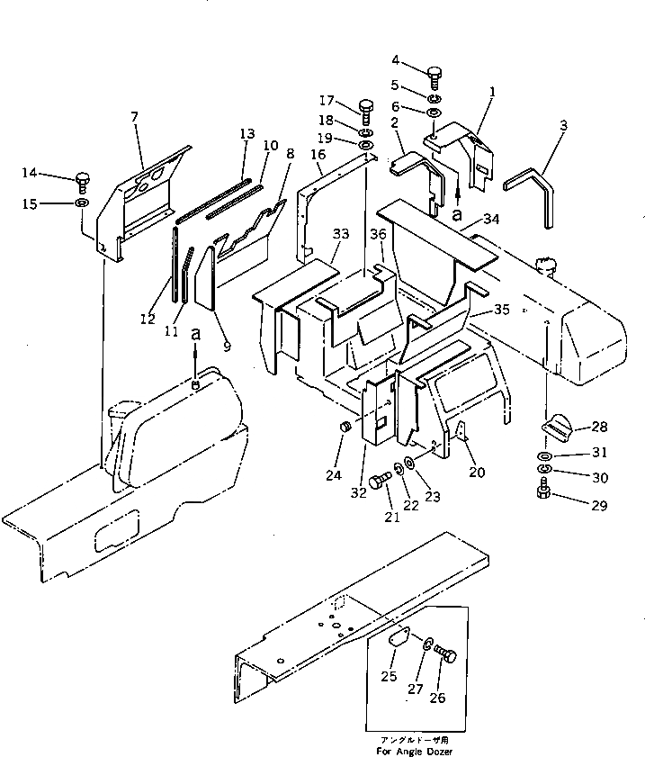
1

144-A62-8570

COVER

SN: 46890-UP

1шт.

2

144-A62-8560

ABSORBER

SN: 46890-UP

1шт.

3

144-A62-6930

SEAL

SN: 46890-UP

1шт.

4

01010-51225

BOLT

SN: 46890-UP

3шт.

5

01602-21236

WASHER,SPRING

SN: 46890-UP

3шт.

6

01643-31232

WASHER

SN: 46890-UP

3шт.

7

144-A62-8890

COVER

SN: 46890-UP

1шт.

8

144-A62-8910

ABSORBER

SN: 46890-UP

1шт.

9

134-A62-3590

ABSORBER

SN: 46890-UP

1шт.

10

144-A62-9460

SHEET

SN: 46890-UP

1шт.

11

144-A62-9470

SHEET

SN: 46890-UP

1шт.

12

134-A62-3620

SHEET

SN: 46890-UP

1шт.

13

134-A62-3630

SHEET

SN: 46890-UP

1шт.

14

01010-51430

BOLT

SN: 46890-UP

4шт.

15

01643-31445

WASHER

SN: 46890-UP

4шт.

16

144-A62-6940

COVER

SN: 46890-UP

1шт.

17

01010-51225

BOLT

SN: 46890-UP

5шт.

18

01602-21236

WASHER,SPRING

SN: 46890-UP

5шт.

19

01643-31232

WASHER

SN: 46890-UP

5шт.

20

144-54-25280

BRACKET

SN: 46890-UP

1шт.

21

01010-51225

BOLT

SN: 46890-UP

2шт.

22

01602-21236

WASHER,SPRING

SN: 46890-UP

2шт.

23

01643-31232

WASHER

SN: 46890-UP

2шт.

24

09415-01008

CAP

SN: 46890-UP

2шт.

25

144-54-14470

COVER,(FOR ANGLE DOZER)

SN: 46890-UP

1шт.

26

01010-51225

BOLT,(FOR ANGLE DOZER)

SN: 46890-UP

2шт.

27

01602-21236

WASHER,(FOR ANGLE DOZER)

SN: 46890-UP

2шт.

28

144-54-12460

COVER

SN: 46890-UP

1шт.

29

01010-51020

BOLT

SN: 46890-UP

2шт.

30

01602-21030

WASHER,SPRING

SN: 46890-UP

2шт.

31

01643-31032

WASHER

SN: 46890-UP

2шт.

32

134-A62-4320

COVER,L.H.

SN: 46890-UP

1шт.

33

134-A62-4330

COVER,R.H.

SN: 46890-UP

1шт.

34

134-A62-4340

COVER,REAR

SN: 46890-UP

1шт.

35

134-A62-4350

COVER,L.H.

SN: 46890-UP

1шт.

36

134-A62-4360

COVER,R.H.

SN: 46890-UP

1шт.

Выбрано товаров: 36