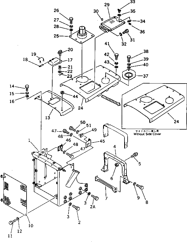
Запчасти Komatsu D65E-8 КАПОТ И ЧАСТИ КОРПУСА (D.E-8) (DE-8B) ЧАСТИ КОРПУСА

Схема запчастей Komatsu D65E-8 - КАПОТ И ЧАСТИ КОРПУСА (D.E-8) (DE-8B) ЧАСТИ КОРПУСА
FIT
1:1
100%

Артикул

Название

Примечание

Количество

1

144-54-51380

GUARD,(FOR D60E)

SN: 45116-UP

1шт.

1

144-54-51260

GUARD,(FOR D60E)

SN: 45001-45115

1шт.

1

144-54-51380

GUARD,(FOR D65E)

SN: 45397-UP

1шт.

1

144-54-51260

GUARD,(FOR D65E)

SN: 45001-45396

1шт.

2

01019-32020

BOLT,(FOR D60E)

SN: 45116-UP

14шт.

2

01019-32015

BOLT,(FOR D60E)

SN: 45001-45115

14шт.

2

01019-32020

BOLT,(FOR D65E)

SN: 45397-UP

14шт.

2

01019-32015

BOLT,(FOR D65E)

SN: 45001-45396

14шт.

2A

01019-32005

BOLT,(FOR D60E)

SN: 45116-UP

2шт.

2A

01019-32015

BOLT,(FOR D60E)

SN: 45001-45115

2шт.

2A

01019-32005

BOLT,(FOR D65E)

SN: 45397-UP

2шт.

2A

01019-32015

BOLT,(FOR D65E)

SN: 45001-45396

2шт.

3

01643-32060

WASHER

SN: 45001-UP

16шт.

4

144-54-24211

FRAME

SN: 45001-UP

1шт.

5

120-43-39361

DAMPER

SN: 45001-UP

2шт.

6

01580-11008

NUT

SN: 45001-UP

2шт.

7

144-54-51220

FRAME

SN: 45001-UP

1шт.

8

01010-51440

BOLT

SN: 45001-UP

4шт.

9

01602-21442

WASHER,SPRING

SN: 45001-UP

4шт.

10

144-54-11922

GRILLE

SN: 45001-UP

1шт.

10

144-54-71112

GRILLE,(FOR D65E-8B)

SN: 47004-UP

1шт.

10

144-54-71110

GRILLE,(FOR D65E-8B)

SN: 45001-47003

1шт.

11

01010-51635

BOLT

SN: 45001-UP

6шт.

12

01643-31645

WASHER

SN: 45001-UP

6шт.

13

144-54-51121

COVER

SN: 45001-UP

1шт.

14

01010-51235

BOLT

SN: 45001-UP

7шт.

15

01602-21236

WASHER,SPRING

SN: 45001-UP

7шт.

16

01643-31232

WASHER

SN: 45001-UP

7шт.

17

144-54-51140

COVER

SN: 45001-UP

1шт.

18

131-54-11270

PIN

SN: 45001-UP

1шт.

19

04050-11610

PIN,COTTER

SN: 45001-UP

2шт.

20

09459-11033

LOCK

SN: 45001-UP

1шт.

21

09459-01614

SPRING

SN: 45001-UP

1шт.

22

01642-21016

WASHER

SN: 45001-UP

1шт.

23

04050-13015

PIN,COTTER

SN: 45001-UP

1шт.

24

144-54-51110

HOOD,(WITH SIDE COVER)

SN: 45001-UP

1шт.

24

144-54-51250

HOOD,(WITHOUT SIDE COVER)

SN: 45001-UP

1шт.

25

144-54-51130

COVER

SN: 45001-UP

1шт.

25

144-54-71150

COVER,(FOR D65E-8B)

SN: 45001-UP

1шт.

25

144-54-55610

COVER,(FOR TURBOCHARGER)

SN: 45001-UP

1шт.

26

01010-51235

BOLT

SN: 45001-UP

5шт.

27

01602-21236

WASHER,SPRING

SN: 45001-UP

5шт.

28

01643-31232

WASHER

SN: 45001-UP

5шт.

29

144-851-1750

COVER

SN: 45001-UP

1шт.

30

07049-01215

PLUG

SN: 45001-UP

4шт.

31

01010-51020

BOLT

SN: 45001-UP

2шт.

32

01602-21030

WASHER,SPRING

SN: 45001-UP

2шт.

33

135-54-31290

HANDLE

SN: 45001-UP

1шт.

34

135-54-31310

STOPPER

SN: 45001-UP

1шт.

35

01643-31032

WASHER

SN: 45001-UP

1шт.

36

04025-00316

PIN,SPRING

SN: 45001-UP

1шт.

37

144-54-51150

COVER

SN: 45001-UP

1шт.

38

01010-51230

BOLT

SN: 45001-UP

2шт.

39

01602-21236

WASHER,SPRING

SN: 45001-UP

2шт.

40

01643-31232

WASHER

SN: 45001-UP

2шт.

41

01010-51235

BOLT

SN: 45001-UP

5шт.

42

01602-21236

WASHER,SPRING

SN: 45001-UP

5шт.

43

01643-31232

WASHER

SN: 45001-UP

5шт.

44

08037-01610

GROMMET

SN: 45001-UP

2шт.

45

144-54-51180

CATCHER,L.H.

SN: 45001-UP

1шт.

46

144-54-51160

CATCHER,R.H.

SN: 45001-UP

1шт.

47

01010-51220

BOLT

SN: 45001-UP

6шт.

48

01602-21236

WASHER,SPRING

SN: 45001-UP

6шт.

49

144-54-51210

BRACKET

SN: 45001-UP

1шт.

50

01010-50820

BOLT

SN: 45001-UP

2шт.

51

01602-20825

WASHER,SPRING

SN: 45001-UP

2шт.

52

144-811-6210

PLATE

SN: 45001-UP

2шт.

53

140-60-15460

TUBE

SN: 45001-UP

2шт.

54

01010-51245

BOLT

SN: 45001-UP

2шт.

55

01580-11210

NUT

SN: 45001-UP

2шт.

56

04050-08070

PIN,COTTER

SN: 45001-UP

4шт.

Выбрано товаров: 71