Запчасти Komatsu D65EX-12-E АККУМУЛЯТОР ЭЛЕКТРОПРОВОДКА ЭЛЕКТРИКА

Схема запчастей Komatsu D65EX-12-E - АККУМУЛЯТОР ЭЛЕКТРОПРОВОДКА ЭЛЕКТРИКА
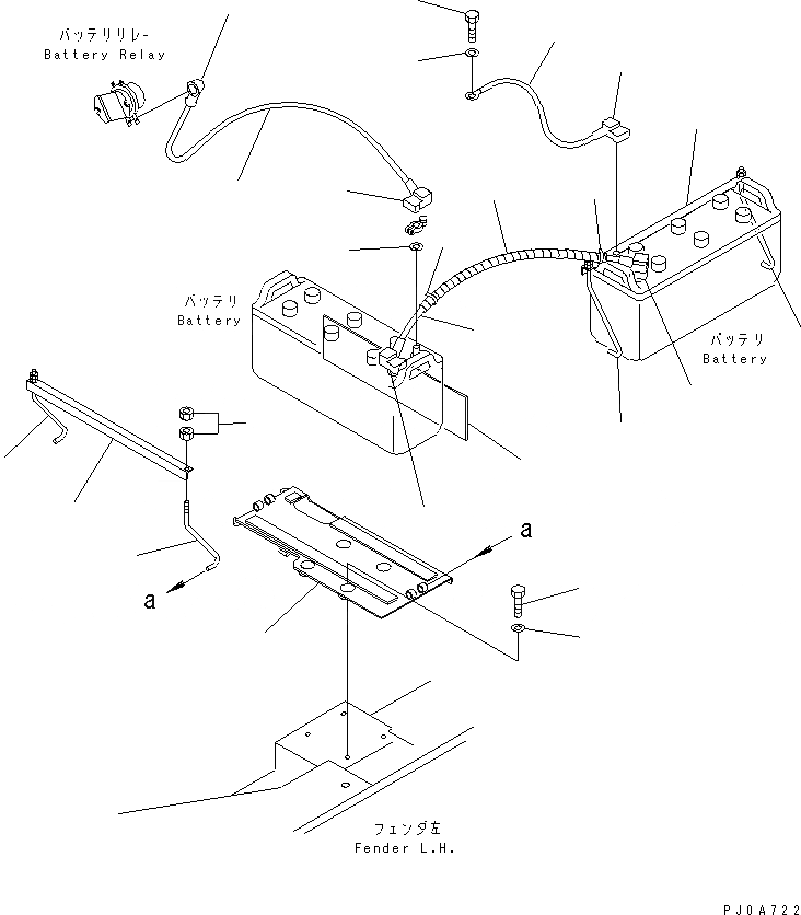
1
2
3
4
4
5
5
5
5
6
7
8
9
10
11
12
13
14
15
16
17
17
18
19
19
FIT
1:1
100%

Артикул

Название

Примечание

Количество

1

14X-54-13173

PLATE

SN: 60942-UP

1шт.

2

01010-81225

BOLT

SN: 60942-UP

4шт.

3

01643-31232

WASHER

SN: 60942-UP

4шт.

4

14X-06-12240

HOLDER

SN: 60942-UP

2шт.

5

120-06-31151

BOLT

SN: 60942-UP

4шт.

6

01580-11008

NUT

SN: 60942-UP

8шт.

7

120-06-31171

PLATE

SN: 60942-UP

1шт.

8

08028-64040

WIRE

SN: 60942-UP

1шт.

9

01643-31032

WASHER

SN: 60942-UP

1шт.

10

14X-06-12280

COVER,L.H.

SN: 60942-UP

1шт.

11

08038-00035

CAP

SN: 60942-UP

1шт.

12

08028-44040

CABLE

SN: 60942-UP

1шт.

13

14X-06-12260

COVER,L.H.

SN: 60942-UP

1шт.

14

01010-81016

BOLT

SN: 60942-UP

1шт.

15

01643-31032

WASHER

SN: 60942-UP

1шт.

16

08028-64070

CABLE

SN: 60942-UP

1шт.

17

14X-06-12270

COVER,R.H.

SN: 60942-UP

2шт.

18

08017-31904

CONDUIT

SN: 62291-UP

1шт.

19

08034-00414

BAND

SN: 62291-UP

2шт.

Выбрано товаров: 0