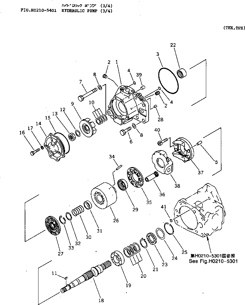
Запчасти Komatsu D65EX-12 ГИДР. НАСОС. (/) ГИДРАВЛИКА

Схема запчастей Komatsu D65EX-12 - ГИДР. НАСОС. (/) ГИДРАВЛИКА
FIT
1:1
100%

Артикул

Название

Примечание

Количество

|$1

708-1L-00011

PUMP ASS'Y

SN: 60001-UP

1шт.

|$$2

THIS ASSEMBLY CONSISTS OF ALL PARTS SHOWN IN FIGS.H0210-5201 TO H0210-5501.

-1шт.

|$3

708-1L-01011

PUMP SUB ASS'Y

SN: 60001-UP

1шт.

|$$4

THIS ASSEMBLY CONSISTS OF ALL PARTS SHOWN IN FIGS.H0210-5301 AND H0210-5401.

-1шт.

|$5

0

END CAP ASS'Y

SN: 60001-UP

1шт.

1

0

CAP,END

SN: 60001-UP

1шт.

2

0

PLUG

SN: 60001-UP

2шт.

3

0

O-RING

SN: 60001-UP

1шт.

4

0

O-RING

SN: 60001-UP

2шт.

5

0

PIN

SN: 60001-UP

1шт.

6

0

BOLT

SN: 60001-UP

6шт.

7

0

BOLT

SN: 60001-UP

1шт.

8

0

WASHER

SN: 60001-UP

7шт.

9

0

IMPELLER

SN: 60001-UP

1шт.

10

0

WASHER KIT

SN: 60001-UP

1шт.

10

0

WASHER, 2.7MM

SN: 60001-UP

1шт.

10

0

WASHER, 3.0MM

SN: 60001-UP

1шт.

10

0

WASHER, 3.3MM

SN: 60001-UP

1шт.

10

0

WASHER, 3.6MM

SN: 60001-UP

1шт.

11

0

KEY

SN: 60001-UP

1шт.

12

0

WASHER

SN: 60001-UP

1шт.

13

0

NUT

SN: 60001-UP

1шт.

14

708-1L-21621

COVER

SN: 60001-UP

1шт.

15

07000-02130

O-RING

SN: 60001-UP

1шт.

16

01010-51025

BOLT

SN: 60001-UP

6шт.

17

01643-31032

WASHER

SN: 60001-UP

6шт.

18

0

SHAFT

SN: 60001-UP

1шт.

19

0

BEARING

SN: 60001-UP

1шт.

20

0

WASHER KIT

SN: 60001-UP

1шт.

20

0

WASHER, 2.8MM

SN: 60001-UP

1шт.

20

0

WASHER, 2.9MM

SN: 60001-UP

1шт.

20

0

WASHER, 3.0MM

SN: 60001-UP

1шт.

20

0

WASHER, 3.1MM

SN: 60001-UP

1шт.

21

0

RING,SNAP

SN: 60001-UP

1шт.

22

0

BEARING

SN: 60001-UP

1шт.

23

708-25-52860

SEAL,OIL

SN: 60001-UP

1шт.

24

708-2L-22160

SPACER

SN: 60001-UP

1шт.

25

04065-06825

RING,SNAP

SN: 60001-UP

1шт.

|$39

0

BLOCK ASS'Y

SN: 60001-UP

1шт.

26

0

BLOCK,CYLINDER

SN: 60001-UP

1шт.

27

0

PLATE

SN: 60001-UP

1шт.

28

0

PIN

SN: 60001-UP

1шт.

29

0

GUIDE,RETAINER

SN: 60001-UP

1шт.

30

0

SPRING

SN: 60001-UP

1шт.

31

0

SEAT

SN: 60001-UP

1шт.

32

0

SEAT

SN: 60001-UP

1шт.

33

0

RING

SN: 60001-UP

1шт.

34

0

PIN

SN: 60001-UP

3шт.

35

0

RETAINER,SHOE

SN: 60001-UP

1шт.

36

0

PISTON SUB ASS'Y

SN: 60001-UP

9шт.

|$51

0

CRADLE ASS'Y

SN: 60001-UP

1шт.

37

0

CRADLE

SN: 60001-UP

1шт.

38

0

CAM,ROCKER

SN: 60001-UP

1шт.

39

0

PIN

SN: 60001-UP

1шт.

40

0

BOLT

SN: 60001-UP

4шт.

41

0

O-RING

SN: 60001-UP

1шт.

Выбрано товаров: 56