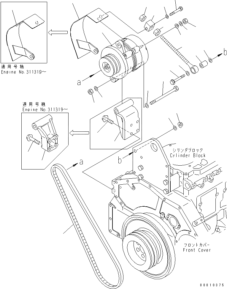
Запчасти Komatsu SA6D125E-3C-7L ГЕНЕРАТОР И КРЕПЛЕНИЕ (A)(№-) ДВИГАТЕЛЬ

Схема запчастей Komatsu SA6D125E-3C-7L - ГЕНЕРАТОР И КРЕПЛЕНИЕ (A)(№-) ДВИГАТЕЛЬ
1
1
2
3
4
5
6
6
7
7
8
8
9
9
10
11
12
12
13
14
15
16
16
16
17
18
19
1
1
2
3
4
5
6
6
7
7
8
8
9
9
10
11
12
12
13
14
15
16
16
16
17
18
19
FIT
1:1
100%

Артикул

Название

Примечание

Количество

1

600-825-5120

ALTERNATOR A. (50A),(SEE FIG.A6010-B3U6)

SN: 311306-UP

1шт.

2

600-815-9970

WASHER

SN: 311306-UP

1шт.

3

600-815-9980

WASHER

SN: 311306-UP

1шт.

4

6128-21-6780

BOLT

SN: 311306-UP

1шт.

5

02205-10812

NUT

SN: 311306-UP

1шт.

6

01640-21323

WASHER

SN: 311306-UP

2шт.

7

6151-82-6712

COVER

SN: 311319-UP

1шт.

7

0

COVER

SN: 311306-311318

1шт.

8

6154-81-6411

BRACKET

SN: 311319-UP

1шт.

8

0

BRACKET

SN: 311306-311318

1шт.

9

01435-01055

BOLT

SN: 311319-UP

4шт.

9

0

BOLT

SN: 311306-311318

4шт.

10

6150-82-8610

ROD,ADJUSTING

SN: 311306-UP

1шт.

11

6150-82-8690

PLATE

SN: 311306-UP

1шт.

12

01580-01411

NUT

SN: 311306-UP

2шт.

13

6215-81-6150

PIN

SN: 311306-UP

1шт.

14

01435-01265

BOLT

SN: 311306-UP

1шт.

15

01584-01210

NUT

SN: 311306-UP

1шт.

16

01643-31232

WASHER

SN: 311306-UP

3шт.

17

01050-51260

BOLT

SN: 311306-UP

1шт.

18

01643-31232

WASHER

SN: 311306-UP

1шт.

19

04120-21753

V-BELT

SN: 311306-UP

1шт.

1

600-825-5120

ALTERNATOR A. (50A),(SEE FIG.A6010-B3U6)

SN: 311306-UP

1шт.

2

600-815-9970

WASHER

SN: 311306-UP

1шт.

3

600-815-9980

WASHER

SN: 311306-UP

1шт.

4

6128-21-6780

BOLT

SN: 311306-UP

1шт.

5

02205-10812

NUT

SN: 311306-UP

1шт.

6

01640-21323

WASHER

SN: 311306-UP

2шт.

7

6151-82-6712

COVER

SN: 311319-UP

1шт.

7

0

COVER

SN: 311306-311318

1шт.

8

6154-81-6411

BRACKET

SN: 311319-UP

1шт.

8

0

BRACKET

SN: 311306-311318

1шт.

9

01435-01055

BOLT

SN: 311319-UP

4шт.

9

0

BOLT

SN: 311306-311318

4шт.

10

6150-82-8610

ROD,ADJUSTING

SN: 311306-UP

1шт.

11

6150-82-8690

PLATE

SN: 311306-UP

1шт.

12

01580-01411

NUT

SN: 311306-UP

2шт.

13

6215-81-6150

PIN

SN: 311306-UP

1шт.

14

01435-01265

BOLT

SN: 311306-UP

1шт.

15

01584-01210

NUT

SN: 311306-UP

1шт.

16

01643-31232

WASHER

SN: 311306-UP

3шт.

17

01050-51260

BOLT

SN: 311306-UP

1шт.

18

01643-31232

WASHER

SN: 311306-UP

1шт.

19

04120-21753

V-BELT

SN: 311306-UP

1шт.

Выбрано товаров: 44