Запчасти Komatsu D65EX-15 БОКОВ. КРЫШКА ДВИГ. (ОМЫВАТЕЛЬ СТЕКЛА БАК) (ДЛЯ КАБИНЫ)(№7-798) ЧАСТИ КОРПУСА

Схема запчастей Komatsu D65EX-15 - БОКОВ. КРЫШКА ДВИГ. (ОМЫВАТЕЛЬ СТЕКЛА БАК) (ДЛЯ КАБИНЫ)(№7-798) ЧАСТИ КОРПУСА
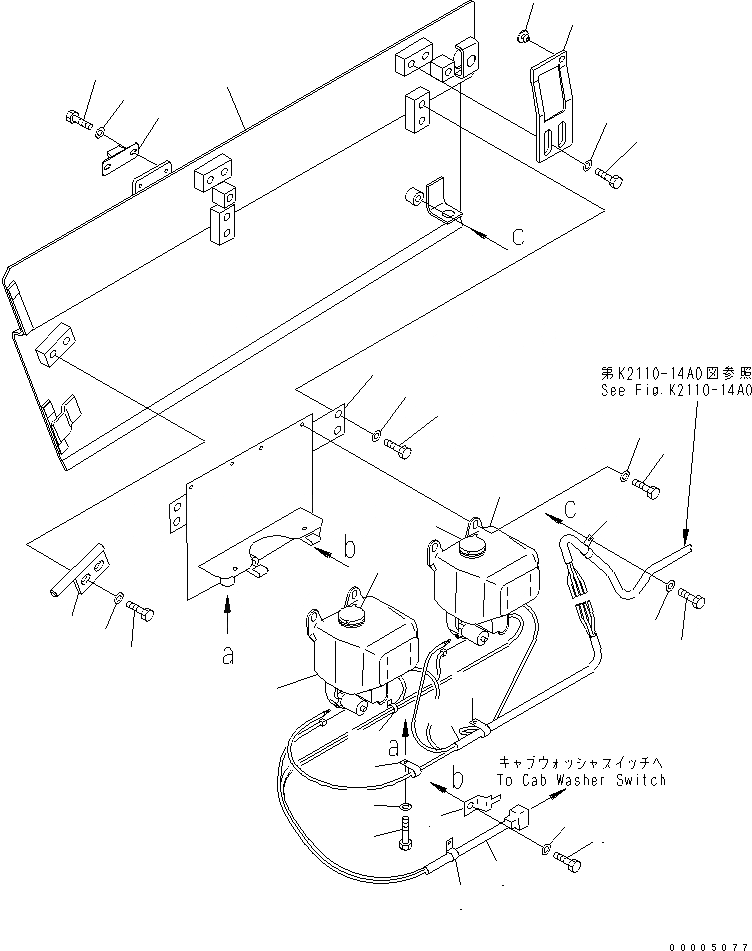
1
1
2
2
3
4
5
6
7
8
9
10
11
12
13
14
15
16
17
18
19
20
21
22
23
24
25
26
27
28
29
30
31
32
FIT
1:1
100%

Артикул

Название

Примечание

Количество

1

14X-911-1161

TANK

SN: 67001-@

2шт.

2

421-07-21570

CAP

SN: 67001-@

2шт.

3

01010-80616

BOLT

SN: 67001-@

4шт.

4

01643-30623

WASHER

SN: 67001-@

4шт.

5

14X-911-3630

BRACKET

SN: 67001-@

4шт.

6

14X-06-24211

WIRING HARNESS

SN: 67001-@

1шт.

7

08053-00910

CLIP

SN: 67001-@

1шт.

8

04434-51010

CLIP

SN: 67001-@

1шт.

9

01010-81016

BOLT

SN: 67001-@

2шт.

10

01643-31032

WASHER

SN: 67001-@

2шт.

11

08034-00519

BAND

SN: 67001-@

1шт.

12

04434-52511

CLIP

SN: 67001-@

1шт.

13

01010-81016

BOLT

SN: 67001-@

1шт.

14

01643-31032

WASHER

SN: 67001-@

1шт.

15

14X-911-1170

HOSE ASS'Y

SN: 67001-67918

1шт.

16

04434-51410

CLIP

SN: 67001-@

1шт.

17

04434-50810

CLIP

SN: 67001-@

1шт.

18

01010-81016

BOLT

SN: 67001-@

2шт.

19

01643-31032

WASHER

SN: 67001-@

2шт.

20

01010-81220

BOLT

SN: 67001-@

4шт.

21

01643-31232

WASHER

SN: 67001-@

4шт.

22

14X-54-32340

COVER,R.H.

SN: 67001-@

1шт.

23

14X-54-32480

GUIDE

SN: 67001-@

1шт.

24

01010-81225

BOLT

SN: 67001-@

2шт.

25

01643-31232

WASHER

SN: 67001-@

2шт.

26

14X-54-13980

PLATE

SN: 67001-@

2шт.

27

14X-54-12960

STOPPER

SN: 67001-@

2шт.

28

01010-81225

BOLT

SN: 67001-@

4шт.

29

01643-31232

WASHER

SN: 67001-@

4шт.

30

205-54-53550

DOVE TAIL

SN: 67001-@

1шт.

31

01010-80612

BOLT

SN: 67001-@

2шт.

32

01643-30623

WASHER

SN: 67001-@

2шт.

Выбрано товаров: 32