Запчасти Komatsu D65EX-15 МАРКИРОВКА (ГЕРМАН.)(№7-77) МАРКИРОВКА

Схема запчастей Komatsu D65EX-15 - МАРКИРОВКА (ГЕРМАН.)(№7-77) МАРКИРОВКА
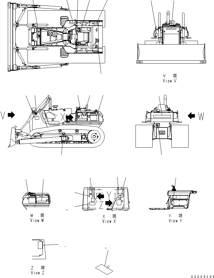
1
2
3
3
4
5
6
6
7
8
9
9A
9B
10
11
12
13
14
15
16
17
18
19
20
21
22
23
FIT
1:1
100%

Артикул

Название

Примечание

Количество

1

09690-F0560

PLATE, MARK,FRONT

SN: 67001-@

1шт.

2

09690-P1000

PLATE, MARK,REAR

SN: 67001-@

1шт.

3

09690-P0560

PLATE, MARK,SIDE

SN: 67001-@

2шт.

4

09690-M0063

PLATE, MARK,KOMATSU

SN: 67001-@

1шт.

5

14X-98-32711

OIL CHART

SN: 67538-@

1шт.

5

14X-98-32710

OIL CHART

SN: 67001-67537

1шт.

6

14X-98-11170

PLATE, OPERATING,LOCK

SN: 67001-@

2шт.

7

09669-0000E

PLATE, CAUTION,FUEL

SN: 67001-@

1шт.

8

0

PLATE, NAME

SN: 67158-@

1шт.

8

0

PLATE, NAME,(LIMITED SUPPLY)

SN: 67001-67157

1шт.

9

04418-13060

SCREW

SN: 67001-@

4шт.

9A

134-98-31370

PLATE, CAUTION,HANDLING POSTURE

SN: 67001-@

1шт.

9B

17A-98-11180

PLATE,HORN

SN: 67001-@

1шт.

10

14X-98-33120

MARK,D65EX

SN: 67001-@

1шт.

11

14X-98-33220

MARK,D65EX

SN: 67001-@

1шт.

12

14X-98-11250

PLATE, OPERATING,WORK EQUIP.LEVER (TILT DOZER)

SN: 67001-@

1шт.

13

09653-A0481

PLATE, SAFETY,HYDRAULIC TANK

SN: 67001-@

1шт.

14

09653-A0481

PLATE, SAFETY,RADIATOR

SN: 67001-@

1шт.

15

09654-B0641

PLATE, SAFETY,LEAVING SEAT

SN: 67001-@

1шт.

16

09657-A0881

PLATE, SAFETY,TRACK ADJUSTMENT

SN: 67001-@

2шт.

17

09651-A0641

PLATE, SAFETY,OPERATING AND MAINTENANCE

SN: 67001-@

1шт.

18

09802-B0750

PLATE, SAFETY,BEFORE DRIVING

SN: 67001-@

1шт.

19

09806-B1201

PLATE, SAFETY,DANGER, KEEP AWAY

SN: 67001-@

2шт.

20

09667-A0481

PLATE, SAFETY,REVOLUTION

SN: 67001-@

2шт.

21

09963-A1640

TAG,DO NOT OPERATE

SN: 67001-@

1шт.

22

09808-A0881

PLATE, SAFETY,BATTERY CABLE

SN: 67001-@

1шт.

23

14X-98-31760

PLATE,PRESSURE TEST

SN: 67001-@

1шт.

Выбрано товаров: 27