Запчасти Komatsu D65EX-15 HSS НАСОС (/) ОСНОВН. КОМПОНЕНТЫ И РЕМКОМПЛЕКТЫ

Схема запчастей Komatsu D65EX-15 - HSS НАСОС (/) ОСНОВН. КОМПОНЕНТЫ И РЕМКОМПЛЕКТЫ
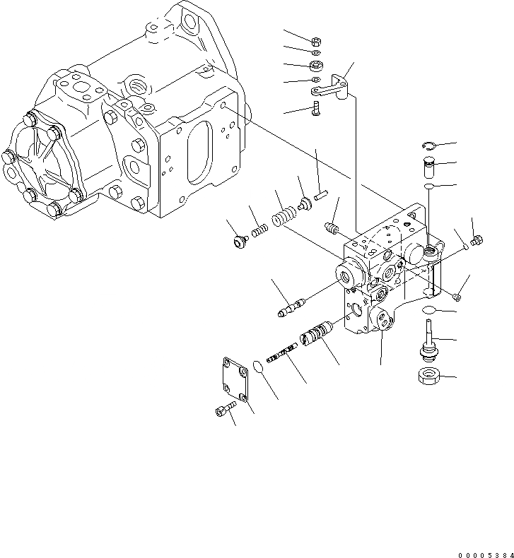
1
2
3
4
5
6
7
8
9
10
10
11
12
13
14
15
16
17
18
19
19
20
21
22
23
24
25
26
FIT
1:1
100%

Артикул

Название

Примечание

Количество

|$1

708-1L-00320

PUMP ASS'Y

SN: 67001-UP

1шт.

|$$2

THIS ASSEMBLY CONSISTS OF ALL PARTS SHOWN IN FIGS.Y1600-01A0 T0 Y1600-06A0.

-1шт.

|$3

708-1L-03411

SERVO VALVE ASS'Y

SN: 67001-UP

1шт.

|$4

0

BODY ASS'Y

SN: 67001-UP

1шт.

1

0

BODY,VALVE

SN: 67001-UP

1шт.

2

0

PLUG

SN: 67001-UP

7шт.

3

0

EXPANDER

SN: 67001-UP

2шт.

4

0

SPOOL

SN: 67001-UP

1шт.

5

0

PLATE

SN: 67001-UP

1шт.

6

0

O-RING

SN: 67001-UP

1шт.

7

0

BOLT

SN: 67001-UP

4шт.

8

0

SLEEVE

SN: 67001-UP

1шт.

9

0

SPOOL

SN: 67001-UP

1шт.

10

0

SEAT

SN: 67001-UP

2шт.

11

0

SPRING

SN: 67001-UP

1шт.

12

0

SPRING

SN: 67001-UP

1шт.

13

0

PISTON

SN: 67001-UP

1шт.

14

0

PLUG

SN: 67001-UP

1шт.

15

0

O-RING

SN: 67001-UP

1шт.

16

0

LEVER

SN: 67001-UP

1шт.

17

0

PIN

SN: 67001-UP

1шт.

18

0

BEARING

SN: 67001-UP

1шт.

19

0

WASHER

SN: 67001-UP

2шт.

20

0

NUT

SN: 67001-UP

1шт.

21

0

PLUG

SN: 67001-UP

1шт.

22

0

NUT

SN: 67001-UP

1шт.

23

0

O-RING

SN: 67001-UP

1шт.

24

0

PLUG

SN: 67001-UP

1шт.

25

0

O-RING

SN: 67001-UP

1шт.

26

0

RING

SN: 67001-UP

1шт.

Выбрано товаров: 30