Запчасти Komatsu SA6D125E-3C-7T ТОПЛИВН. PОБОД КОЛЕСАING НАСОС (CHINA TОБОД КОЛЕСАMING СПЕЦ-Я.)(№8-) ДВИГАТЕЛЬ

Схема запчастей Komatsu SA6D125E-3C-7T - ТОПЛИВН. PОБОД КОЛЕСАING НАСОС (CHINA TОБОД КОЛЕСАMING СПЕЦ-Я.)(№8-) ДВИГАТЕЛЬ
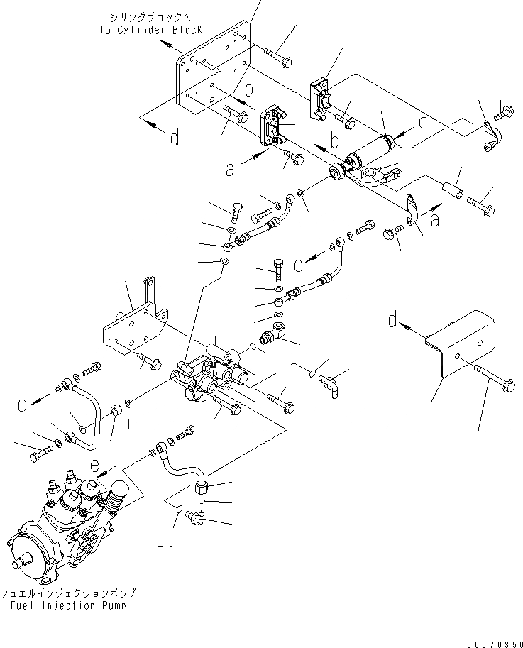
1
2
3
4
4
5
5
6
7
7
8
8
9
10
11
12
12
13
14
15
16
17
18
19
19
19
19
20
21
22
23
24
25
26
27
27
27
28
29
30
30
31
32
33
34
35
1
2
3
4
4
5
5
6
7
7
8
8
9
10
11
12
12
13
14
15
16
17
18
19
19
19
19
20
21
22
23
24
25
26
27
27
27
28
29
30
30
31
32
33
34
35
FIT
1:1
100%

Артикул

Название

Примечание

Количество

1

6155-71-5690

BRACKET

SN: 320580-UP

1шт.

2

01435-01080

BOLT

SN: 320580-UP

2шт.

3

01435-01055

BOLT

SN: 320580-UP

1шт.

4

6219-71-8600

BLOCK

SN: 320580-UP

2шт.

4

6210-21-1390

PIN

SN: 320580-UP

4шт.

4

6219-71-8610

BLOCK

SN: 320580-UP

2шт.

5

01435-01025

BOLT

SN: 320580-UP

4шт.

6

6245-71-8110

PUMP ASS'Y,PRIMING

SN: 320580-UP

1шт.

7

6245-71-5680

BRACKET

SN: 320580-UP

2шт.

8

01435-00612

BOLT

SN: 320580-UP

4шт.

9

6251-71-7210

BRACKET

SN: 320580-UP

1шт.

10

01435-01055

BOLT

SN: 320580-UP

3шт.

11

6155-71-5590

BLOCK

SN: 320580-UP

1шт.

12

01435-01070

BOLT

SN: 320580-UP

3шт.

13

02782-10516

ELBOW

SN: 320580-UP

1шт.

14

07002-12034

O-RING

SN: 320580-UP

1шт.

15

6155-71-5640

HOSE

SN: 320580-UP

1шт.

16

6155-71-5760

ELBOW

SN: 320580-UP

1шт.

17

07002-12034

O-RING

SN: 320580-UP

1шт.

18

07206-30812

BOLT,JOINT

SN: 320580-UP

2шт.

19

07005-01212

SEAL

SN: 320580-UP

4шт.

20

6151-51-8490

SPACER

SN: 320580-UP

1шт.

21

6251-71-7270

TUBE

SN: 320580-UP

1шт.

22

02782-10422

ELBOW

SN: 320580-UP

1шт.

23

07002-12034

O-RING

SN: 320580-UP

1шт.

24

02896-11012

O-RING

SN: 320580-UP

1шт.

25

6251-71-7280

TUBE

SN: 320580-UP

1шт.

26

7700-45-1710

BOLT

SN: 320580-UP

1шт.

27

07005-01412

GASKET (K2)

SN: 320580-UP

3шт.

28

6155-71-5650

HOSE

SN: 320580-UP

1шт.

29

07206-30812

BOLT,JOINT

SN: 320580-UP

2шт.

30

07005-01212

SEAL

SN: 320580-UP

4шт.

31

08193-20010

CLIP

SN: 320580-UP

1шт.

32

6134-11-5120

SPACER

SN: 320580-UP

1шт.

33

01435-01060

BOLT

SN: 320580-UP

1шт.

34

6155-71-5710

COVER

SN: 320580-UP

1шт.

35

01436-01005

BOLT

SN: 320580-UP

2шт.

1

6155-71-5690

BRACKET

SN: 320580-UP

1шт.

2

01435-01080

BOLT

SN: 320580-UP

2шт.

3

01435-01055

BOLT

SN: 320580-UP

1шт.

4

6219-71-8600

BLOCK

SN: 320580-UP

2шт.

4

6210-21-1390

PIN

SN: 320580-UP

4шт.

4

6219-71-8610

BLOCK

SN: 320580-UP

2шт.

5

01435-01025

BOLT

SN: 320580-UP

4шт.

6

6245-71-8110

PUMP ASS'Y,PRIMING

SN: 320580-UP

1шт.

7

6245-71-5680

BRACKET

SN: 320580-UP

2шт.

8

01435-00612

BOLT

SN: 320580-UP

4шт.

9

6251-71-7210

BRACKET

SN: 320580-UP

1шт.

10

01435-01055

BOLT

SN: 320580-UP

3шт.

11

6155-71-5590

BLOCK

SN: 320580-UP

1шт.

12

01435-01070

BOLT

SN: 320580-UP

3шт.

13

02782-10516

ELBOW

SN: 320580-UP

1шт.

14

07002-12034

O-RING

SN: 320580-UP

1шт.

15

6155-71-5640

HOSE

SN: 320580-UP

1шт.

16

6155-71-5760

ELBOW

SN: 320580-UP

1шт.

17

07002-12034

O-RING

SN: 320580-UP

1шт.

18

07206-30812

BOLT,JOINT

SN: 320580-UP

2шт.

19

07005-01212

SEAL

SN: 320580-UP

4шт.

20

6151-51-8490

SPACER

SN: 320580-UP

1шт.

21

6251-71-7270

TUBE

SN: 320580-UP

1шт.

22

02782-10422

ELBOW

SN: 320580-UP

1шт.

23

07002-12034

O-RING

SN: 320580-UP

1шт.

24

02896-11012

O-RING

SN: 320580-UP

1шт.

25

6251-71-7280

TUBE

SN: 320580-UP

1шт.

26

7700-45-1710

BOLT

SN: 320580-UP

1шт.

27

07005-01412

GASKET (K2)

SN: 320580-UP

3шт.

28

6155-71-5650

HOSE

SN: 320580-UP

1шт.

29

07206-30812

BOLT,JOINT

SN: 320580-UP

2шт.

30

07005-01212

SEAL

SN: 320580-UP

4шт.

31

08193-20010

CLIP

SN: 320580-UP

1шт.

32

6134-11-5120

SPACER

SN: 320580-UP

1шт.

33

01435-01060

BOLT

SN: 320580-UP

1шт.

34

6155-71-5710

COVER

SN: 320580-UP

1шт.

35

01436-01005

BOLT

SN: 320580-UP

2шт.

Выбрано товаров: 74